GM Service Manual Online
For 1990-2009 cars only
Makes
🢒
Saturn
🢒
2007
🢒
VUE - FWD
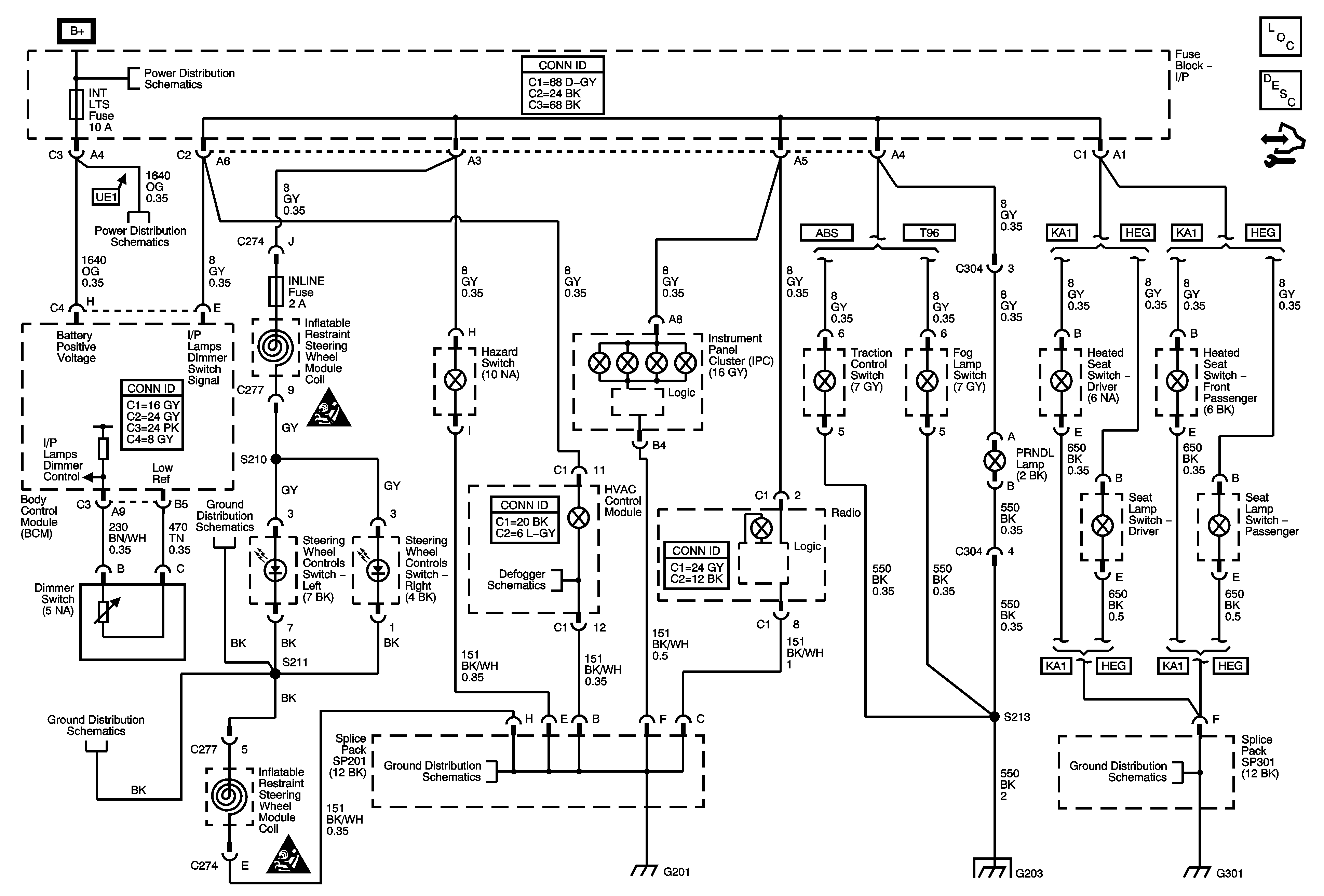
🢒 Interior Lights Dimming Schematics
Interior Lights Dimming Schematics
Master Electrical Component List
Interior Lighting Systems Description and Operation
Control Module References
PWR SEAT Circuit Breaker, LH HDLP, RH HDLP, BRAKE, PREM AUD, BATT FEED, and HTD SEATS Fuses
RADIO, LOCK/MIRROR, BCM/CLUSTER, INT LTS, PARK, and HZRD Fuses
Lighting Systems Schematic Icons
Lighting Systems Schematic Icons
G201
G203 and G205
G301 2 of 2