GM Service Manual Online
For 1990-2009 cars only
Makes
🢒
Saturn
🢒
2007
🢒
VUE - FWD
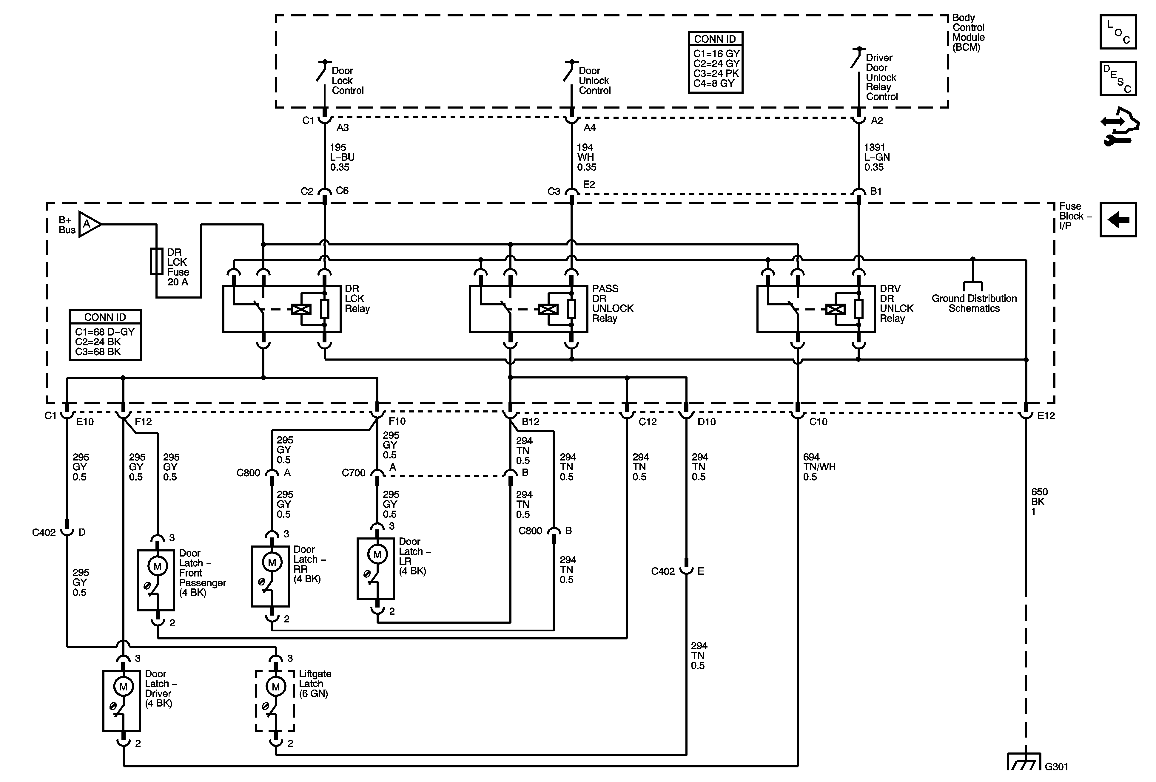
🢒 Door Lock Controls
Door Lock Controls
Door Lock Controls
Master Electrical Component List
Power Door Locks Description and Operation
Control Module References
Lock Switches and Ajar Signals
G301 1 of 2
G301 1 of 2