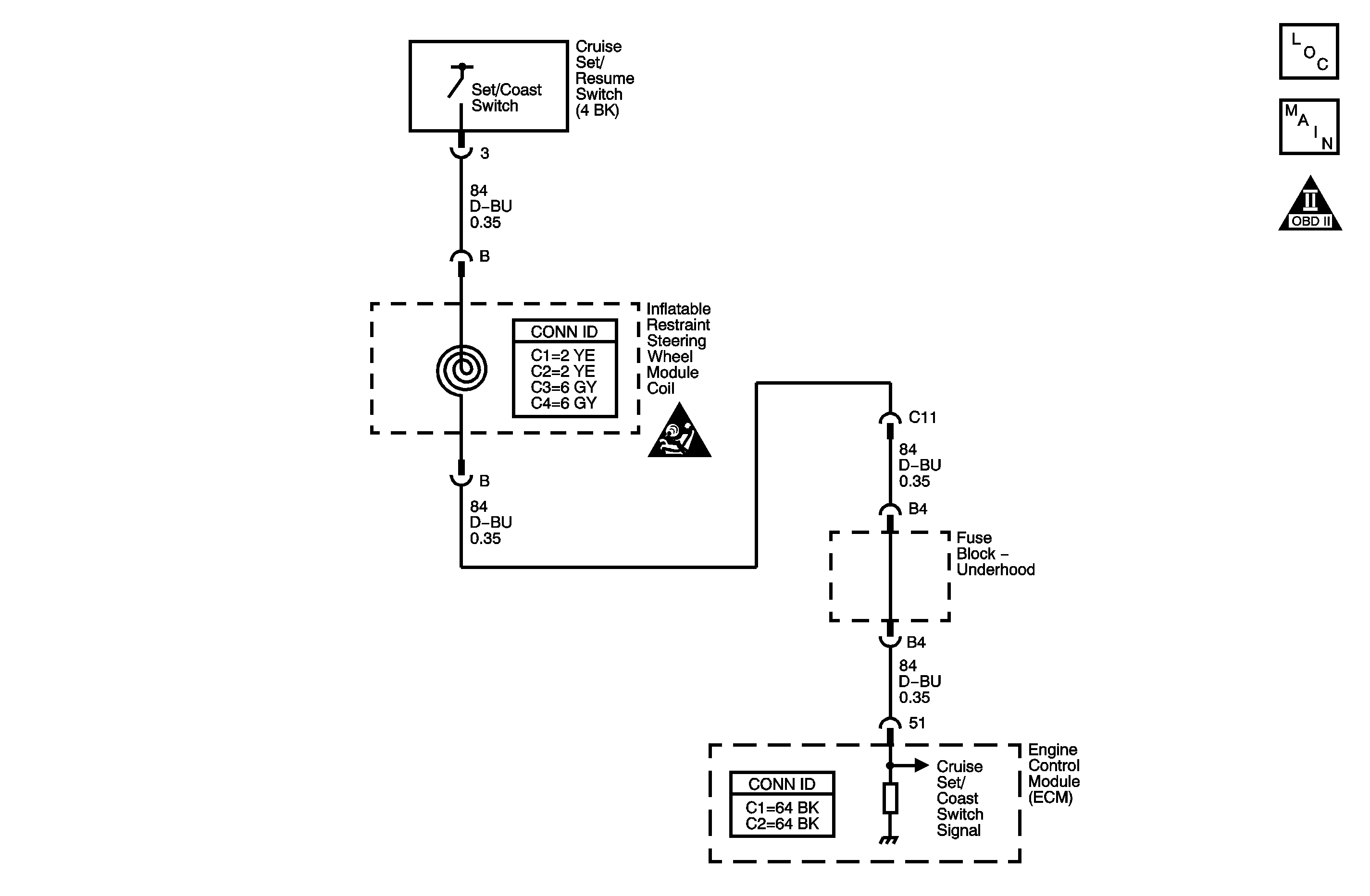
The cruise control set/coast switch is an input to the engine control module (ECM). The ECM uses the cruise control set/coast switch signal circuit in order to detect when the driver has requested to set the vehicle speed or to decelerate the vehicle speed. The ECM detects a high signal voltage on the cruise control set/coast switch signal circuit when the switch is applied.
This diagnostic procedure supports the following DTC:
DTC P0568 Cruise Control Set Switch Circuit
| • | The ignition is ON. |
| • | The cruise control On/Off switch is ON. |
The ECM detects a high signal voltage on the cruise control set/coast switch signal circuit for longer than 60 seconds.
| • | The ECM stores the DTC information into memory when the diagnostic runs and fails. |
| • | The malfunction indicator lamp (MIL) will not illuminate. |
| • | The ECM records the operating conditions at the time the diagnostic fails. The ECM stores this information in the Failure Records. |
| • | The cruise control system is disabled. |
| • | A last test failed, or the current DTC, clears when the diagnostic runs and does not fail. |
| • | A history DTC clears after 40 consecutive warm-up cycles, if failures are not reported by this or any other emission related diagnostic. |
| • | Use a scan tool in order to clear the MIL/DTC. |
| • | Ensure that the set/coast switch is not stuck in the engaged position. |
| • | For an intermittent condition, refer to Testing for Intermittent Conditions and Poor Connections. |
The number below refers to the step number on the diagnostic table.
Step | Action | Yes | No |
|---|---|---|---|
Schematic Reference: Cruise Control Schematics Connector End View Reference: Cruise Control Connector End Views | |||
1 | Did you perform the Diagnostic System Check - Vehicle? | Go to Step 2 | |
Does the Cruise Set/Coast parameter display On? | Go to Step 3 | Go to Diagnostic Aids | |
3 |
Does the cruise set/coast parameter display On? | Go to Step 4 | Go to Step 5 |
4 | Test the cruise control set/coast switch signal circuit for a short to voltage. Refer to Circuit Testing and to Wiring Repairs. Did you find and correct the condition? | Go to Step 9 | Go to Step 6 |
5 | Inspect for poor connections at the harness connector of the cruise control switch. Refer to Testing for Intermittent Conditions and Poor Connections and to Connector Repairs. Did you find and correct the condition? | Go to Step 9 | Go to Step 7 |
6 | Inspect for poor connections at the harness connector of the engine control module (ECM). Refer to Testing for Intermittent Conditions and Poor Connections and to Connector Repairs. Did you find and correct the condition? | Go to Step 9 | Go to Step 8 |
7 | Replace the cruise control switch. Refer to Steering Wheel Control Switch Assembly Replacement. Did you complete the replacement? | Go to Step 9 | -- |
8 | Replace the ECM. Refer to Control Module References for replacement, setup, and programming. Did you complete the replacement? | Go to Step 9 | -- |
9 |
Does the DTC reset? | Go to Step 2 | System OK |
The cruise control set/coast switch is an input to the powertrain control module (PCM). The PCM uses the cruise control set/coast switch signal circuit in order to detect when the driver has requested to set the vehicle speed or to decelerate the vehicle speed. The PCM detects a high signal voltage on the cruise control set/coast switch signal circuit when the switch is applied.
This diagnostic procedure supports the following DTC:
DTC P0568 Cruise Control Set Switch Circuit
| • | The ignition is ON. |
| • | The cruise control On/Off switch is ON. |
The PCM detects a high signal voltage on the cruise control set/coast switch signal circuit for longer than 60 seconds.
| • | The PCM stores the DTC information into memory when the diagnostic runs and fails. |
| • | The malfunction indicator lamp (MIL) will not illuminate. |
| • | The PCM records the operating conditions at the time the diagnostic fails. The PCM stores this information in the Failure Records. |
| • | The cruise control system is disabled. |
| • | The Service Vehicle Soon (SVS) light may be illuminated. |
| • | A last test failed, or the current DTC, clears when the diagnostic runs and does not fail. |
| • | A history DTC clears after 40 consecutive warm-up cycles, if failures are not reported by this or any other emission related diagnostic. |
| • | Use a scan tool in order to clear the MIL/DTC. |
| • | Ensure that the set/coast switch is not stuck in the engaged position. |
| • | For an intermittent condition, refer to Testing for Intermittent Conditions and Poor Connections. |
The number below refers to the step number on the diagnostic table.
Step | Action | Yes | No |
|---|---|---|---|
Schematic Reference: Cruise Control Schematics Connector End View Reference: Cruise Control Connector End Views | |||
1 | Did you perform the Diagnostic System Check - Vehicle? | Go to Step 2 | |
Does the Cruise Set/Coast parameter display On? | Go to Step 3 | Go to Diagnostic Aids | |
3 |
Does the Cruise Set/Coast parameter display On? | Go to Step 4 | Go to Step 5 |
4 | Test the cruise control set/coast switch signal circuit for a short to voltage. Refer to Circuit Testing and to Wiring Repairs. Did you find and correct the condition? | Go to Step 9 | Go to Step 6 |
5 | Inspect for poor connections at the harness connector of the cruise control switch. Refer to Testing for Intermittent Conditions and Poor Connections and to Connector Repairs. Did you find and correct the condition? | Go to Step 9 | Go to Step 7 |
6 | Inspect for poor connections at the harness connector of the PCM. Refer to Testing for Intermittent Conditions and Poor Connections and to Connector Repairs. Did you find and correct the condition? | Go to Step 9 | Go to Step 8 |
7 | Replace the cruise control switch. Refer to Steering Wheel Control Switch Assembly Replacement. Did you complete the replacement? | Go to Step 9 | -- |
8 | Replace the PCM. Refer to Control Module References for replacement, setup, and programming. Did you complete the replacement? | Go to Step 9 | -- |
9 |
Does the DTC reset? | Go to Step 2 | System OK |