GM Service Manual Online
For 1990-2009 cars only
Figure 1:

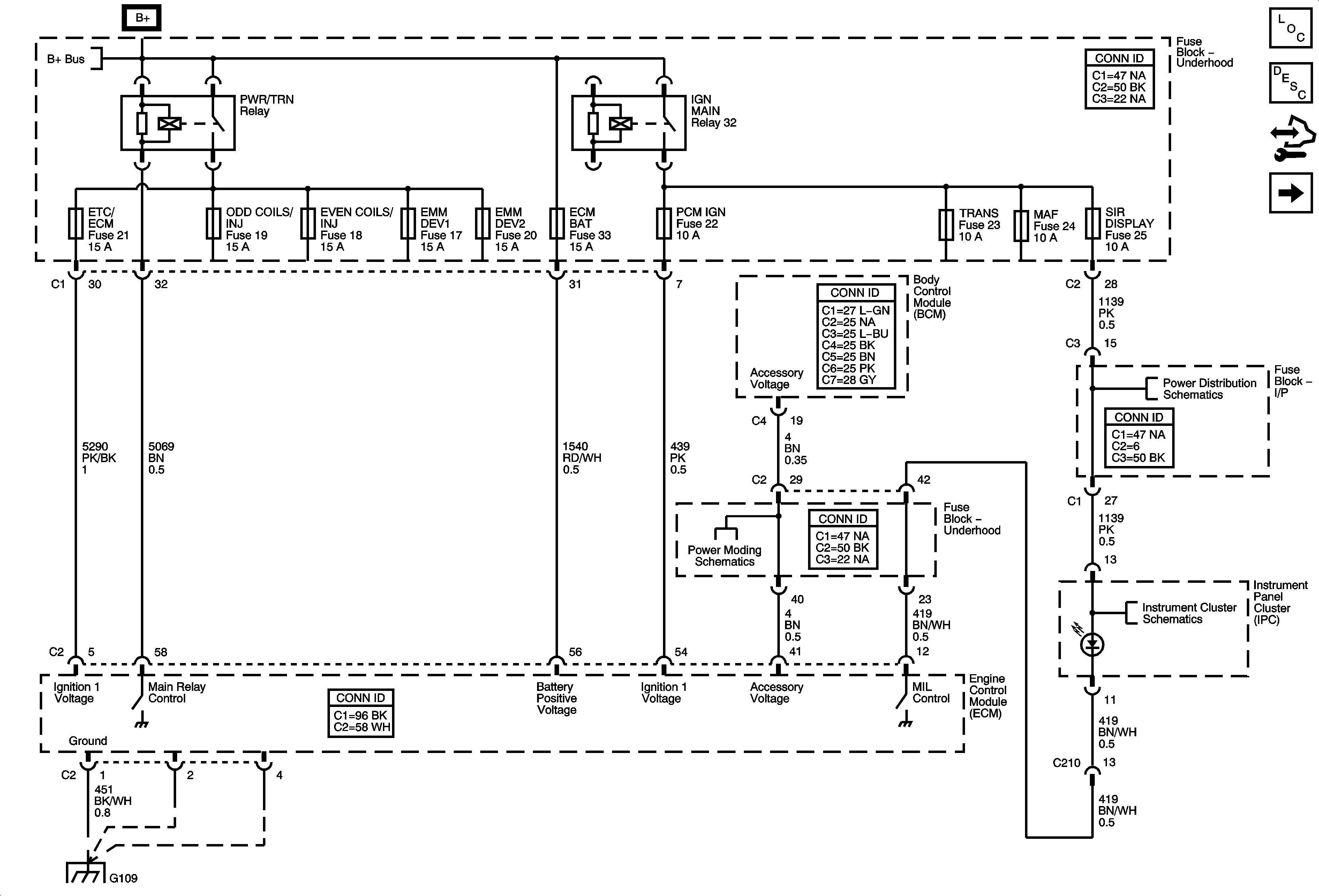
Module Power, Ground, and MIL


Object Number: 1837447  Size: FS
Figure 2:

5-Volt Reference


Object Number: 1837448  Size: FS
Figure 3:

Low Reference


Object Number: 1837449  Size: FS
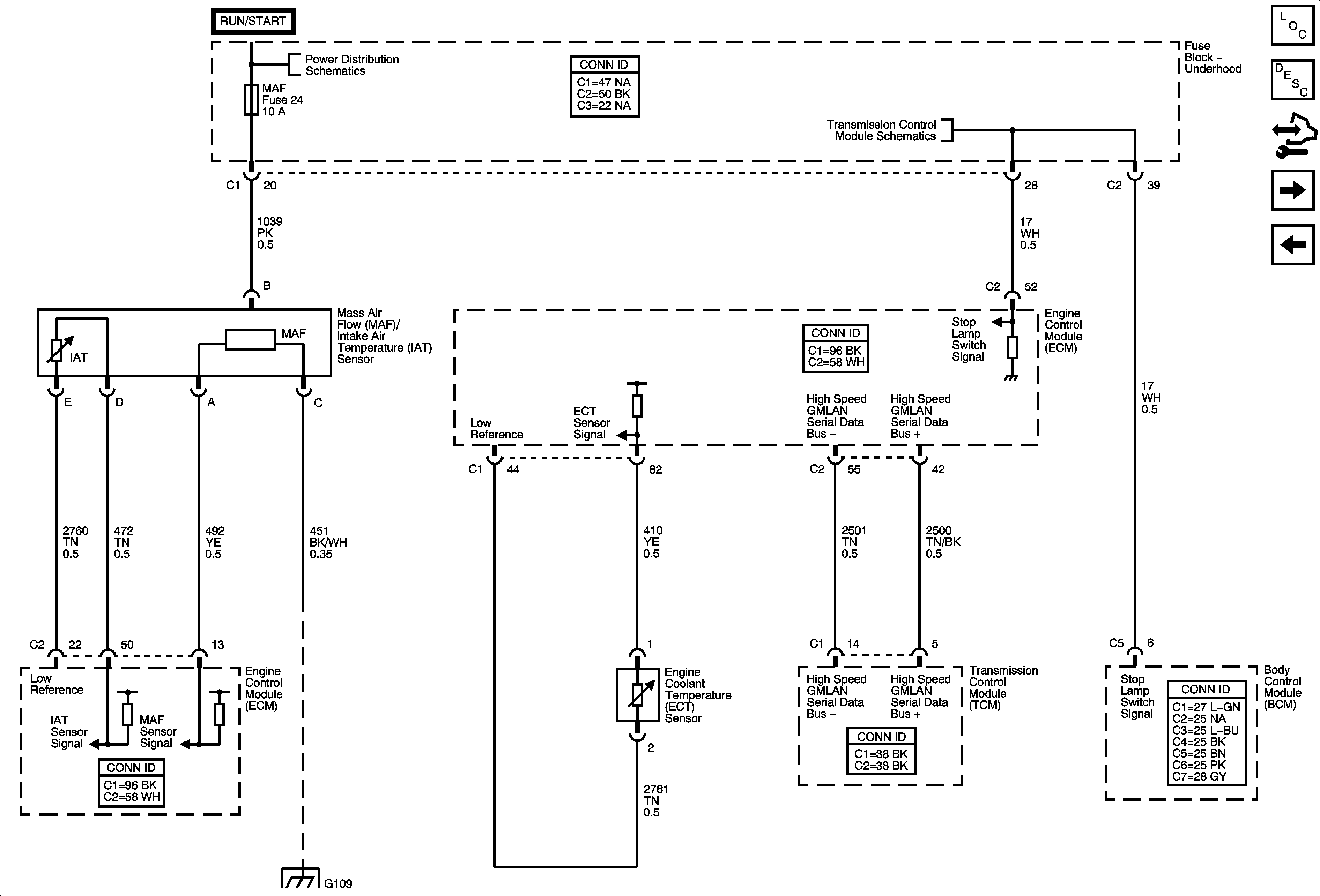
Figure 4:

Mass Air Flow and Engine Coolant Temperature Sensor


Object Number: 1837450  Size: FS
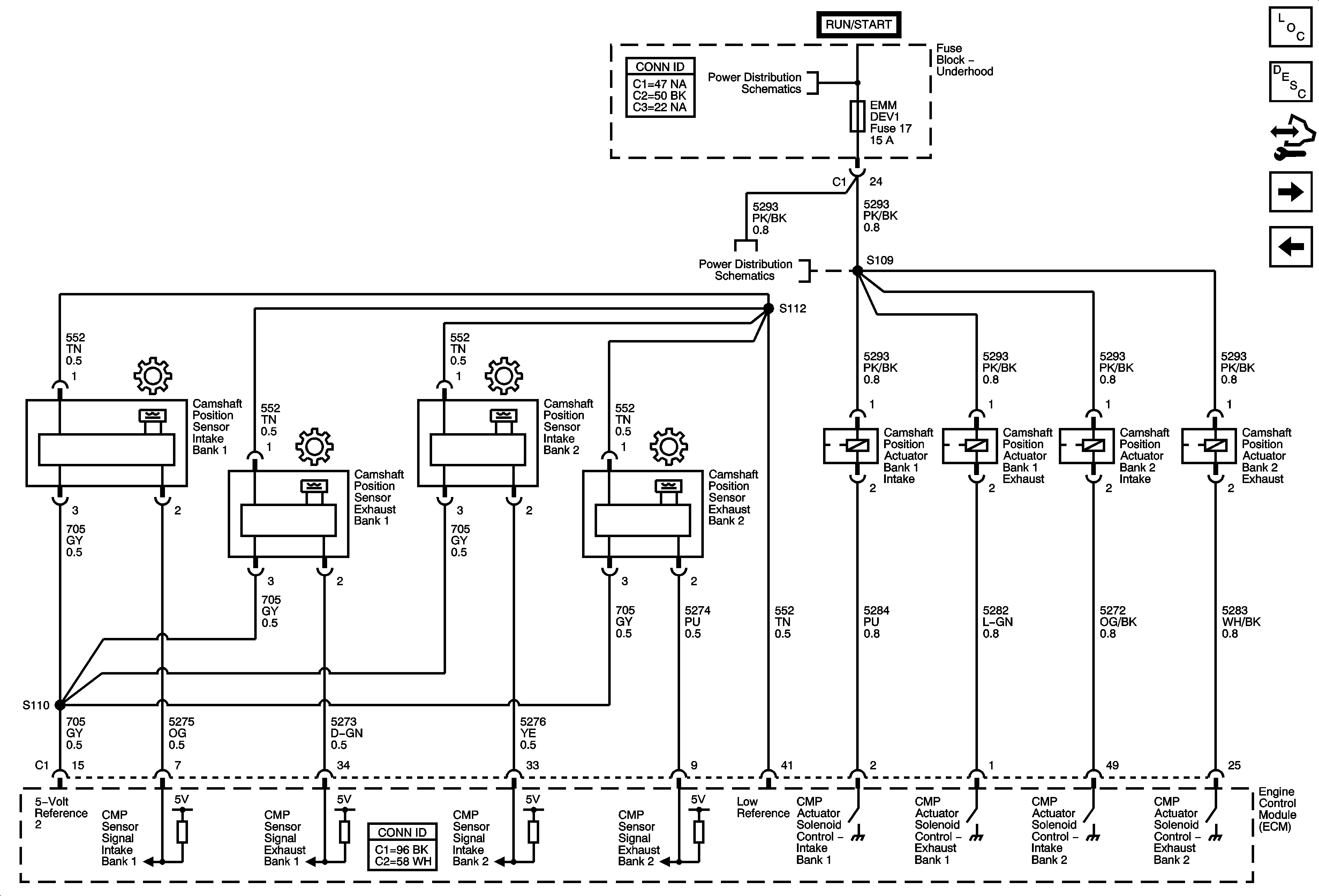
Figure 5:

Camshaft Position Sensors and Actuators


Object Number: 1837451  Size: FS
Figure 6:

Heated Oxygen Sensors


Object Number: 1837452  Size: FS
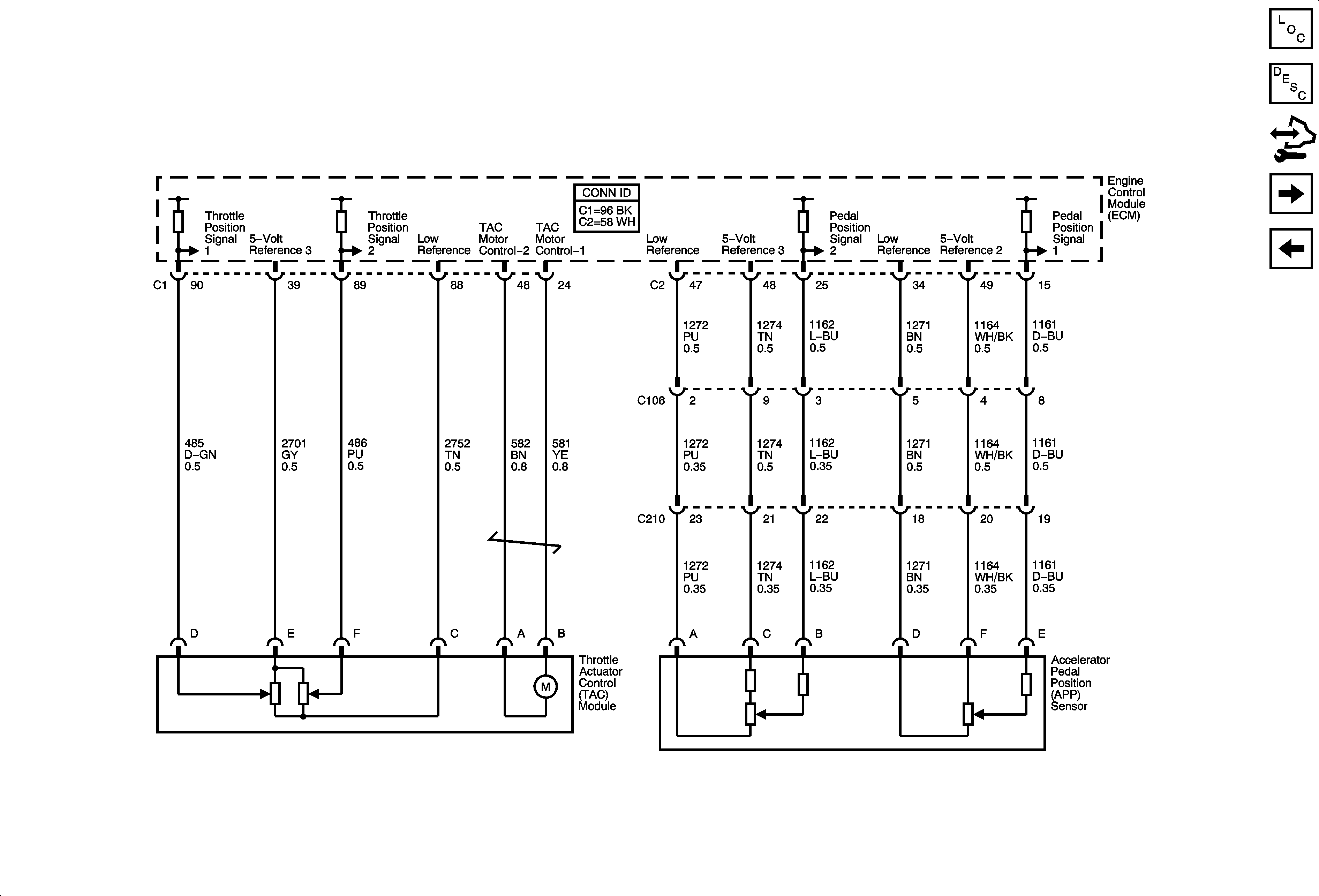
Figure 7:

Throttle Actuator Control and Accelerator Pedal Position Sensor


Object Number: 1837453  Size: FS
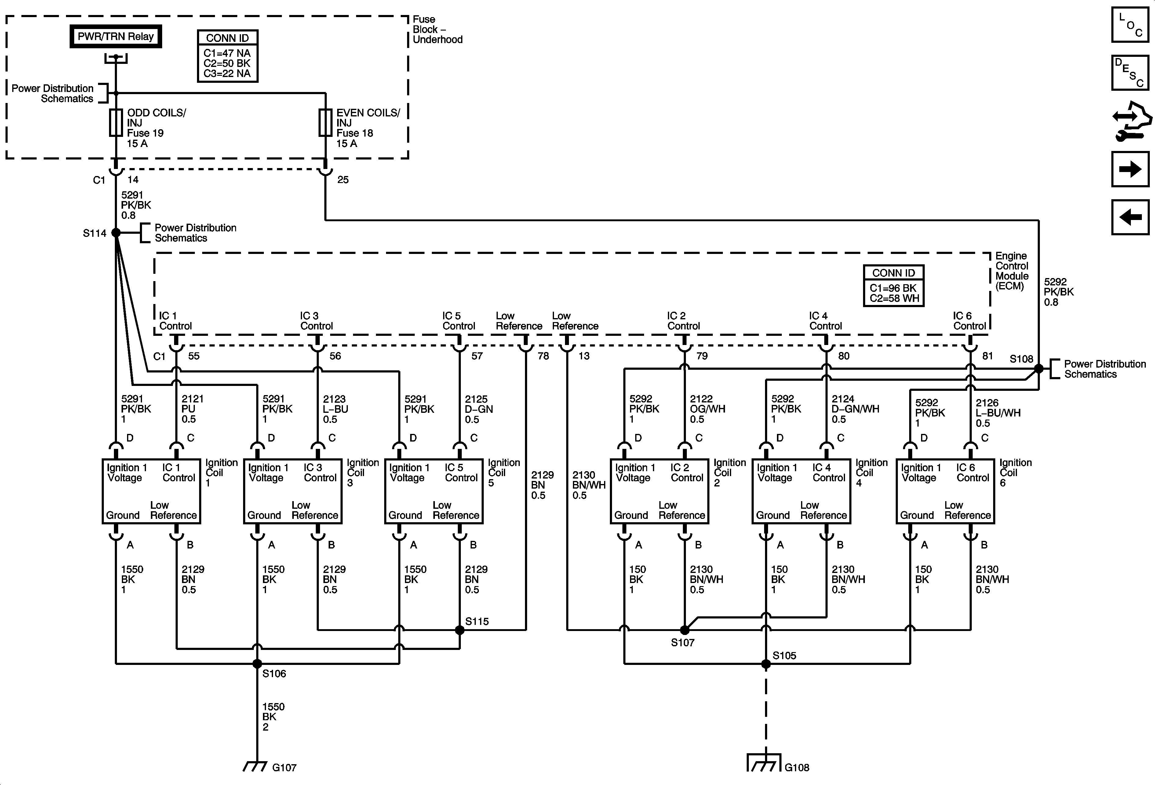
Figure 8:

Ignition Coils


Object Number: 1837454  Size: FS
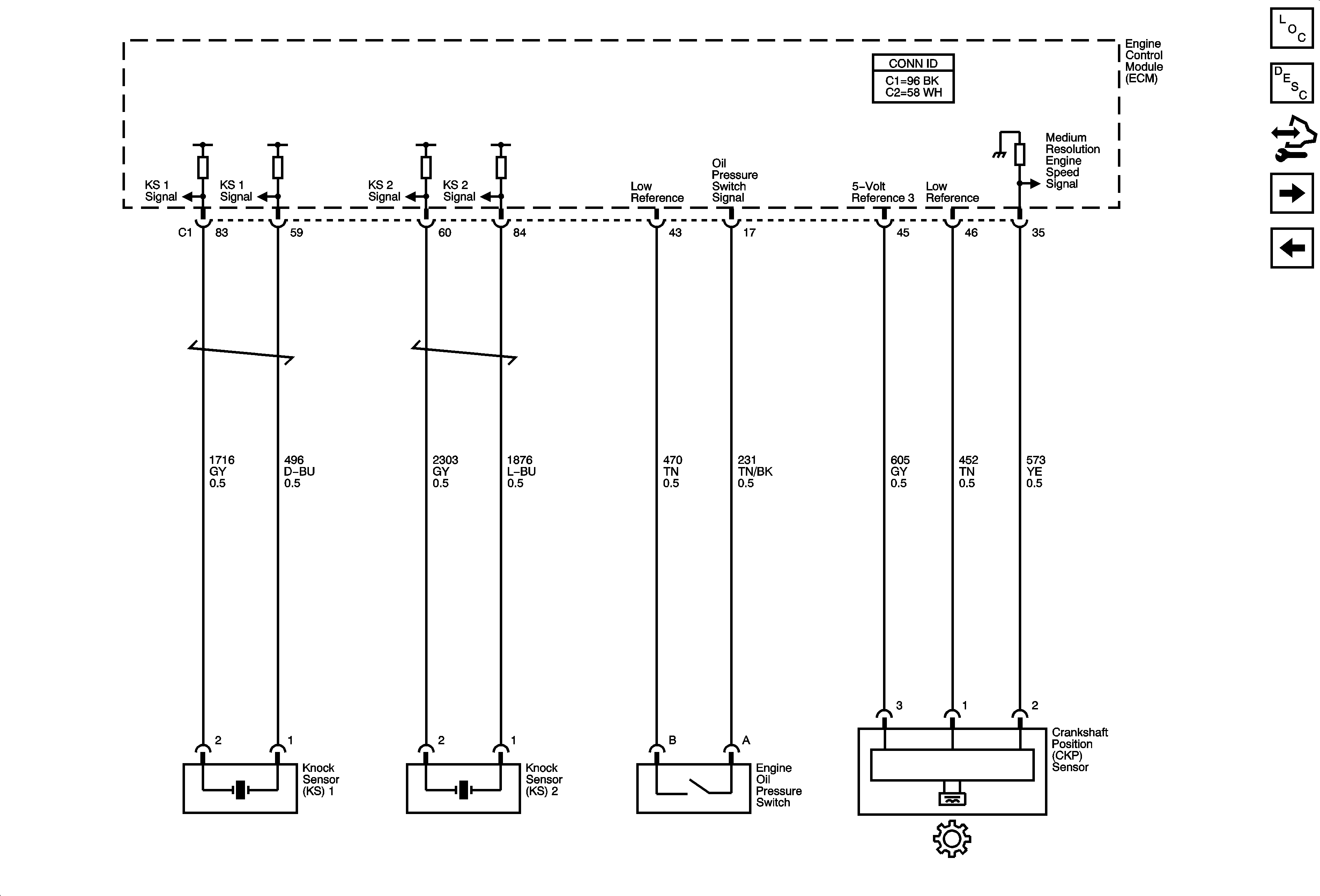
Figure 9:

Knock Sensors and Crank Sensor


Object Number: 1837456  Size: FS
Figure 10:

Fuel Injectors and Fuel Pump


Object Number: 1837459  Size: FS
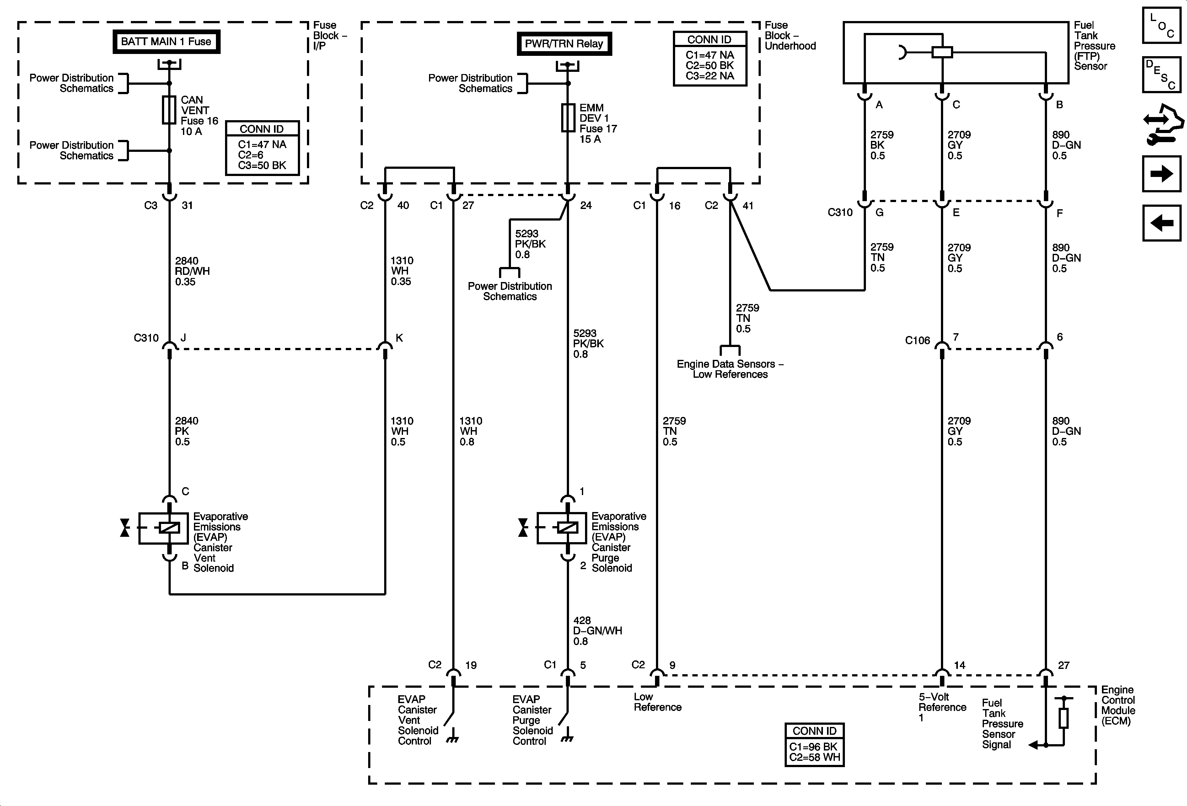
Figure 11:

Evaporative Emissions and Fuel Tank Pressure Sensor


Object Number: 1837461  Size: FS
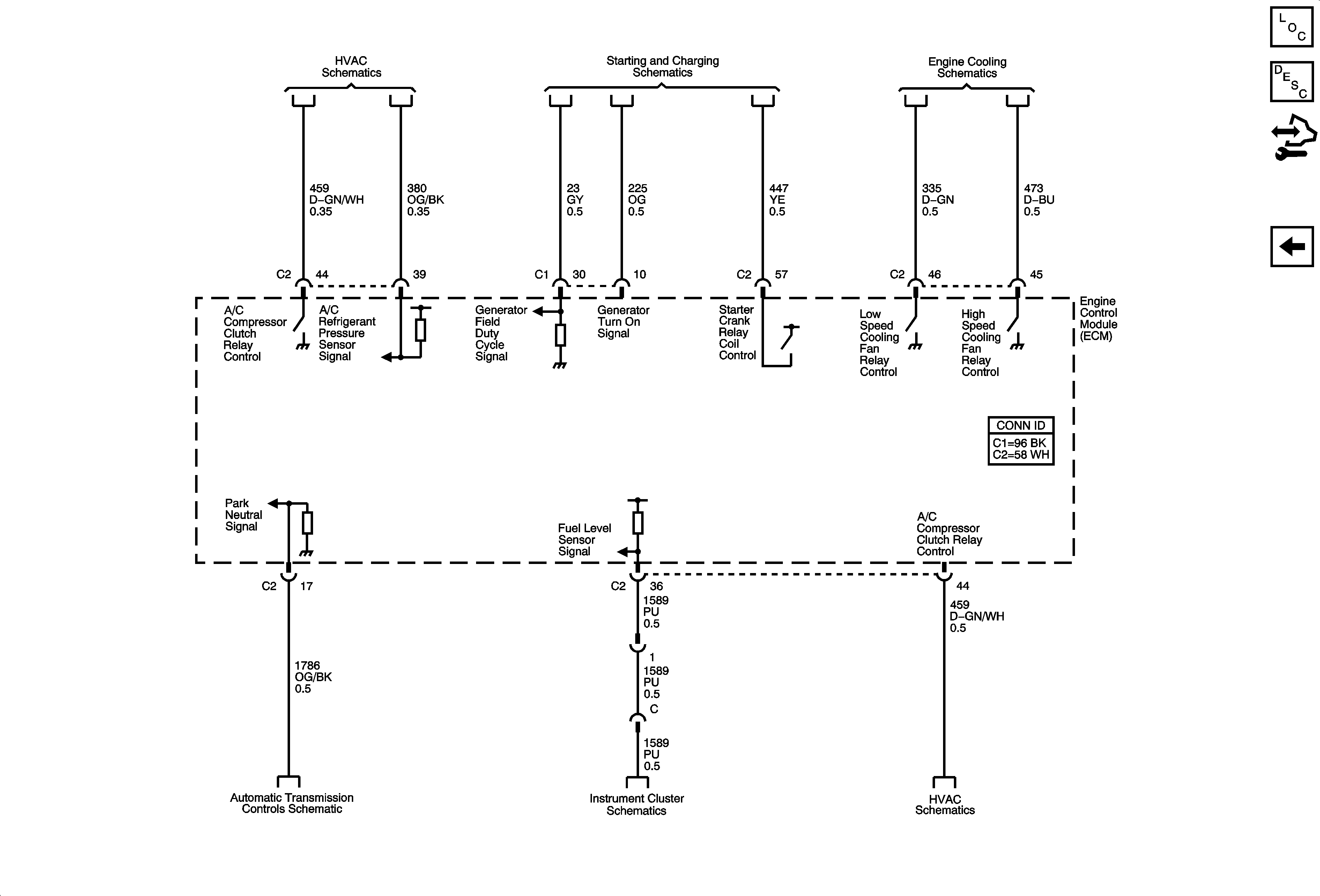
Figure 12:

Controlled/Monitored Systems


Object Number: 1837463  Size: FS