GM Service Manual Online
For 1990-2009 cars only
Figure 1:

Module Power, Ground, Serial Data, and Front Blower Controls


Object Number: 1837582  Size: FS
Master Electrical Component List
Air Delivery Description and Operation
Control Module References
Air Temperature and Ambient LIght Sensors
B+ BUS - 1 of 2
B+ BUS - 1 of 2
Remote Function Schematics
Low Speed GMLAN
Defogger Schematics
Interior Lights Schematics
G203 and G205
G203 and G205
G201
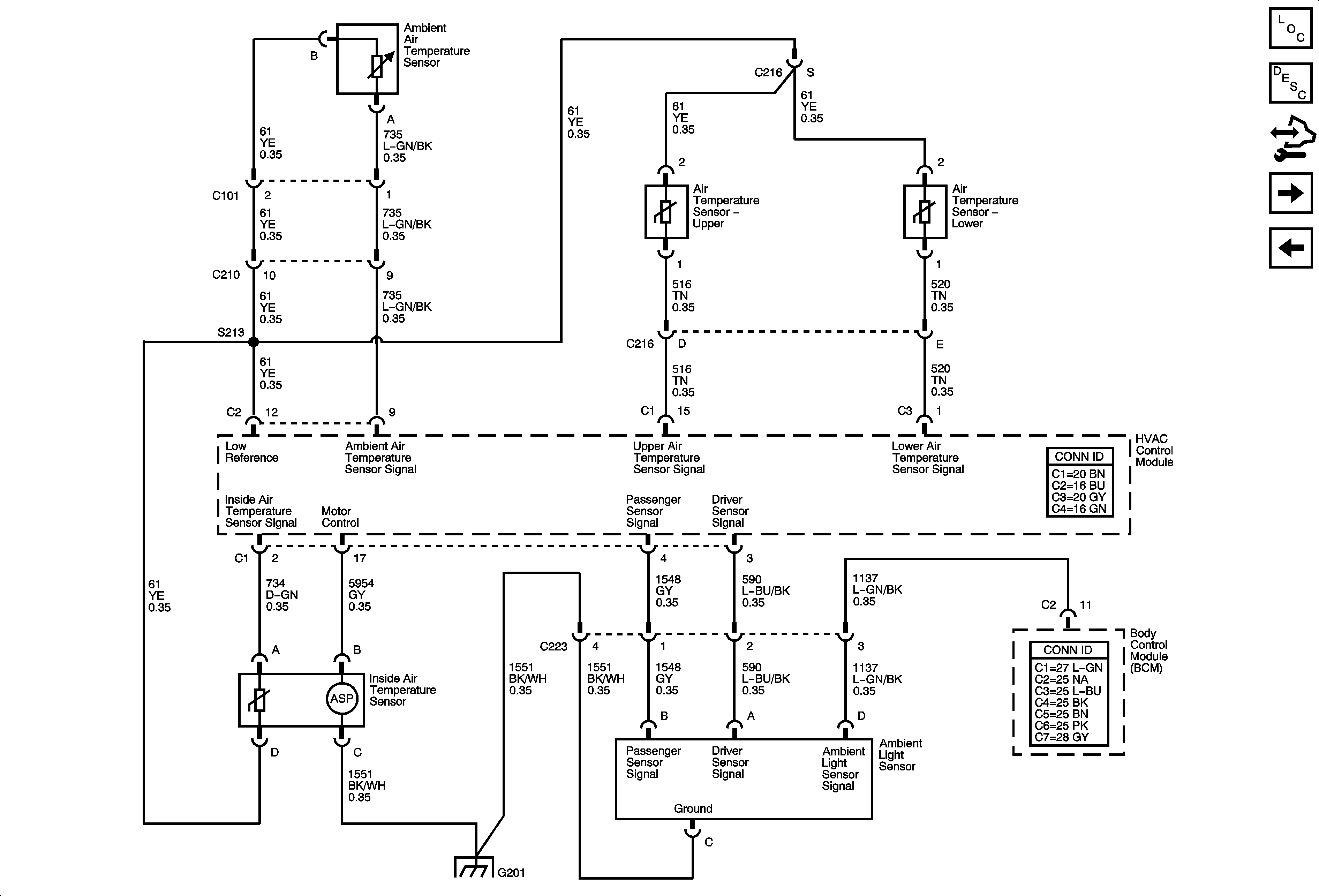
Figure 2:

Air Temperature Sensors, Ambient Light Sensor


Object Number: 1837584  Size: FS
Master Electrical Component List
Air Delivery Description and Operation
Control Module References
Mode, Recirculation, and Temperature Actuators
Power, Ground, Blower Controls
G201
Figure 3:

Mode, Recirculation, and Temperature Actuators


Object Number: 1837680  Size: FS
Master Electrical Component List
Air Delivery Description and Operation
Control Module References
Rear HVAC Controls and Actuators
Air Temperature and Ambient LIght Sensors
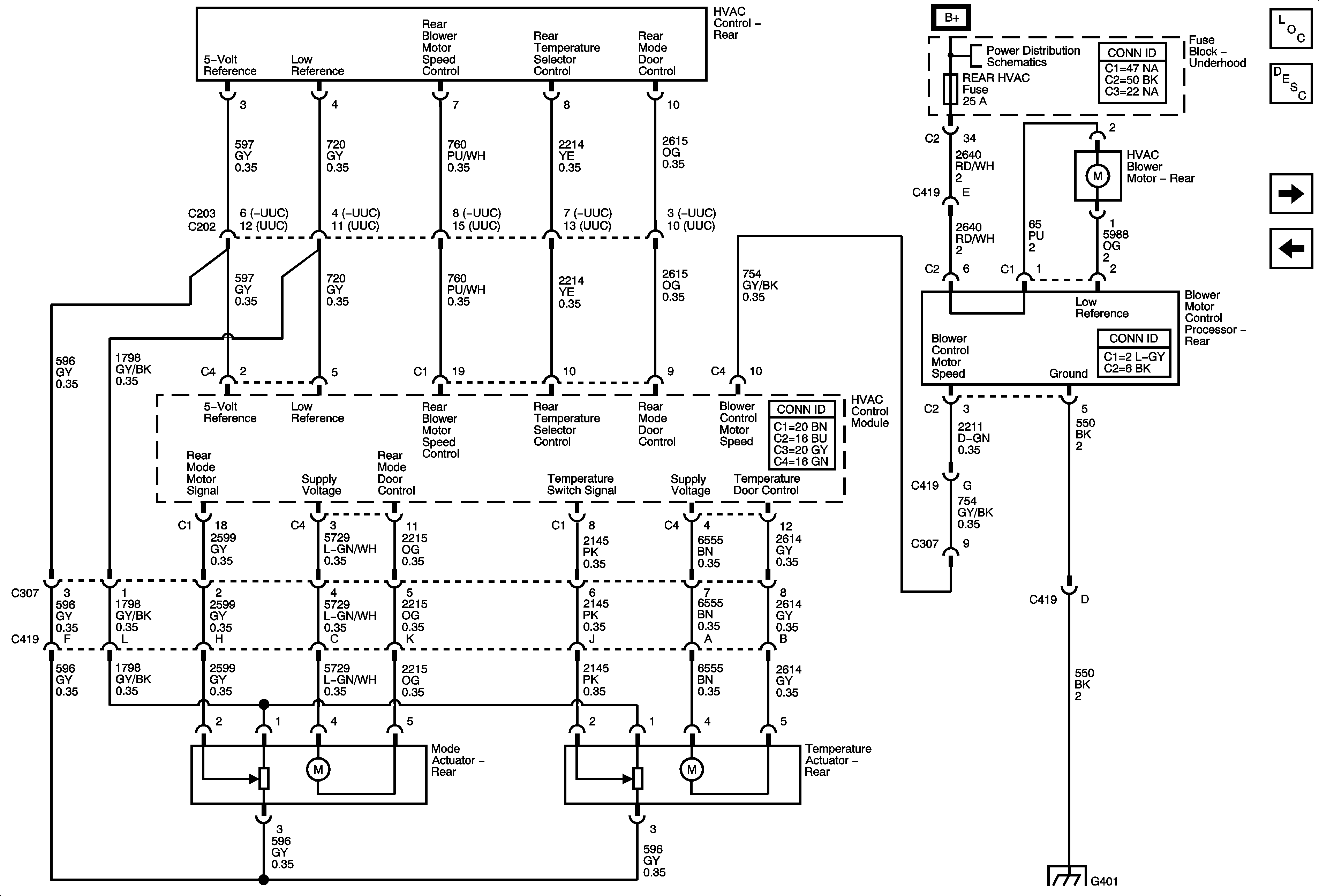
Figure 4:

Rear HVAC Controls and Actuators


Object Number: 1837682  Size: FS
Master Electrical Component List
Air Delivery Description and Operation
A/C Compressor Controls
Mode, Recirculation, and Temperature Actuators
G401
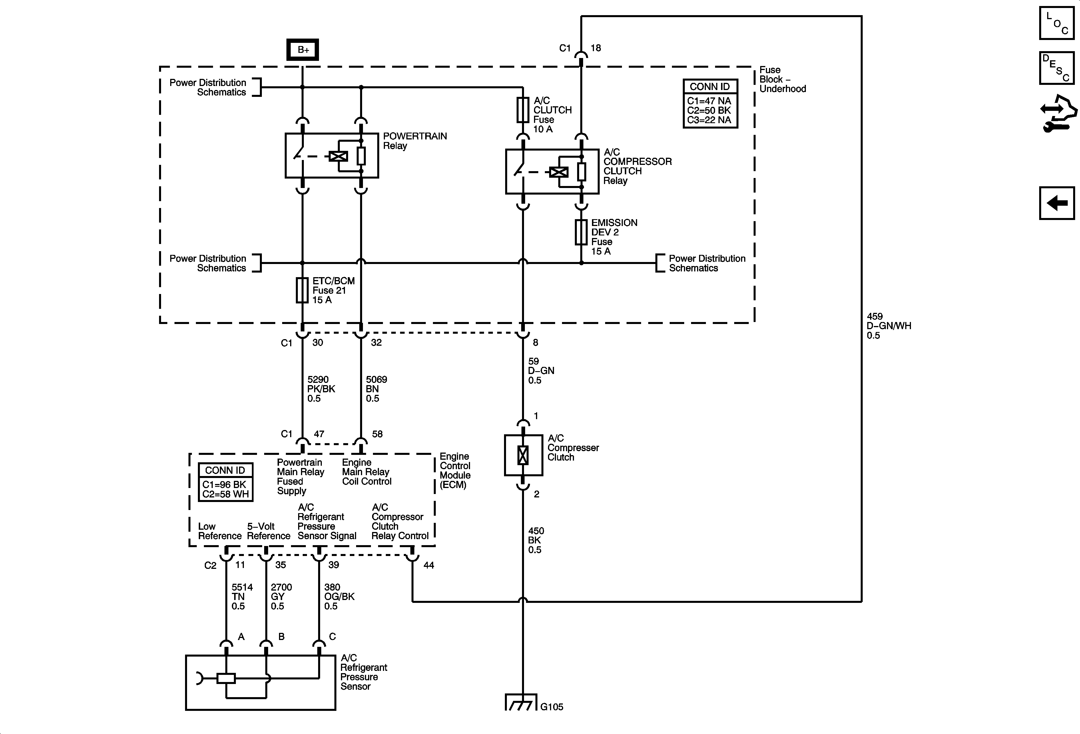
Figure 5:

A/C Compressor Controls


Object Number: 1837567  Size: FS
Master Electrical Component List
Air Temperature Description and Operation
Control Module References
Rear HVAC Controls and Actuators
B+ BUS - 1 of 2
B+ BUS - 1 of 2
G103, G105, G107, G108, and G109
B+ BUS - 1 of 2