GM Service Manual Online
For 1990-2009 cars only
Makes
🢒
Suzuki
🢒
2007
🢒
XL-7 AWD
🢒
Driver Information and Entertainment
🢒
Secondary and Configurable Customer Controls
🢒 Steering Wheel Secondary/Configurable Control Schematics
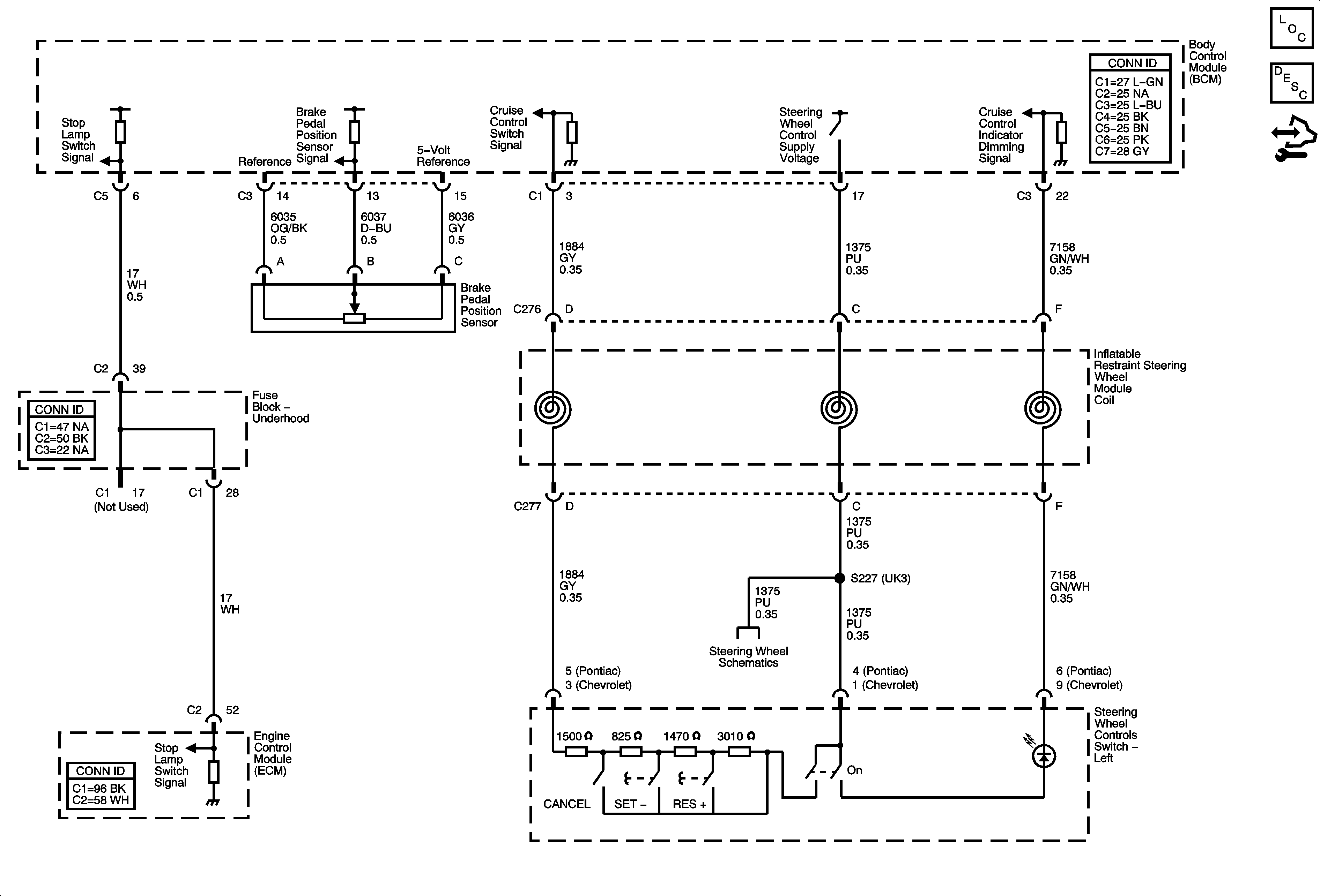
Remote Radio Steering Wheel Controls (UK3)
Master Electrical Component List
Steering Wheel Controls Description and Operation
Control Module References