GM Service Manual Online
For 1990-2009 cars only
Makes
🢒
Suzuki
🢒
2007
🢒
XL-7 AWD
🢒
Brakes
🢒
Hydraulic Brakes
🢒 Hydraulic Brake Schematics
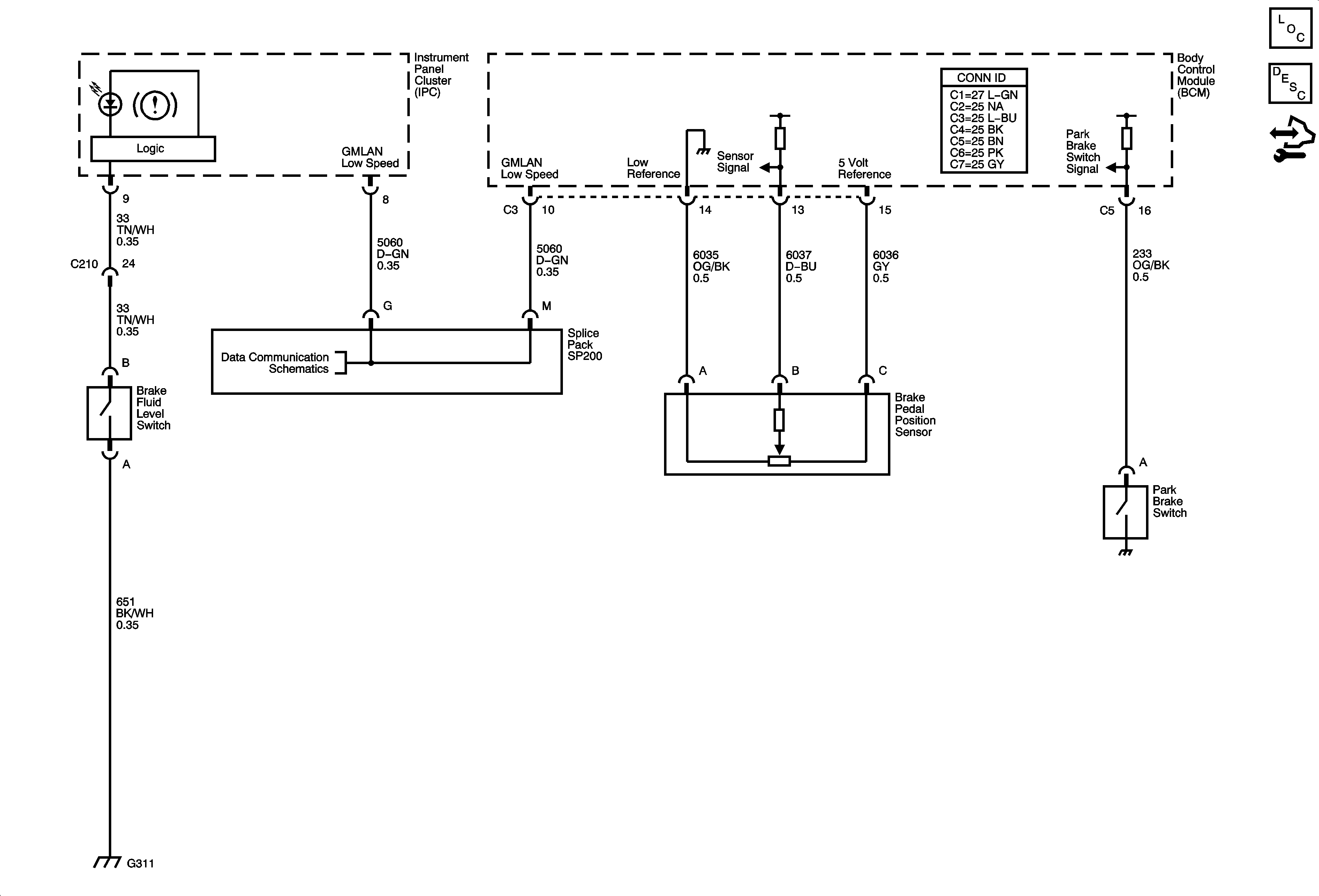
Master Electrical Component List
Brake Warning System Description and Operation
Control Module References
G311
Low Speed GMLAN