GM Service Manual Online
For 1990-2009 cars only
Makes
🢒
Suzuki
🢒
2007
🢒
XL-7 AWD
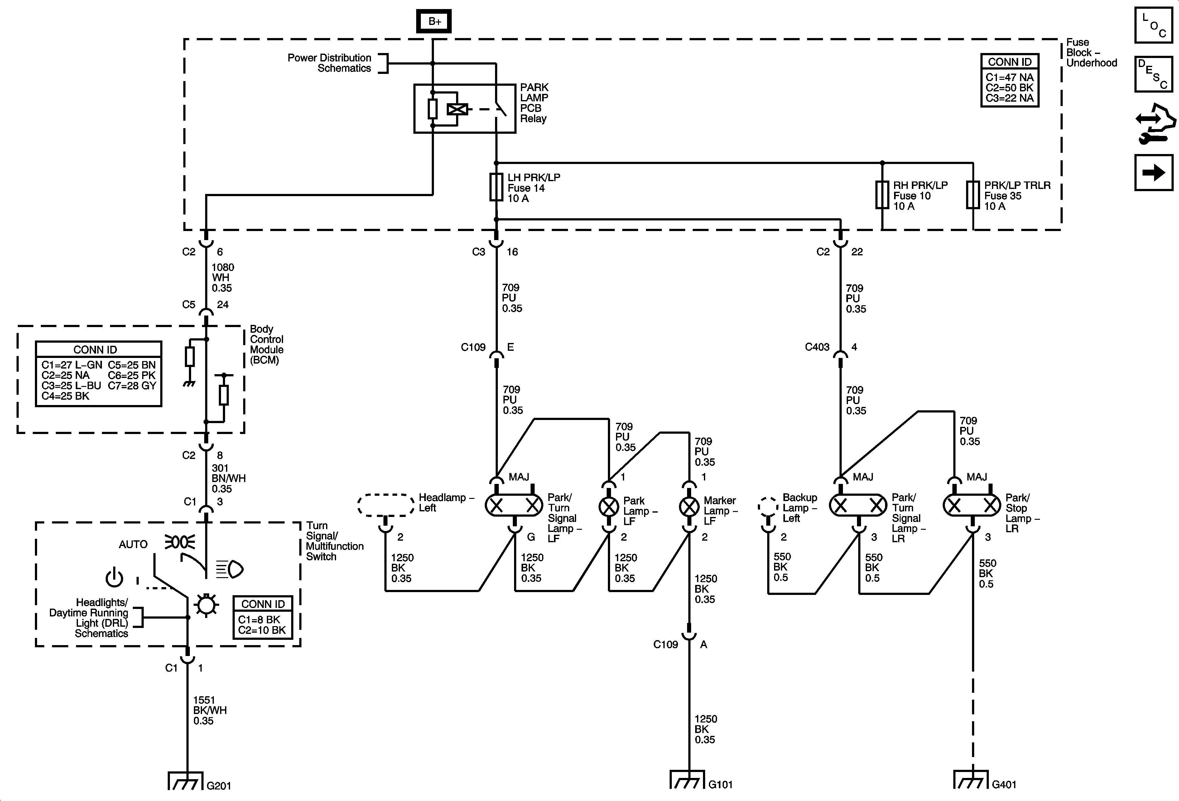
🢒 Left Park Lamps Schematics
Left Park Lamps Schematics
Left Park Lamps
Master Electrical Component List
Exterior Lighting Systems Description and Operation
Control Module References
Licence Lamps and Right Park Lamps Schematics
B+ BUS 2 of 2
B+ BUS 2 of 2
G201
G101
G401