GM Service Manual Online
For 1990-2009 cars only
Makes
🢒
Suzuki
🢒
2007
🢒
XL-7 AWD
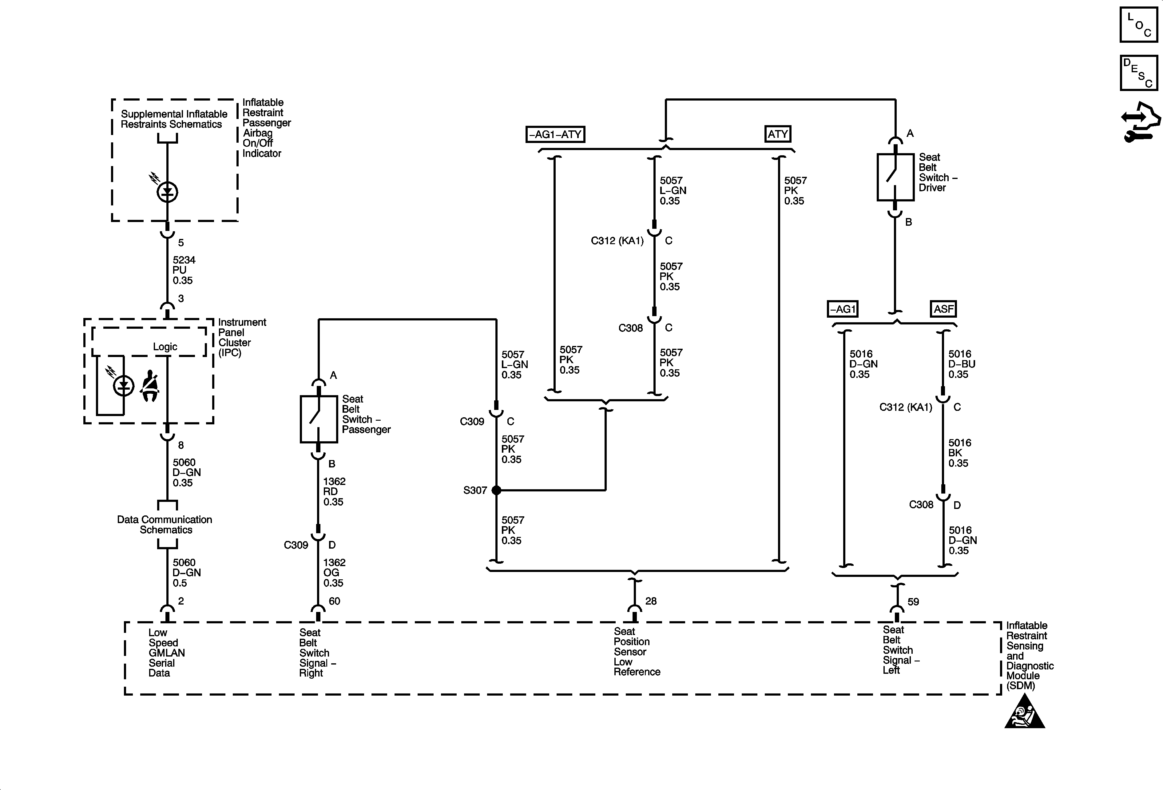
🢒 Seat Belt
Seat Belt
Master Electrical Component List
Seat Belt System Description and Operation
Control Module References
Power, Ground, Rollover Sensor, and PPS Schematics
Low Speed GMLAN
SIR Schematic Icons