GM Service Manual Online
For 1990-2009 cars only
Makes
🢒
Suzuki
🢒
2007
🢒
XL-7 AWD
🢒 Indicators
Indicators
Indicators
Master Electrical Component List
Instrument Cluster Description and Operation
Control Module References
Gages
BATT MAIN 1, CAN VENT, CLSTR, HVAC BLOWER, INFO, INT LTS, ONSTAR, REAR DEFOG, AND RVC Fuses
RUN/CRANK BUS - MAF, PCM, IGN, SIR DISPLAY, and TRANS Fuses
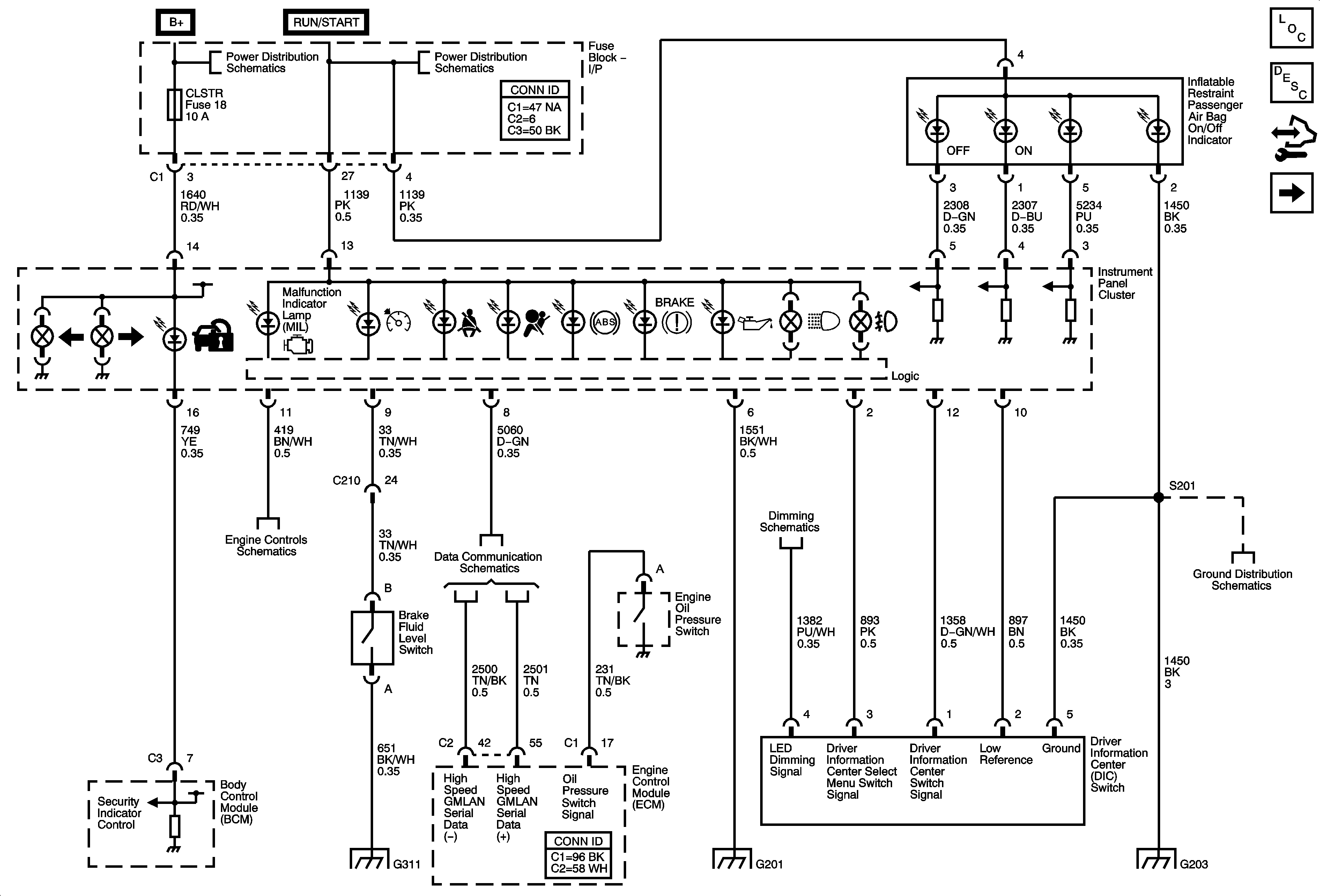
Power, Ground, MIL Schematic
G311
High Speed GMLAN
Interior Lights Dimming Schematics
G201
G203 and G205
G203 and G205