GM Service Manual Online
For 1990-2009 cars only
Makes
🢒
Suzuki
🢒
2007
🢒
XL-7 AWD
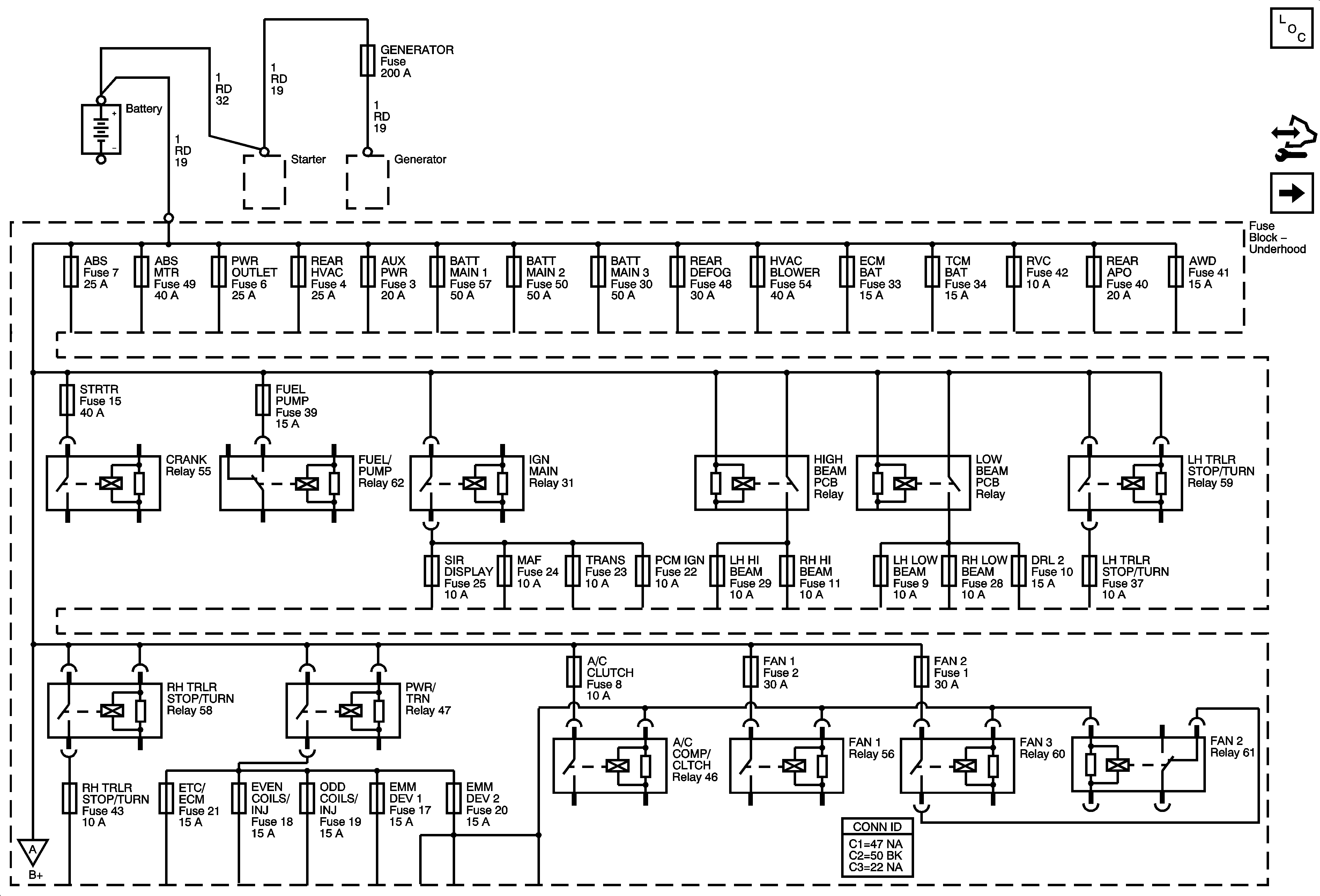
🢒 B+ BUS 1 of 2
B+ BUS 1 of 2
B+ BUS - 1 of 2
Master Electrical Component List
Control Module References
B+ BUS 2 of 2