GM Service Manual Online
For 1990-2009 cars only

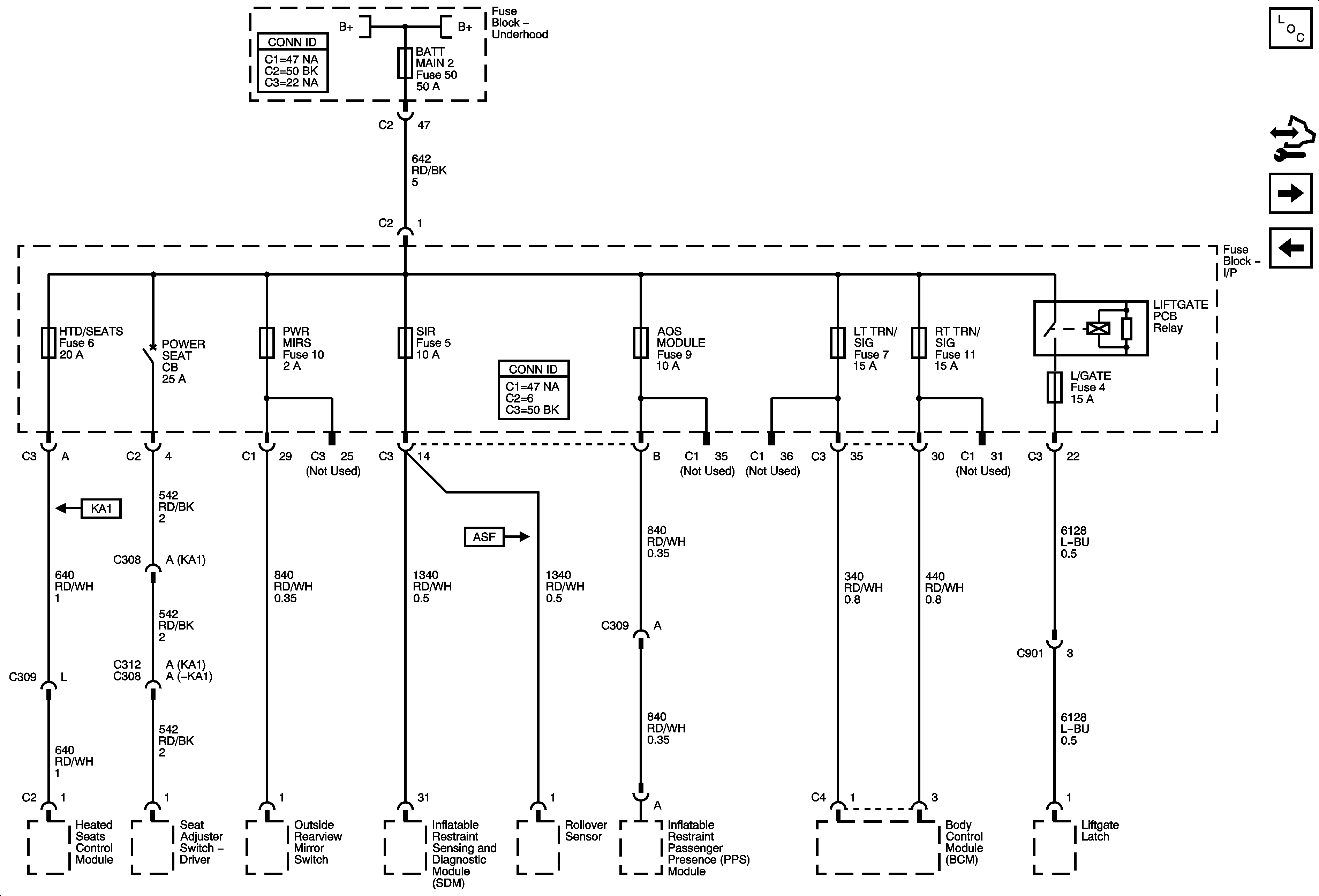
AOS MODULE, BATT MAIN 2, HTD/SEATS, L/GATE, LT TRN/SIG, PWR MIRS, RT TRN/SIG and SIR Fuses and POWER SEATS Circuit Breaker

AOS MODULE, BATT MAIN 2, HTD/SEATS, L/GATE, LT TRN/SIG, PWR MIRS, RT TRN/SIG and SIR Fuses and POWER SEATS Circuit Breaker


Object Number: 1860411  Size: FS
Master Electrical Component List
Control Module References
BATT MAIN 3, DR/LCK, RRWPR, RSE/KEY CAPTR, and S/ROOF Fuses and POWER WNDW
AMP, BCM, CHMSL/DIMR, HVAC/RFA, and RDO Fuses