GM Service Manual Online
For 1990-2009 cars only
Makes
🢒
Suzuki
🢒
2007
🢒
XL-7 AWD
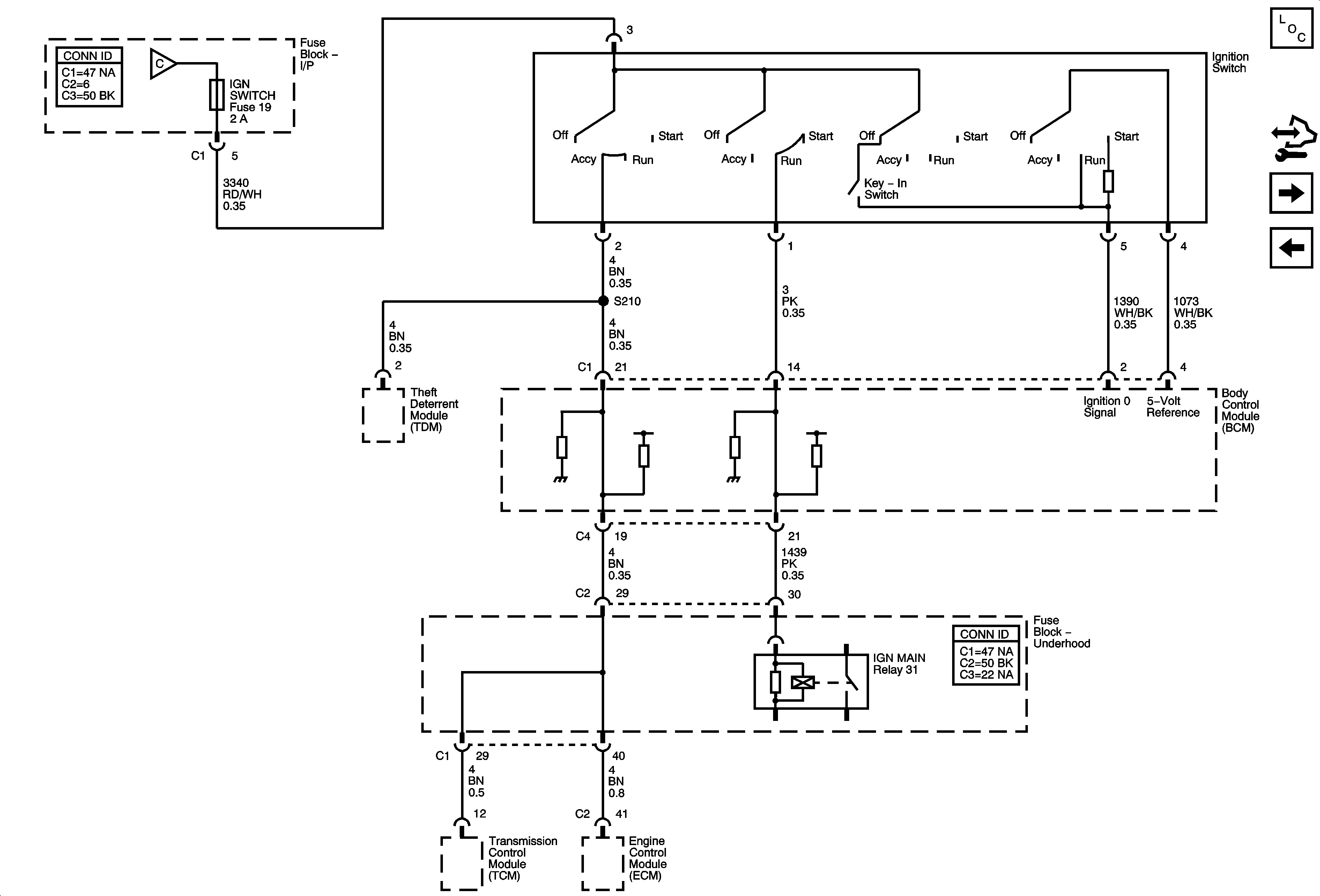
🢒 IGN SWITCH, Fuse and Ignition Switch
IGN SWITCH, Fuse and Ignition Switch
IGN SWITCH, Fuse and Ignition Switch