GM Service Manual Online
For 1990-2009 cars only

Removal Procedure


    Object Number: 1847144  Size: SH
  1. Remove the fuel injector sight shield. Refer to Fuel Injector Sight Shield Replacement.
  2. Remove the surge tank inlet hose. Refer to Radiator Surge Tank Inlet Hose/Pipe Replacement.
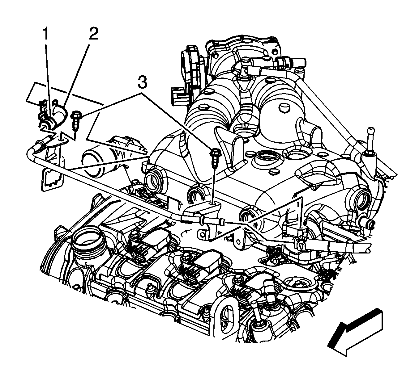
  3. Reposition the coolant air bleed hose clamp (1) at the coolant air bleed hose.
  4. Remove the coolant air bleed pipe from the coolant air bleed hose (2).
  5. Remove the coolant air bleed pipe bolts (3) from the upper intake manifold.
  6. Remove the coolant air bleed pipe from the engine.

Installation Procedure


    Object Number: 1847144  Size: SH
  1. Install the coolant air bleed pipe to the engine.
  2. Notice: Refer to Fastener Notice in the Preface section.

  3. Install the coolant air bleed pipe bolts (3) to the upper intake manifold.
  4. Tighten
    Tighten the bolt to 10 N·m (89 lb in).

  5. Install the coolant air bleed hose (2) to the coolant air bleed pipe.
  6. Position the coolant air bleed hose clamp (1) at the coolant air bleed hose.
  7. Install the surge tank inlet hose. Refer to Radiator Surge Tank Inlet Hose/Pipe Replacement.
  8. Install the fuel injector sight shield. Refer to Fuel Injector Sight Shield Replacement.