GM Service Manual Online
For 1990-2009 cars only
Figure 1:

G101


Object Number: 1914250  Size: FS
Master Electrical Component List
Control Module References
G103, G105, G107, G108, and G109
Figure 2:

G103, G105, G107, G108, and G109


Object Number: 1914253  Size: FS
Master Electrical Component List
Control Module References
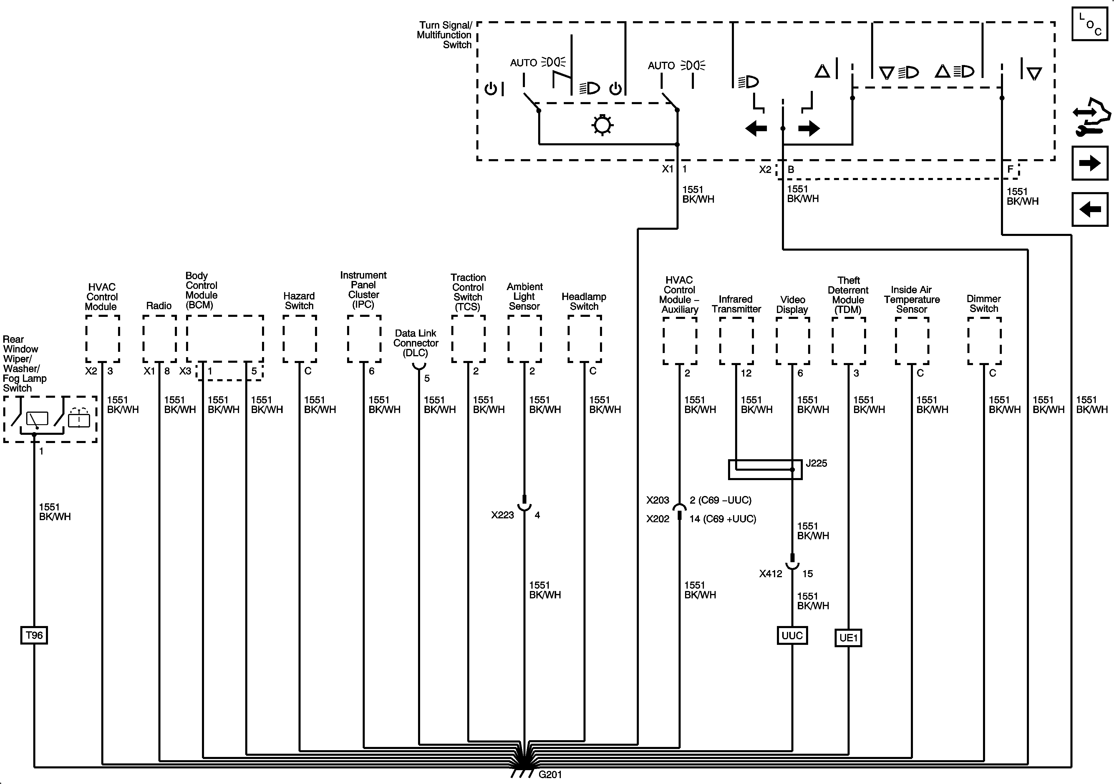
G201
G101
Figure 3:

G201


Object Number: 1914257  Size: FS
Master Electrical Component List
Control Module References
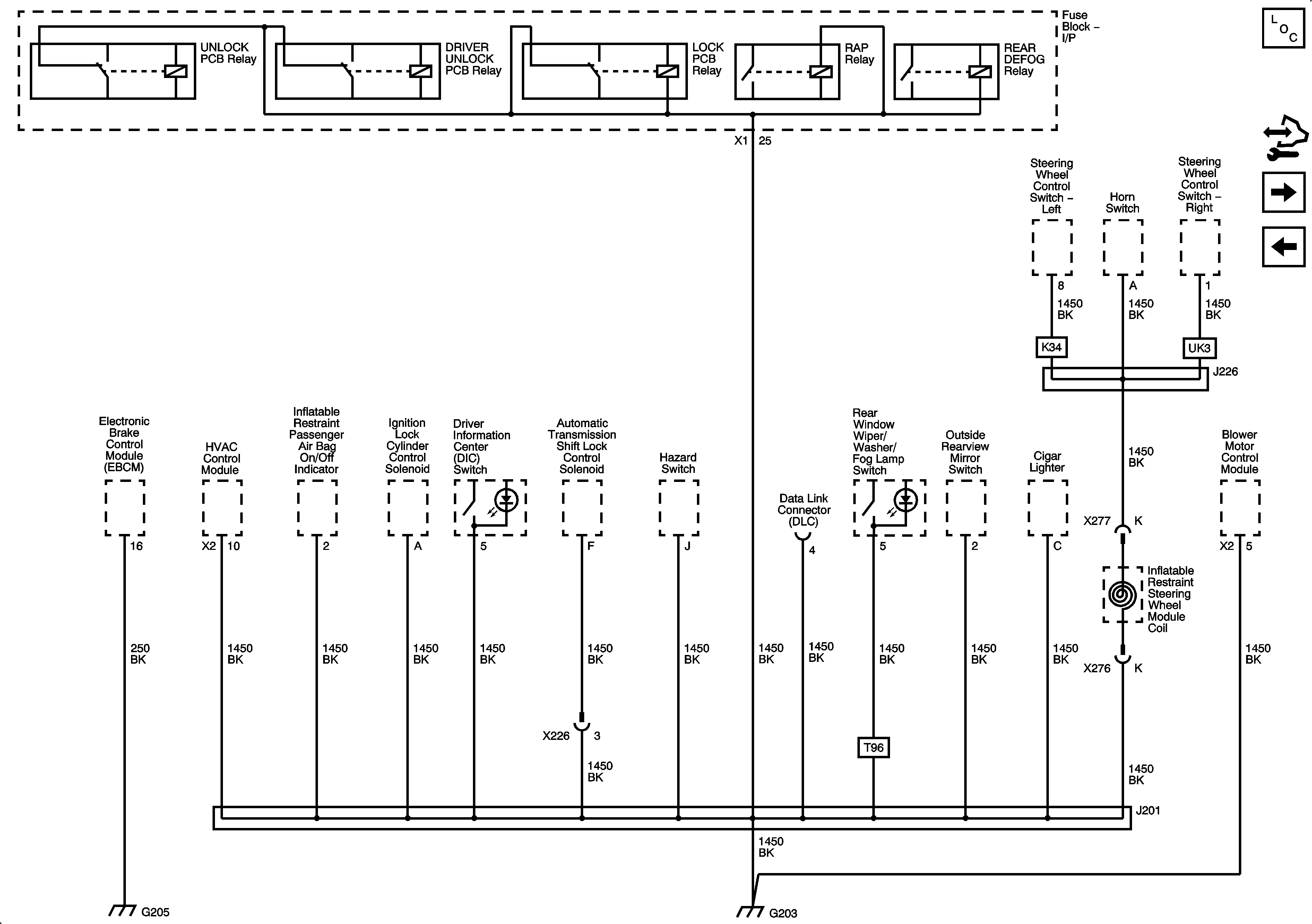
G203 and G205
G103, G105, G107, G108, and G109
Figure 4:

G203, and G205


Object Number: 1914311  Size: FS
Master Electrical Component List
Control Module References
G301
G201
Figure 5:

G301


Object Number: 1914313  Size: FS
Master Electrical Component List
Control Module References
G311
G203 and G205
Figure 6:

G311


Object Number: 1914314  Size: FS
Master Electrical Component List
Control Module References
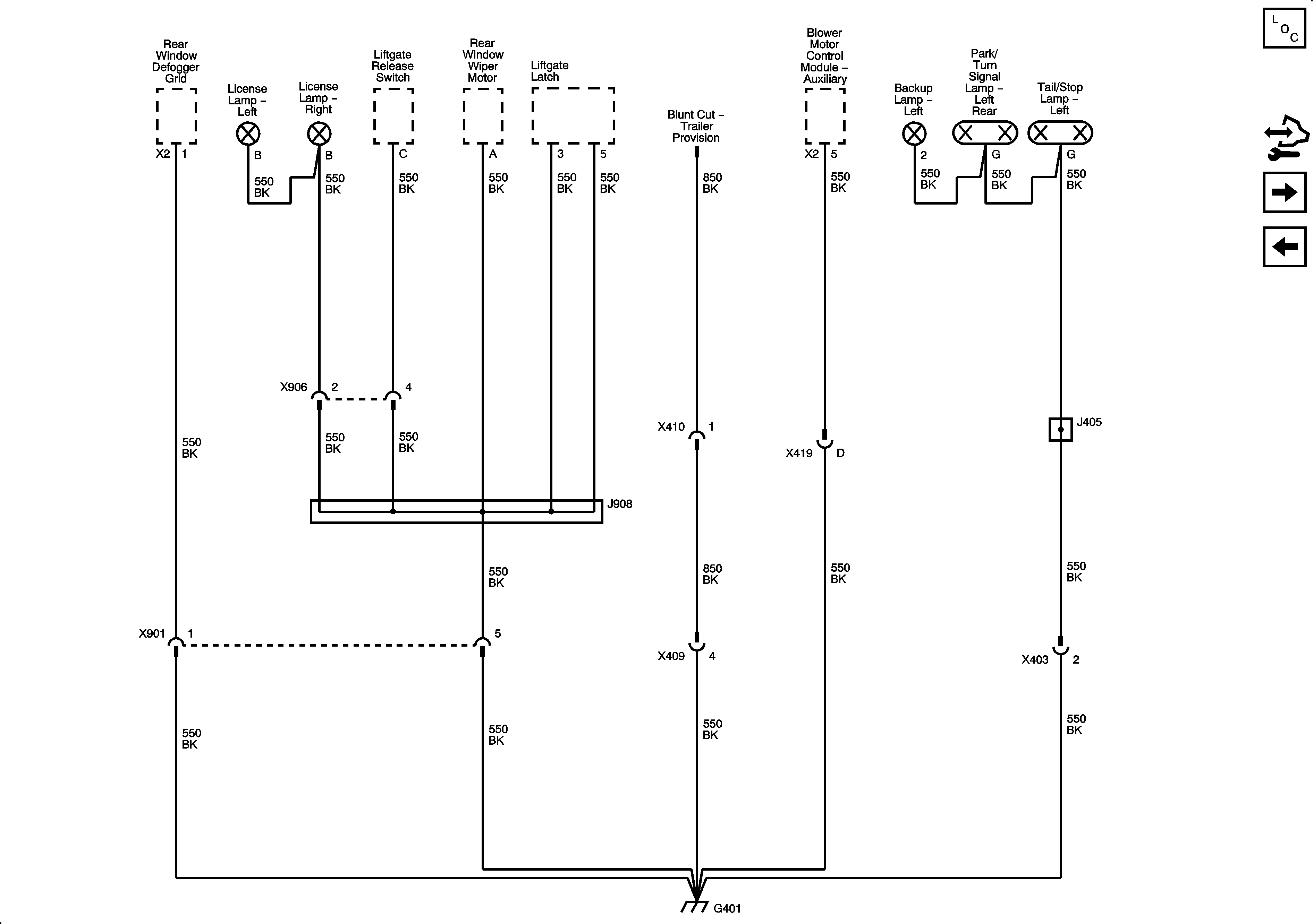
G401
G301
Figure 7:

G401


Object Number: 1914315  Size: FS
Master Electrical Component List
Control Module References
G403
G311
Figure 8:

G403


Object Number: 1914316  Size: FS
Master Electrical Component List
Control Module References
G401