GM Service Manual Online
For 1990-2009 cars only

Removal Procedure


    Object Number: 1827856  Size: SH
  1. Remove the air cleaner assembly. Refer to Air Cleaner Assembly Replacement .
  2. Remove the drive belt. Refer to Drive Belt Replacement .
  3. Support the engine. Refer to Engine Support Fixture .
  4. Raise and support the vehicle. Refer to Lifting and Jacking the Vehicle .
  5. Remove three upper engine mount bracket bolts (1).
  6. Loosen right upper front engine mount bracket bolt (2).

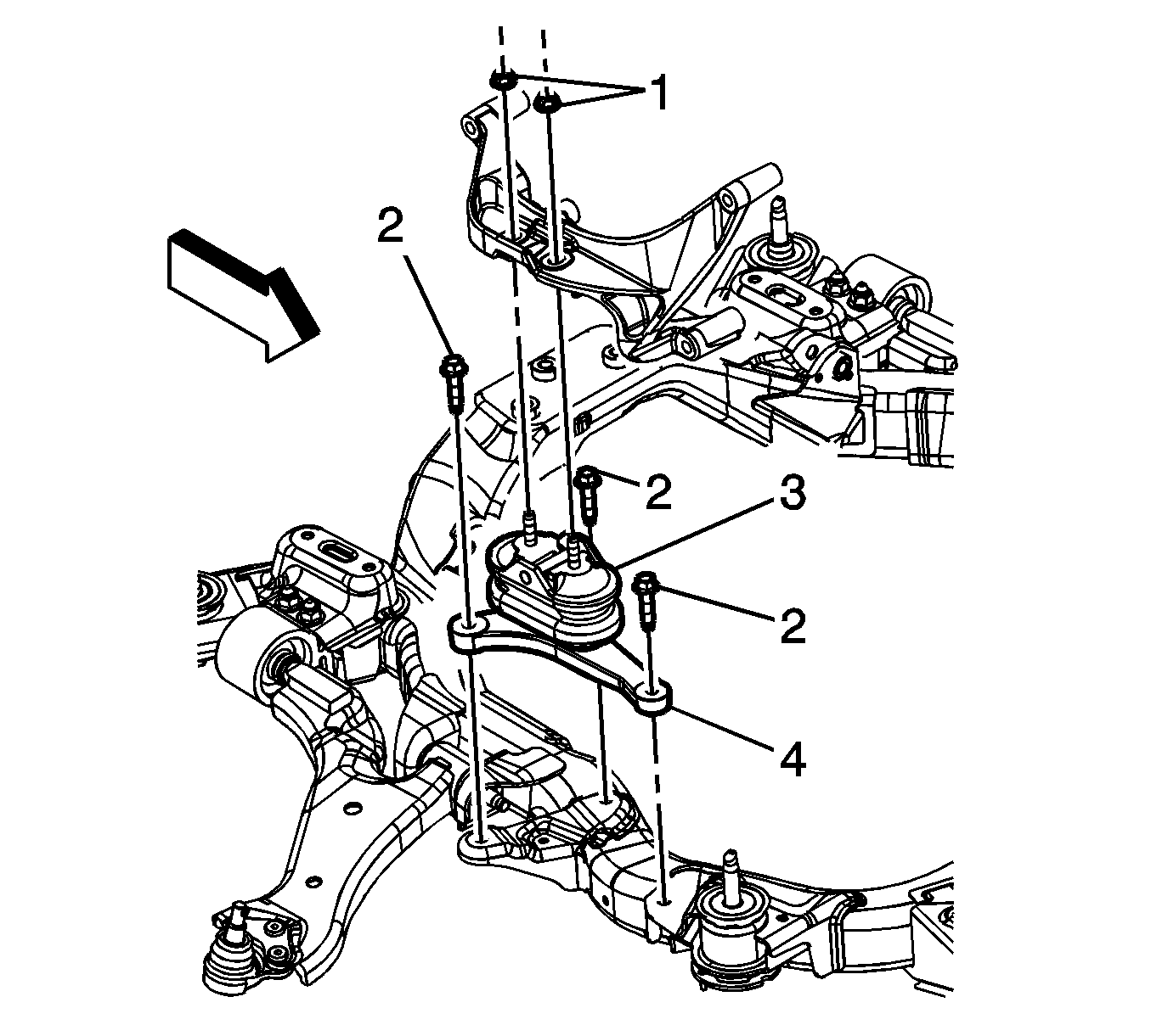
  7. Object Number: 1827873  Size: SH
  8. Remove the upper engine mount bracket nuts (1).
  9. Remove the lower bracket bolts (2).
  10. Remove the ABS connector clip from the frame.
  11. Remove the mount (3) and the lower bracket (4) from the vehicle.

  12. Object Number: 1827876  Size: SH
  13. Remove the upper bracket bolt (1) from the bracket.
  14. Remove the upper bracket.

  15. Object Number: 1827873  Size: SH
  16. Remove the engine mount (3) from the lower bracket (4).

Installation Procedure


    Object Number: 1827873  Size: SH
  1. Install the engine mount (3) to the lower bracket (4).

  2. Object Number: 1827876  Size: SH
  3. Install the engine mount upper bracket and bolt (1) to the engine. Do not tighten the bolt.
  4. Install the ABS connector clip to the bracket.
  5. Notice: Refer to Fastener Notice in the Preface section.


    Object Number: 1827873  Size: SH
  6. Install the lower bracket bolts (2).
  7. Tighten
    Tighten the lower bracket bolts to 50 N·m (37 lb ft).

  8. Tighten the upper engine mount bracket nuts (1).
  9. Tighten
    Tighten the upper engine mount bracket nuts to 50 N·m (37 lb ft).


    Object Number: 1827856  Size: SH
  10. Install the upper engine mount bracket bolts (1).
  11. Tighten
    Tighten the upper engine mount bracket bolts to 50 N·m (37 lb ft).

  12. Tighten the right upper engine mount bracket bolt (2).
  13. Tighten
    Tighten the right upper engine mount bracket bolt to 110 N·m (81 lb ft).

  14. Lower the vehicle.
  15. Remove the engine support. Refer to Engine Support Fixture .
  16. Install the drive belt. Refer to Drive Belt Replacement .
  17. Install the air cleaner assembly. Refer to Air Cleaner Assembly Replacement .