GM Service Manual Online
For 1990-2009 cars only
Figure 1:

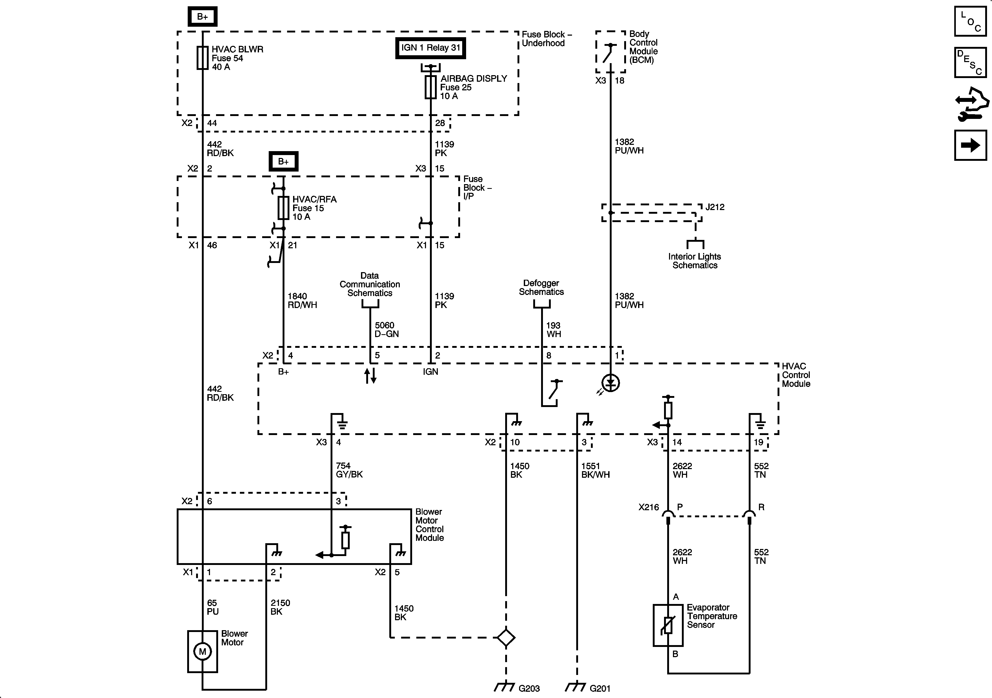
Power, Ground, and Blower Controls


Object Number: 1914208  Size: FS
Master Electrical Component List
Air Delivery Description and Operation
Control Module References
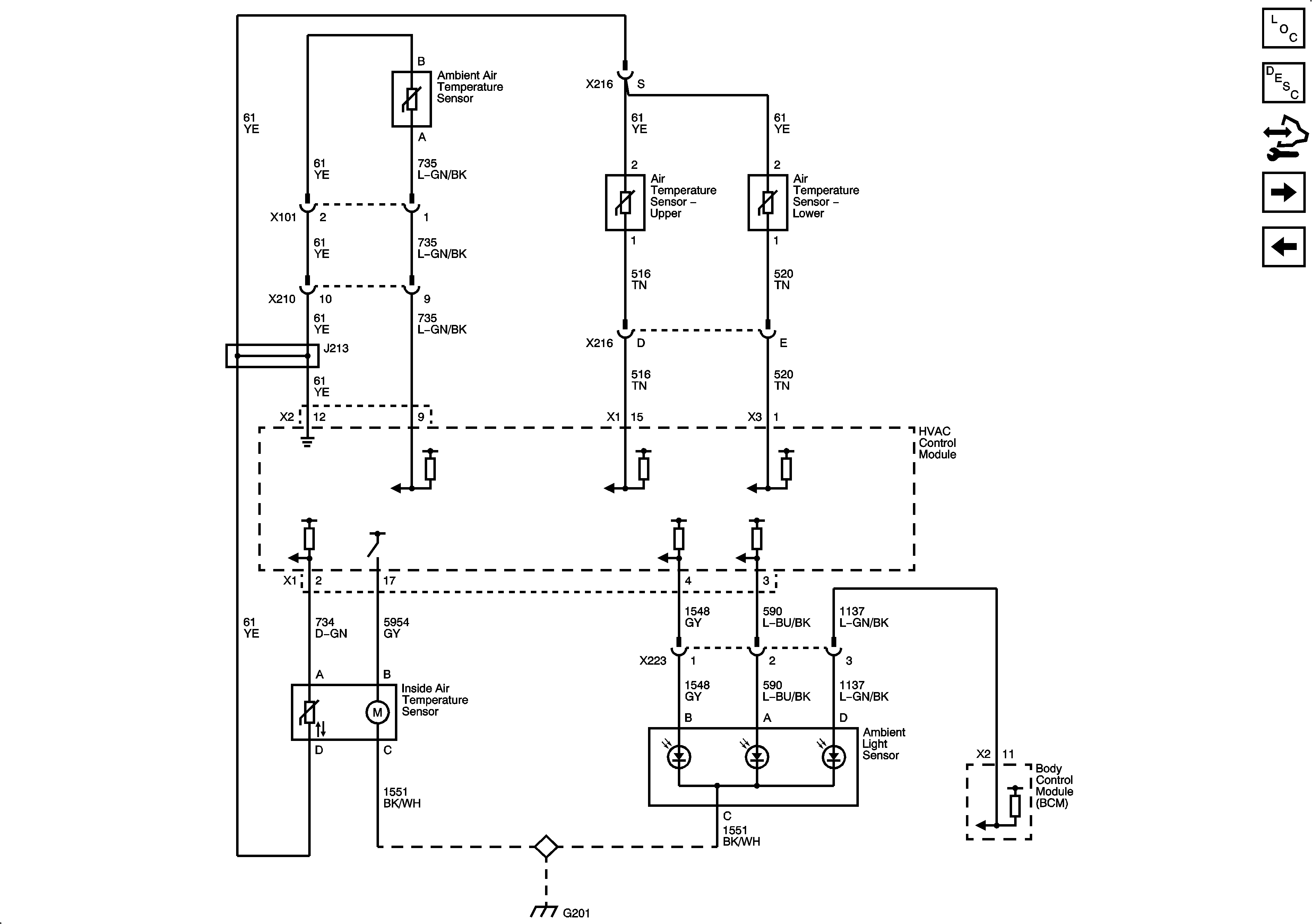
Air Temperature and Ambient Light Sensors
Figure 2:

Air Temperature and Ambient Light Sensors


Object Number: 1914212  Size: FS
Master Electrical Component List
Air Delivery Description and Operation
Control Module References
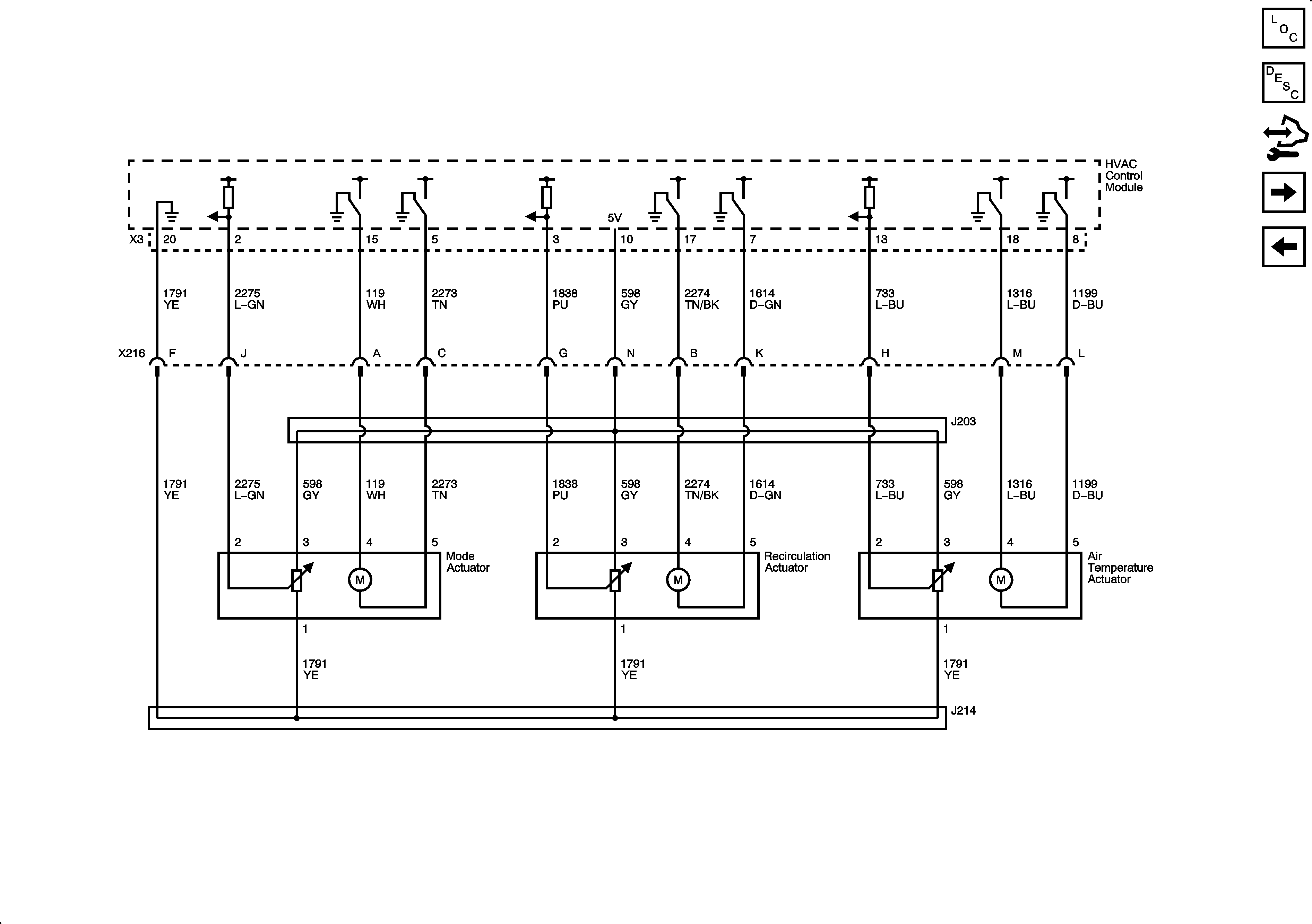
Mode, Recirculation, and Temperature Actuators
Power, Ground, and Blower Controls
Figure 3:

Mode, Recirculation, and Temperature Actuators


Object Number: 1914215  Size: FS
Master Electrical Component List
Air Delivery Description and Operation
Control Module References
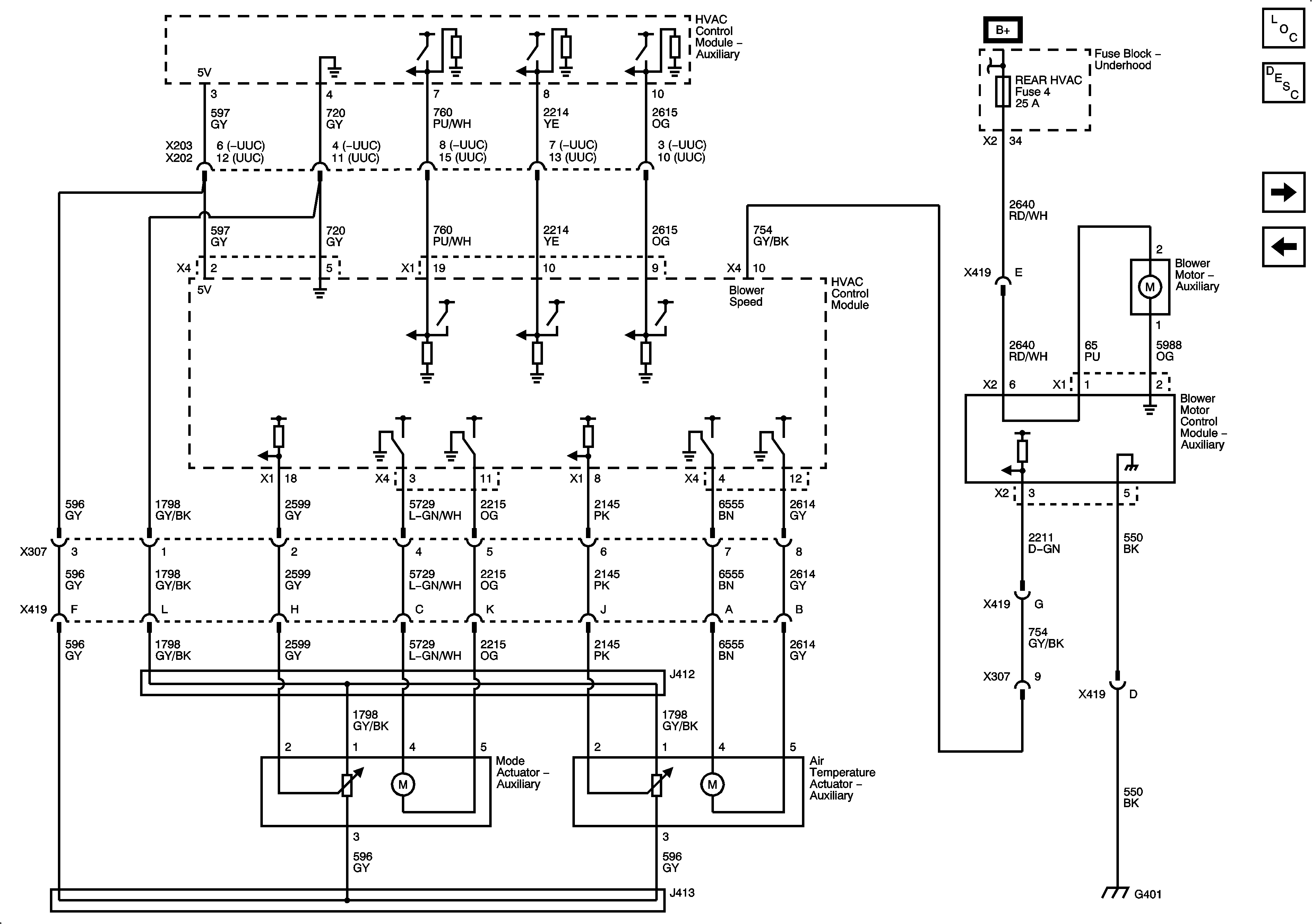
Rear HVAC Controls and Actuators
Air Temperature and Ambient Light Sensors
Figure 4:

Rear HVAC Controls and Actuators


Object Number: 1914218  Size: FS
Master Electrical Component List
Air Delivery Description and Operation
Control Module References
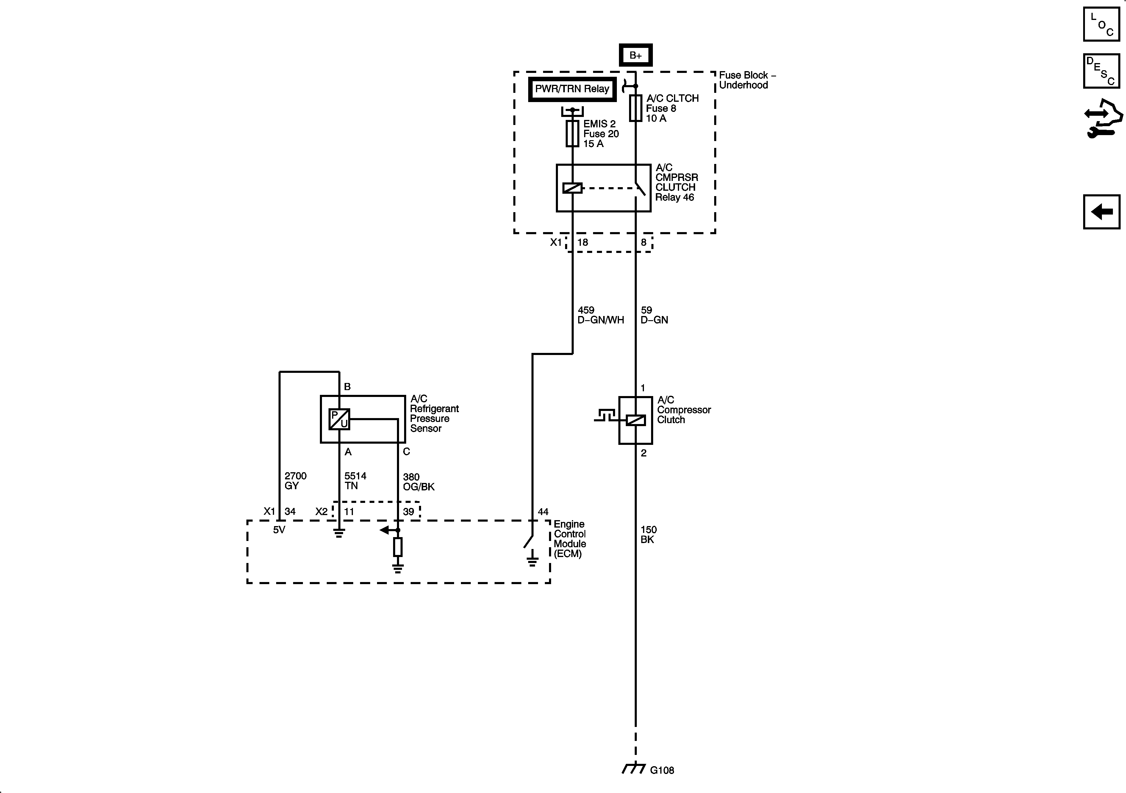
A/C Compressor Controls
Mode, Recirculation, and Temperature Actuators
Figure 5:

A/C Compressor Controls


Object Number: 1914219  Size: FS
Master Electrical Component List
Air Delivery Description and Operation
Control Module References
Rear HVAC Controls and Actuators