GM Service Manual Online
For 1990-2009 cars only
Makes
🢒
Suzuki
🢒
2008
🢒
XL-7 AWD
🢒
Diagnostic Navigation
🢒
Vehicle Diagnostic Information
🢒 Instrument Cluster Schematics
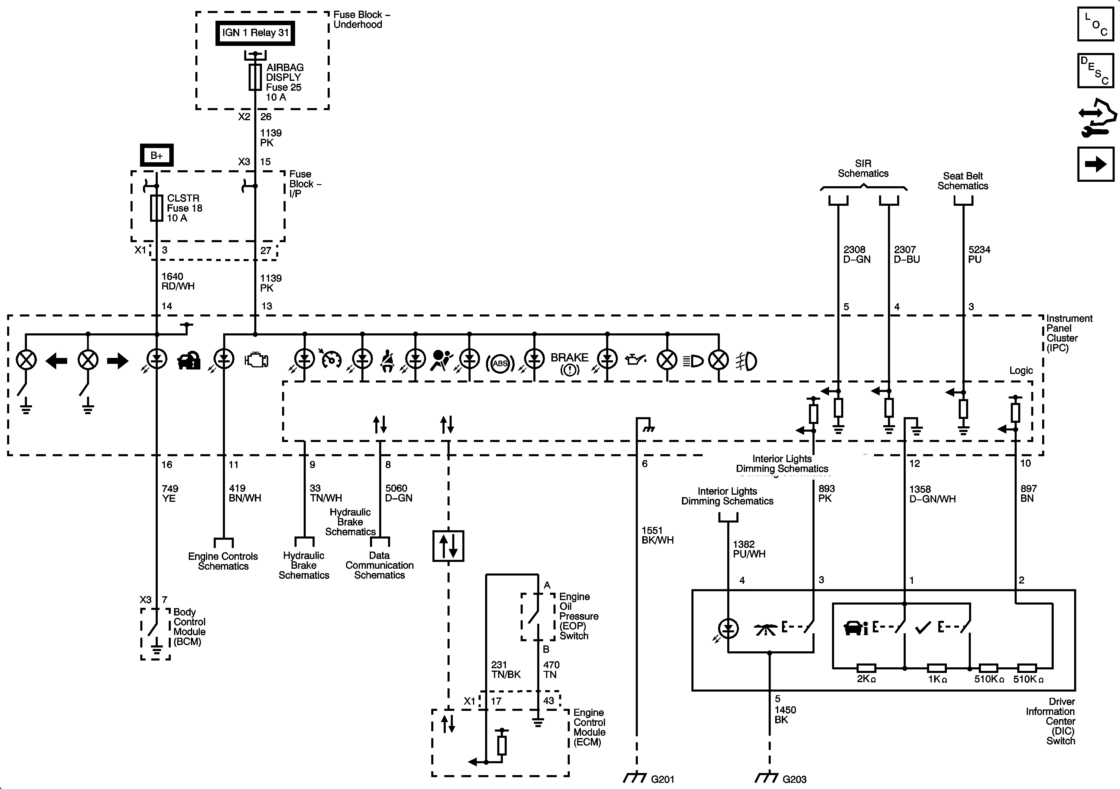
Figure
1:
Indicators
Master Electrical Component List
Instrument Cluster Description and Operation
Control Module References
Gages
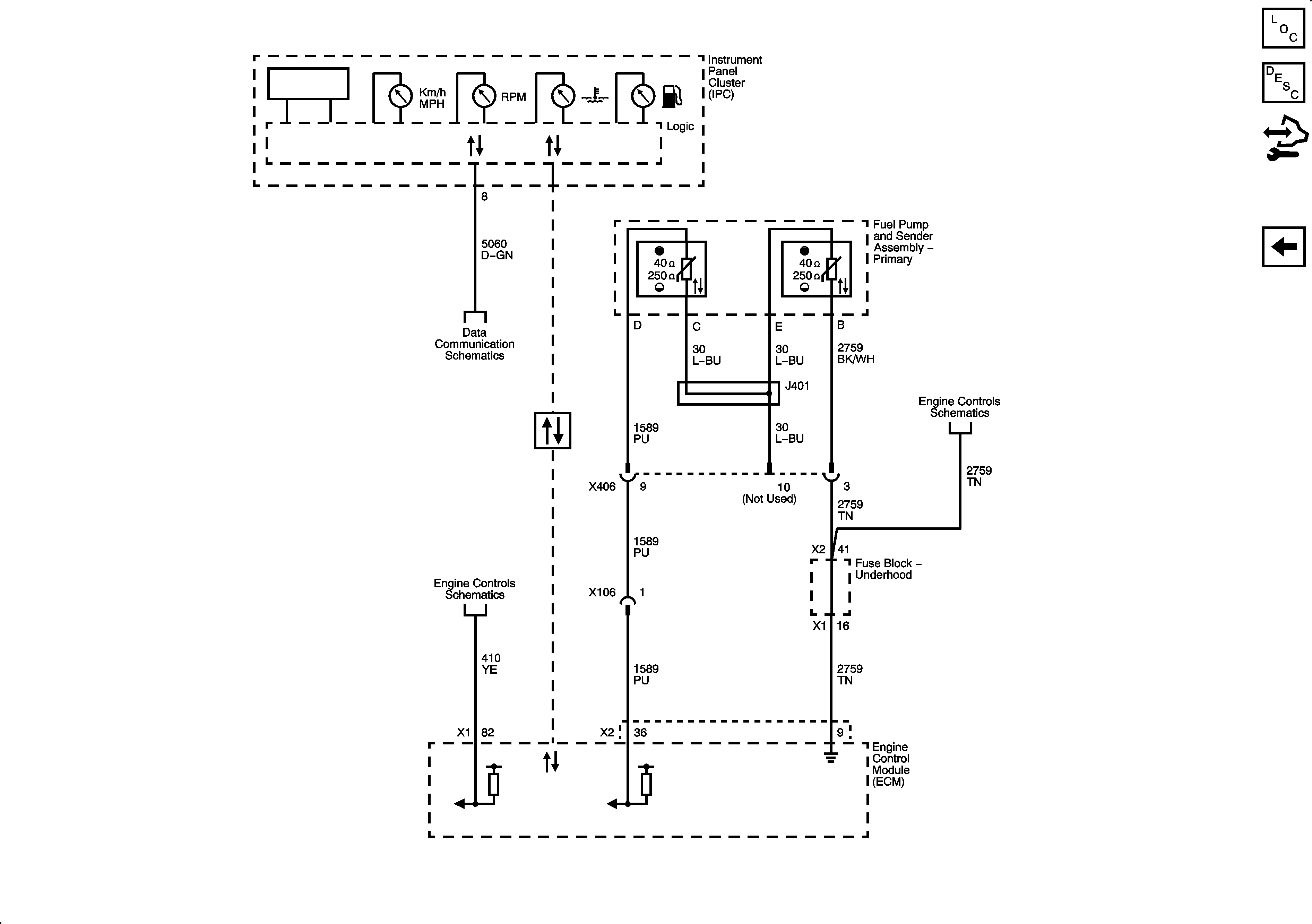
Figure
2:
Gages
Master Electrical Component List
Instrument Cluster Description and Operation
Control Module References
Indicators