GM Service Manual Online
For 1990-2009 cars only
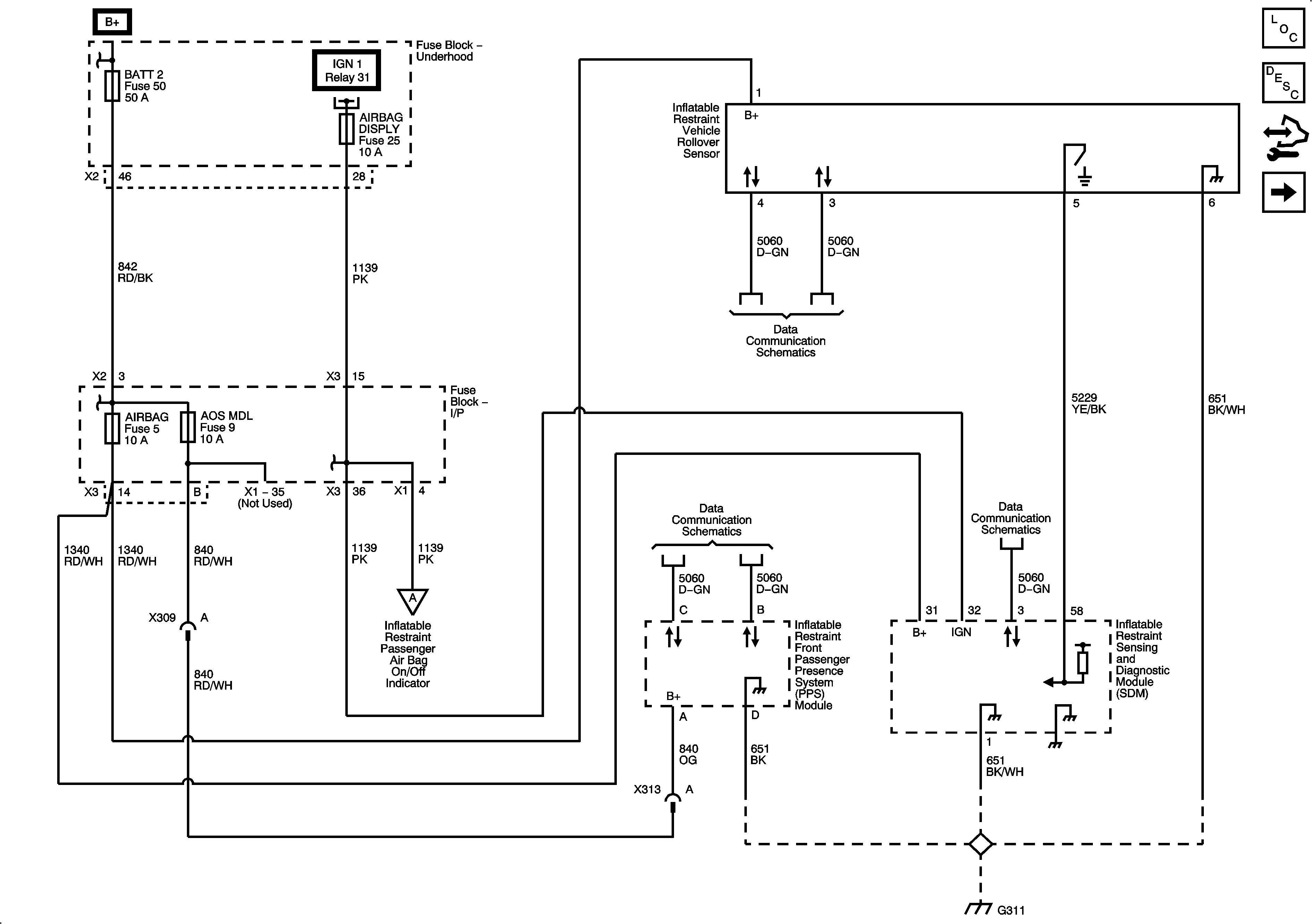
Figure 1:

Power, Ground, Roll Over Sensor, and PPS


Object Number: 1914405  Size: FS
Master Electrical Component List
SIR System Description and Operation
Control Module References
Modules and Sensors
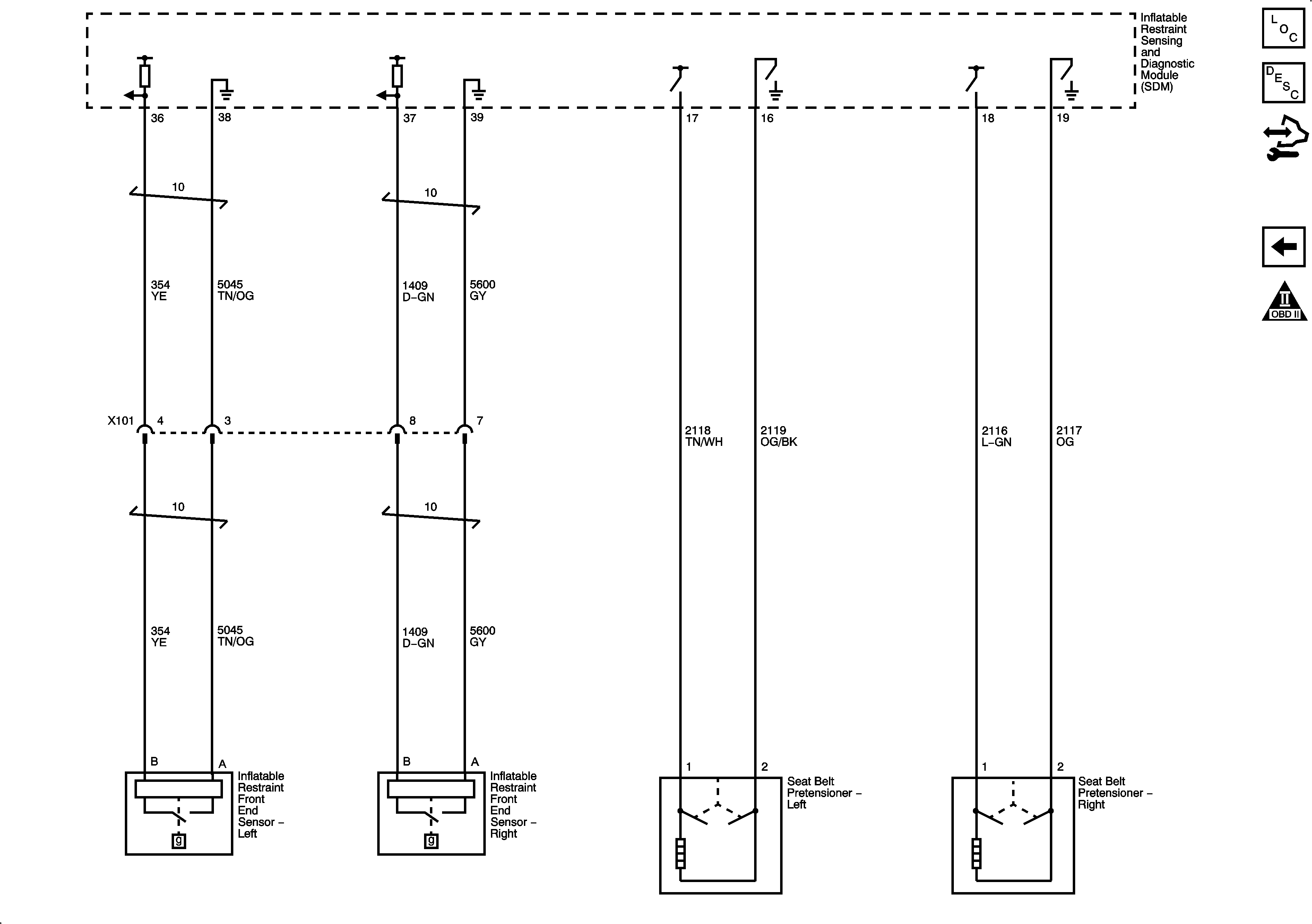
Figure 2:

Modules and Sensors


Object Number: 1914407  Size: FS
Master Electrical Component List
SIR System Description and Operation
Control Module References
Pretensioners and Front End Sensors
Power, Ground, Rollover Sensor, and PPS Schematics
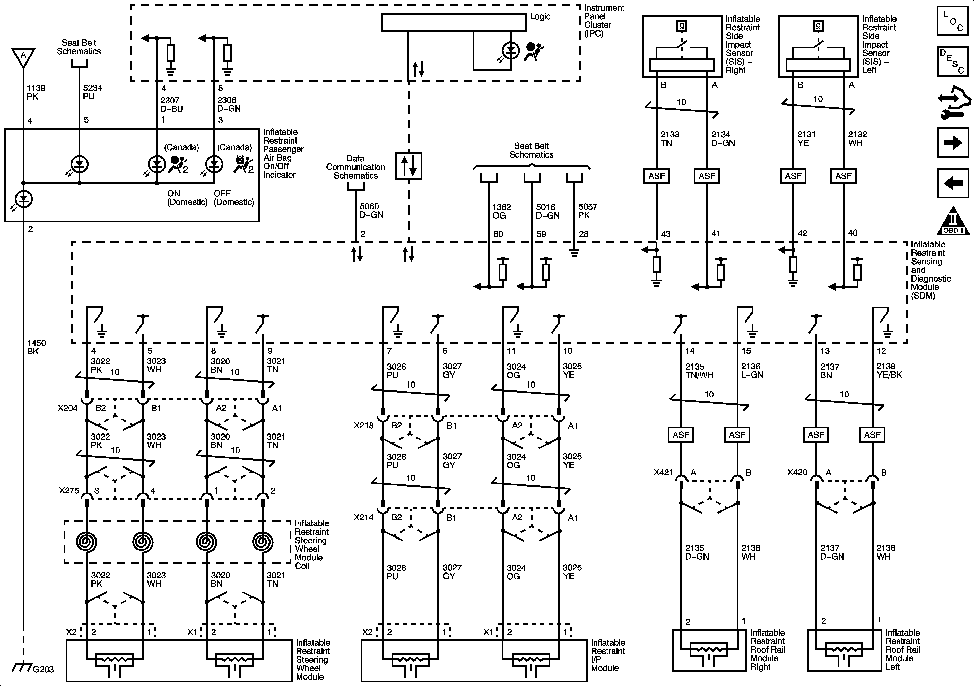
Figure 3:

Pretensioners and Front End Sensors


Object Number: 1914410  Size: FS
Master Electrical Component List
SIR System Description and Operation
Control Module References
Modules and Sensors