GM Service Manual Online
For 1990-2009 cars only
Makes
🢒
Suzuki
🢒
2008
🢒
XL-7 AWD
🢒
Diagnostic Navigation
🢒
Vehicle Diagnostic Information
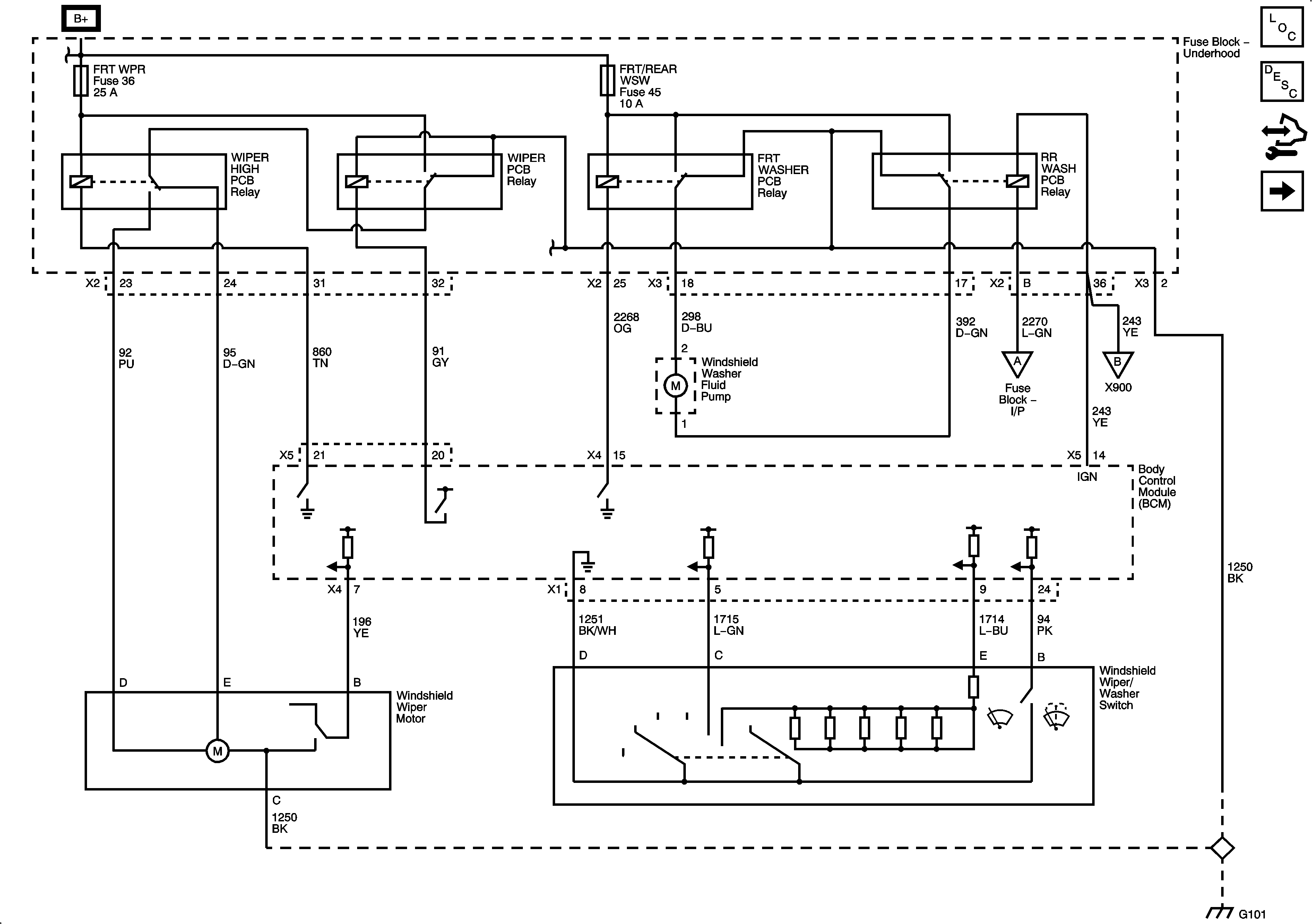
🢒 Wiper/Washer Schematics
Figure
1:
Front Wiper
Master Electrical Component List
Wiper/Washer System Description and Operation
Control Module References
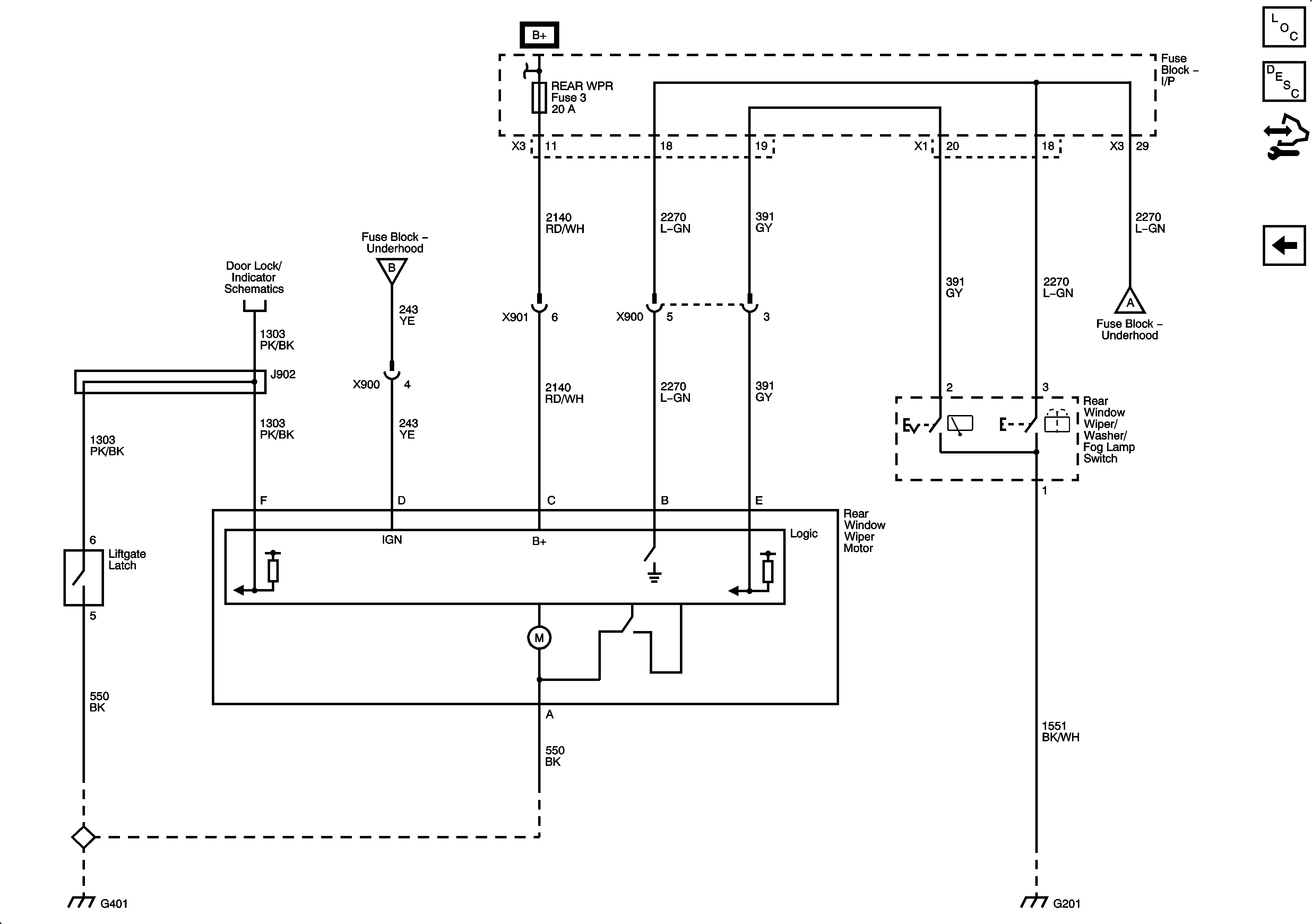
Rear Wiper
Figure
2:
Rear Wiper
Master Electrical Component List
Wiper/Washer System Description and Operation
Control Module References
Front Wiper