GM Service Manual Online
For 1990-2009 cars only
Makes
🢒
Suzuki
🢒
2008
🢒
XL-7 AWD
🢒
Diagnostic Navigation
🢒
Vehicle Diagnostic Information
🢒 Antilock Brake System Schematics
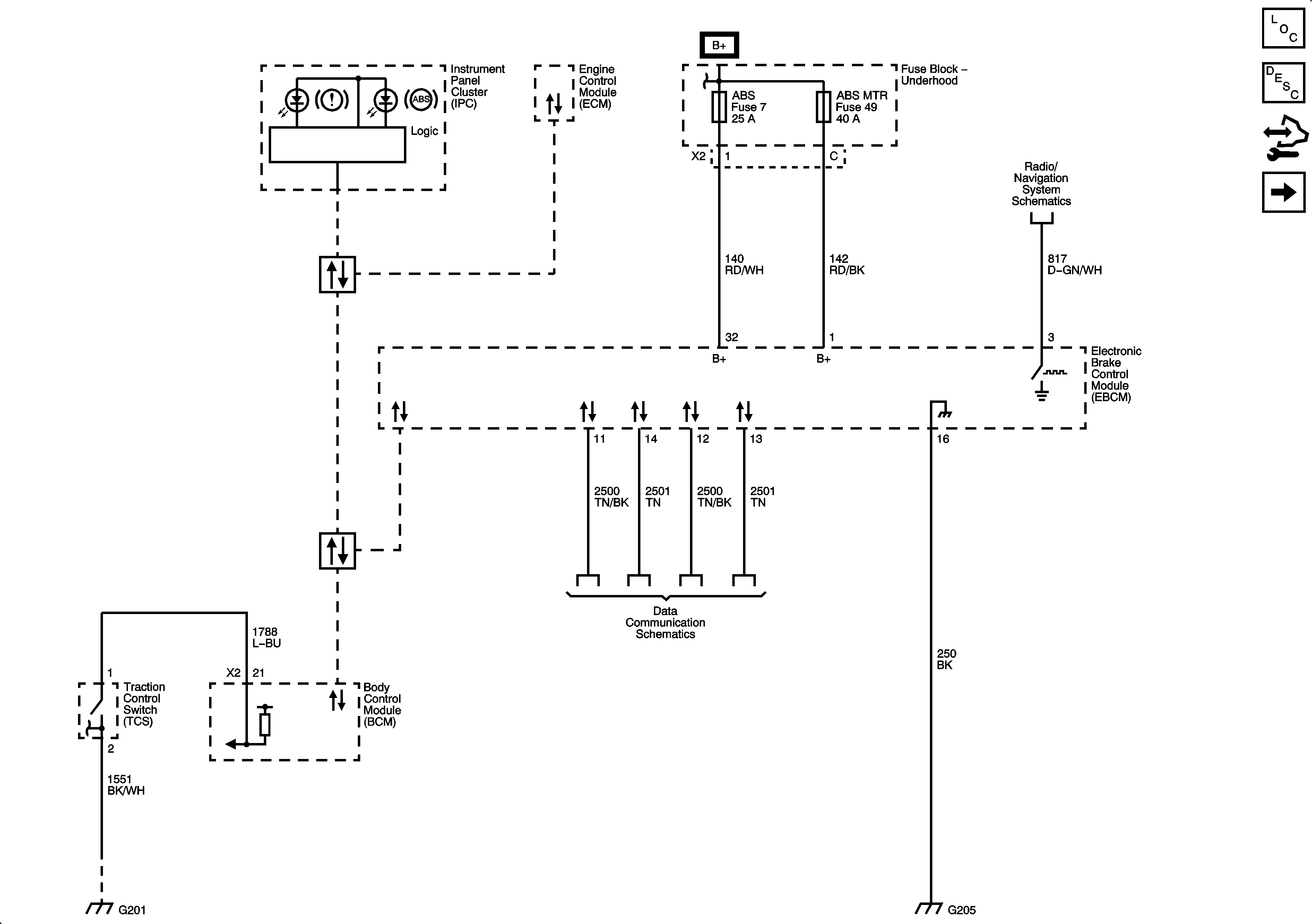
Figure
1:
Serial Data, Traction Switch, and Instrument Panel
Master Electrical Component List
ABS Description and Operation
Control Module References
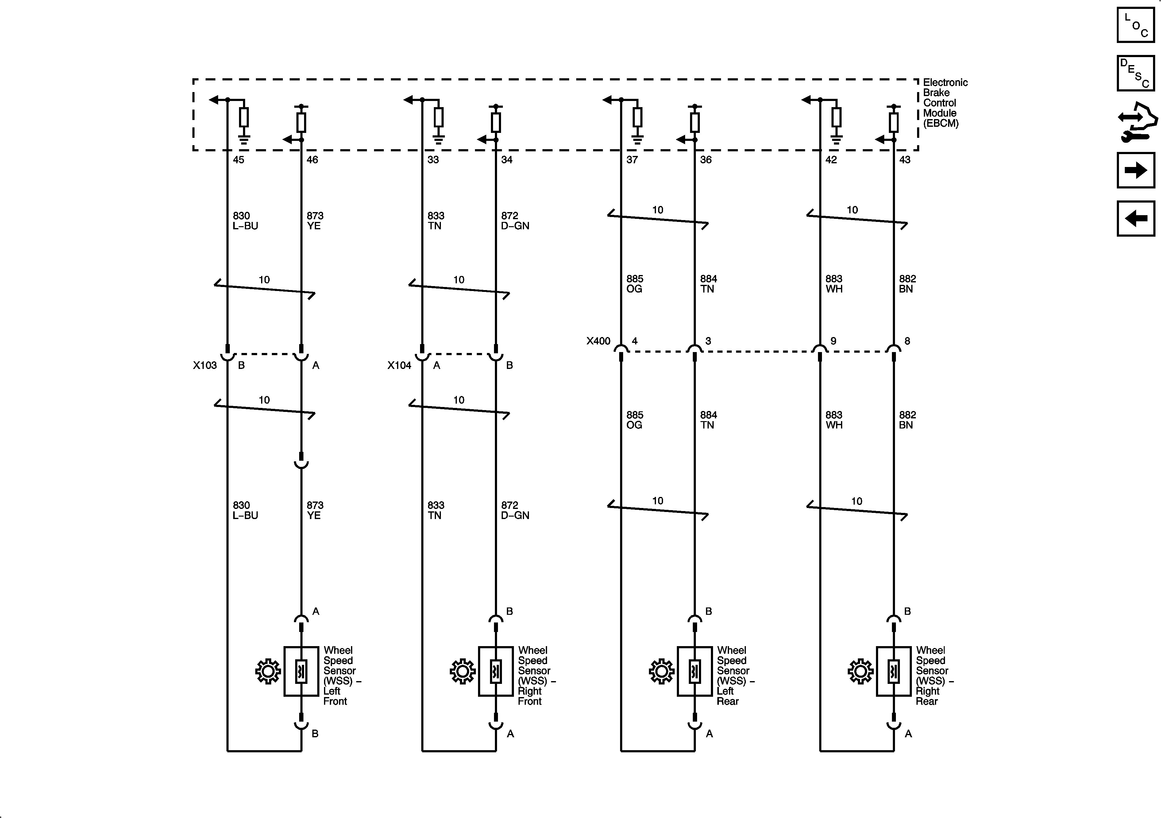
Wheel Speed Sensor
Figure
2:
Wheel Speed Sensor
Master Electrical Component List
ABS Description and Operation
Control Module References
Yaw Rate and Lateral Accelerator Sensor, and Steering Angle Sensor
Serial Data, Traction Switch, and Instrument Panel
Figure
3:
Yaw Rate and Lateral Accelerator Sensor, and Steering Angle Sensor
Master Electrical Component List
ABS Description and Operation
Control Module References
Wheel Speed Sensor