GM Service Manual Online
For 1990-2009 cars only
Makes
🢒
Suzuki
🢒
2008
🢒
XL-7 AWD
🢒
Body Systems
🢒
Mirrors
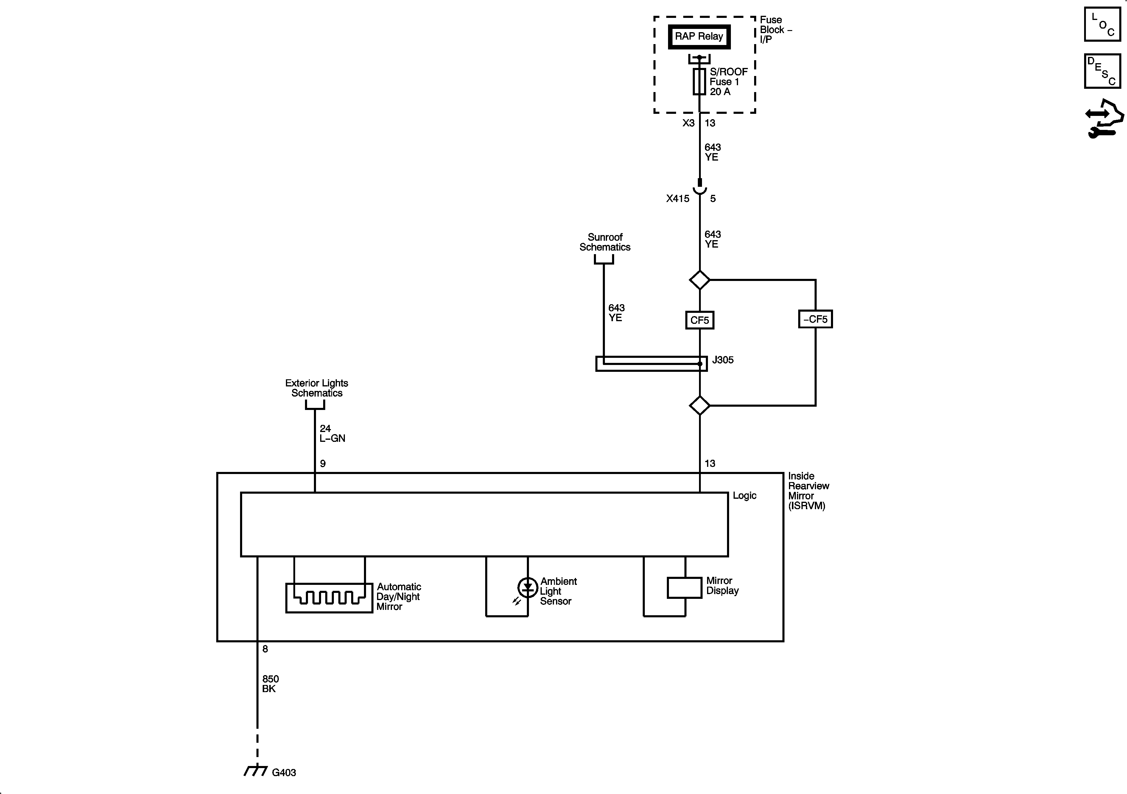
🢒 Inside Rearview Mirror Schematics
Master Electrical Component List
Automatic Day-Night Mirror Description and Operation
Control Module References