GM Service Manual Online
For 1990-2009 cars only

Removal Procedure

  1. Remove the battery tray. Refer to Battery Tray Replacement .
  2. Remove the shift control cable bracket. Refer to Shift Control Cable Bracket Replacement .
  3. Disconnect the electrical connector from the transaxle control module.
  4. Remove the battery negative cable and wire harness ground from the transaxle stud.
  5. Remove the nut and fuel line retaining clip from the transaxle.
  6. Secure the wire harness, and shift cable up away from the transaxle.

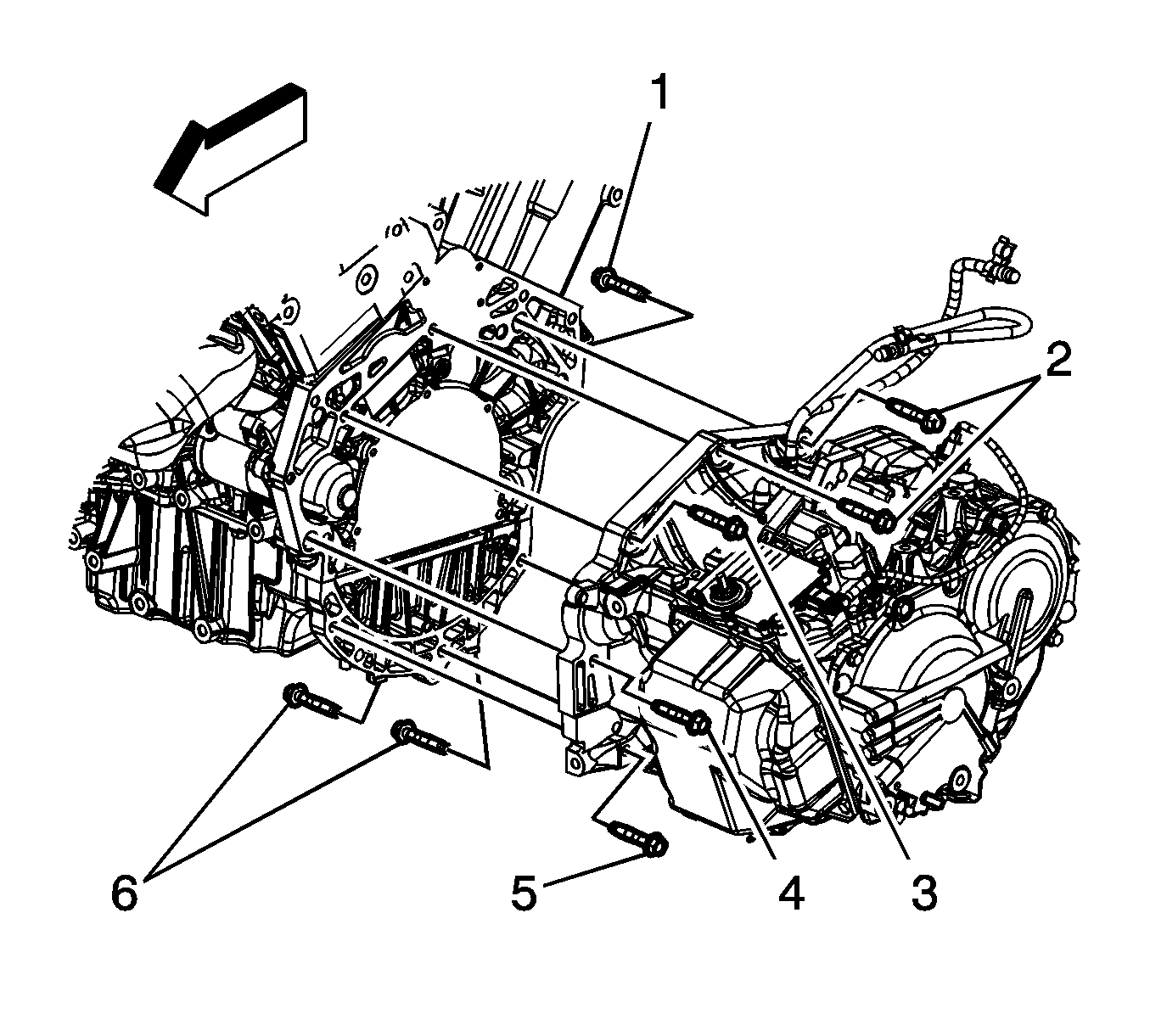
  7. Object Number: 1871350  Size: SH
  8. Remove the upper 4 transaxle-to-engine bolts (2, 3, 4).
  9. Remove the frame. Refer to Frame Replacement .
  10. Raise the vehicle up away from the frame and remove the frame from under the vehicle.
  11. Drain the transaxle fluid. Refer to Transmission Fluid Replacement .

  12. Object Number: 945444  Size: SH
  13. Remove the transaxle oil cooler pipes from the transaxle. Refer to Oil Cooler Hose/Pipe Replacement .
  14. Remove the engine-to-transaxle brace if equipped. Refer to Transmission Brace Replacement .
  15. Remove the starter motor. Refer to Starter Motor Replacement .

  16. Object Number: 1371143  Size: SH
  17. Turn the crankshaft balancer bolt clockwise to gain access to the torque converter-to-flywheel bolts through the starter motor hole.
  18. Important: Mark the relation of the flywheel to torque converter for reassembly.

  19. Remove the torque converter-to-flywheel bolts.
  20. Remove the front transmission mount from the transmission. Refer to Transmission Front Mount Replacement .
  21. Remove the left transmission mount bracket from the transmission. Refer to Transmission Mount Bracket Replacement - Left Side .
  22. Remove the rear transmission mount bracket from the transmission. Refer to Transmission Rear Mount Bracket Replacement .
  23. Disconnect the right and left drive shafts from the intermediate shaft and transaxle. Refer to Front Wheel Drive Shaft Replacement . Secure both drive shafts out of the way.
  24. Remove the intermediate shaft, if equipped with FWD. Refer to Intermediate Shaft Replacement .
  25. If vehicle is equipped with all wheel drive (AWD) complete the following steps:
  26. 21.1. Remove the rear propeller shaft. Refer to Propeller Shaft Replacement .
    21.2.  Remove the transfer case. Refer to Transfer Case Assembly Replacement for Getrag 760.
  27. Support the transaxle with a suitable transaxle jack.

  28. Object Number: 1871350  Size: SH
  29. Remove the 4 lower transaxle-to-engine bolts (1, 5, 6).
  30. Slide the transaxle away from the engine until the transaxle torque-converter clears the flywheel.
  31. If equipped with a drive axle seal dust cover, discard it and do not replace it.
  32. Lower the transaxle away from the vehicle.

Installation Procedure


    Object Number: 1871350  Size: SH
  1. Align and install the transaxle to the engine (1, 5, 6).
  2. Notice: Refer to Fastener Notice in the Preface section.

  3. Install the 4 lower transaxle-to-engine bolts.
  4. Tighten
    Tighten the bolts to 75 N·m (55 lb ft).

  5. If the vehicle is equipped with AWD complete the following steps:
  6. 3.1. Install the transfer case to the transaxle. Refer to Transfer Case Assembly Replacement for Getrag 760.
    3.2. Install the rear propeller shaft. Refer to Propeller Shaft Replacement .
  7. If the vehicle is equipped with FWD install the intermediate shaft. Refer to Intermediate Shaft Replacement .
  8. Install the right and left drive shafts. Refer to Front Wheel Drive Shaft Replacement .

  9. Object Number: 1371143  Size: SH
  10. Turn the crankshaft balancer bolt clockwise to gain access to the torque converter-to-flywheel bolts through the starter motor hole.
  11. Important: Align the reference marks on the flywheel and torque converter.

  12. Install the torque converter to flywheel bolts.
  13. Tighten
    Tighten the bolt to 60 N·m (44 lb ft).

  14. Install the starter motor. Refer to Starter Motor Replacement .
  15. Install the front transmission mount to the transmission. Refer to Transmission Front Mount Replacement .
  16. Install the left transmission mount bracket to the transmission. Refer to Transmission Mount Bracket Replacement - Left Side .
  17. Install the rear transmission mount bracket to the transmission. Refer to Transmission Rear Mount Bracket Replacement .
  18. Install the engine-to-transaxle brace if equipped. Refer to Transmission Brace Replacement .

  19. Object Number: 945444  Size: SH
  20. Install the transaxle oil cooler pipes to the transaxle. Refer to Oil Cooler Hose/Pipe Replacement .
  21. Install the frame to the vehicle. Refer to Frame Replacement .

  22. Object Number: 1871350  Size: SH
  23. Install the upper 4 transaxle-to-engine bolts (2, 3, 4).
  24. Tighten
    Tighten the bolts to 75 N·m (55 lb ft).

  25. Install the nut and fuel line retaining clip to the transaxle.
  26. Tighten
    Tighten the nut to 25 N·m (18 lb in).

  27. Install the battery negative cable and wire harness ground to the transaxle stud.
  28. Install the nut securing the battery negative cable and wire harness ground to the transaxle stud.
  29. Tighten
    Tighten the nut to 45 N·m (33 lb ft).

  30. Connect the electrical connector to the transaxle control module.
  31. Install the shift control cable bracket. Refer to Shift Control Cable Bracket Replacement .
  32. Install the battery tray. Refer to Battery Tray Replacement .
  33. Fill the transaxle with fluid. Refer to Transmission Fluid Replacement .
  34. Perform the transmission adaptive learn procedure. Refer to Transmission Adaptive Learn and Transmission Neutral Learn .