GM Service Manual Online
For 1990-2009 cars only

Removal Procedure

  1. Raise and support the vehicle. Refer to Lifting and Jacking the Vehicle .
  2. Support the transaxle with a height adjustable transmission stand.

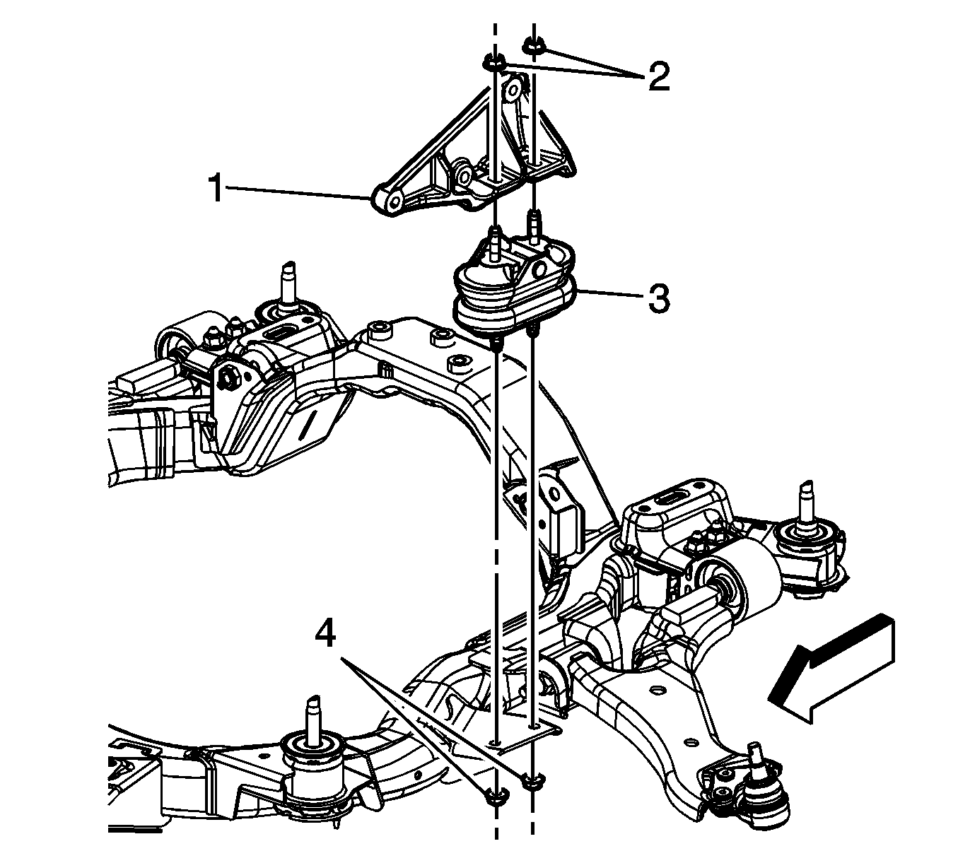
  3. Object Number: 1825491  Size: SH
  4. Remove the transaxle mount to frame nuts (4).
  5. Remove the transaxle mount to bracket nuts (2).
  6. Raise the transaxle enough to provide clearance between the frame and mount bracket (1) in order to remove the mount (3).

Installation Procedure


    Object Number: 1825491  Size: SH
  1. Position the transaxle mount in place between the frame and mount bracket (1).
  2. Lower the transaxle onto the mount (3).
  3. Notice: Refer to Fastener Notice in the Preface section.

  4. Install the transaxle mount to bracket nuts (2).
  5. Tighten
    Tighten the nuts to 37 N·m (27 lb ft).

  6. Remove the transaxle mount to frame nuts (4).
  7. Tighten
    Tighten the nuts to 37 N·m (27 lb ft).

  8. Remove the transmission stand.
  9. Lower the vehicle.