GM Service Manual Online
For 1990-2009 cars only
Makes
🢒
Suzuki
🢒
2007
🢒
XL-7 FWD
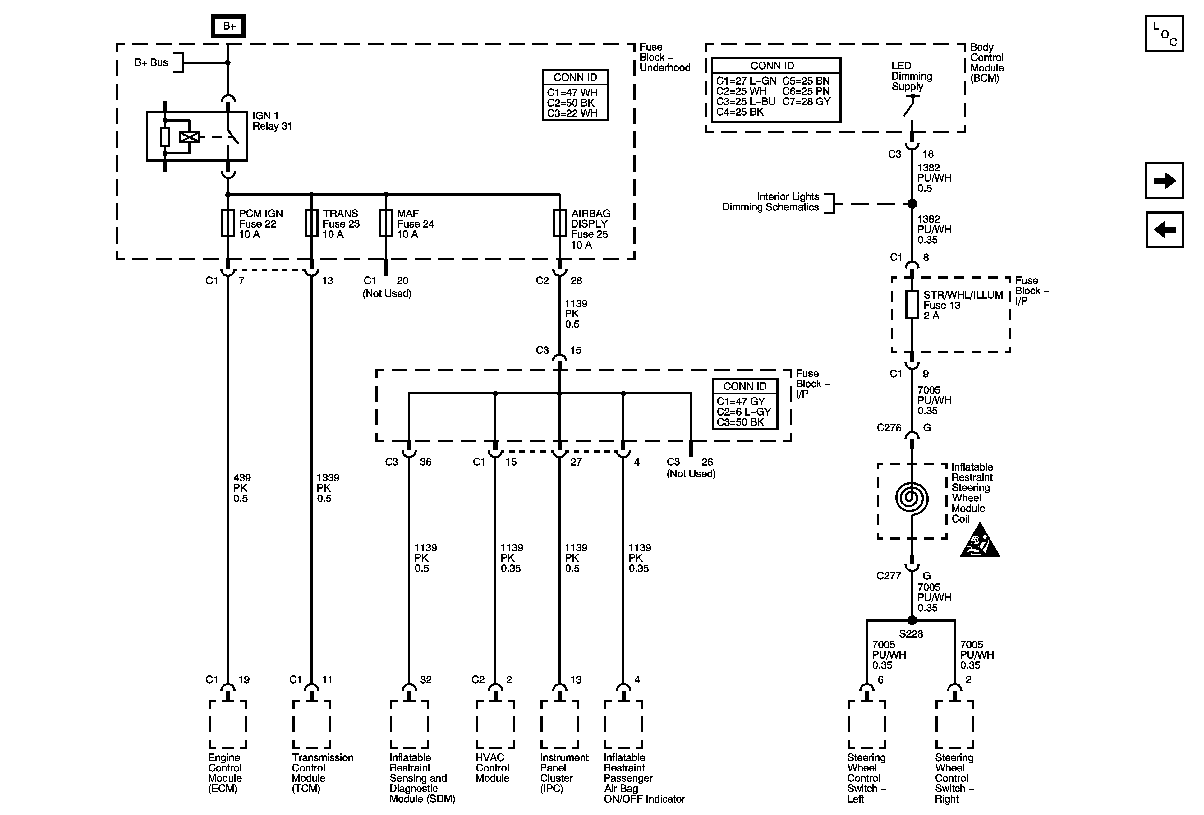
🢒 IGN 1 Relay BUS - MAF, PCM IGN, AIRBAG DISPLY and TRANS Fuses
IGN 1 Relay BUS - MAF, PCM IGN, AIRBAG DISPLY and TRANS Fuses
IGN 1 Relay Bus - MAF, PCM IGN, AIRBAG DISPLY and TRANS Fuses
Master Electrical Component List
DRL 1, DRL 2, FOG LAMP, LT HI BEAM, LT LO BEAM, RT HI BEAM and RT LO BEAM Fuses
PWR/TRN Relay BUS - EMISO1, EMISO2, ETC/ECM, EVEN COILS/INJ and ODD COILS/INJ FusesINJ
B+ BUS - 1 of 2