GM Service Manual Online
For 1990-2009 cars only
Makes
🢒
Suzuki
🢒
2007
🢒
XL-7 FWD
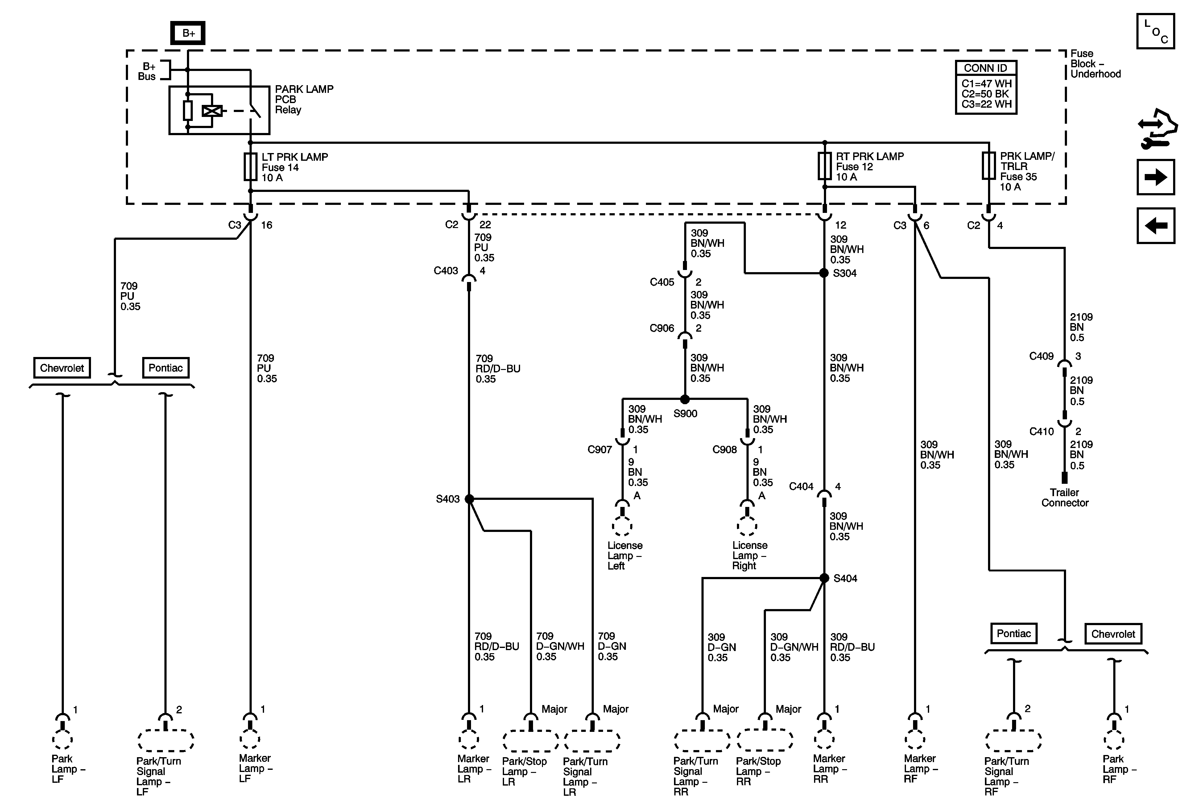
🢒 LT PRK LAMP, RT PRK LAMP and PRK LAMP TRLR Fuses
LT PRK LAMP, RT PRK LAMP and PRK LAMP TRLR Fuses
LT PRK LAMP, RT PRK LAMP and PRK LAMP/TRLR Fuses
Master Electrical Component List
Control Module References
HORN, LT TRLR STOP/TRN, RT TRLR STOP/TRN and STOP LAMP Fuses
DRL 1, DRL 2, FOG LAMP, LT HI BEAM, LT LO BEAM, RT HI BEAM and RT LO BEAM Fuses
B+ BUS - 1 of 2