GM Service Manual Online
For 1990-2009 cars only
Makes
🢒
Suzuki
🢒
2009
🢒
XL-7 FWD
🢒
Engine
🢒
Engine Cooling
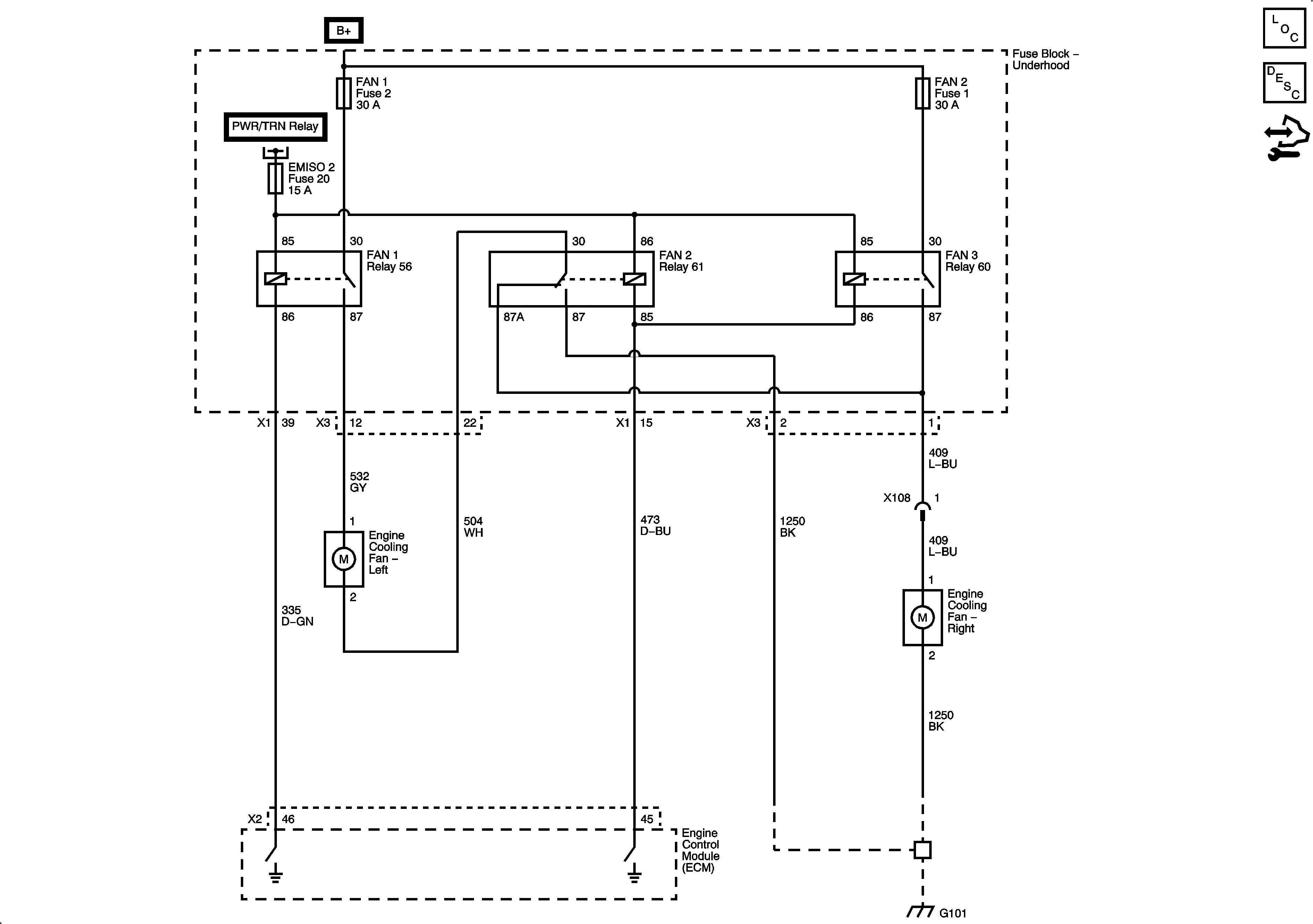
🢒 Engine Cooling Schematics
Cooling Fans
Master Electrical Component List
Cooling Fan Description and Operation
Control Module References
B+ BUS 1 of 2
PWR/TRN BUS - EMM DEV 1 and EMM DEV 2
B+ BUS 1 of 2
G101