GM Service Manual Online
For 1990-2009 cars only
Makes
🢒
Suzuki
🢒
2009
🢒
XL-7 FWD
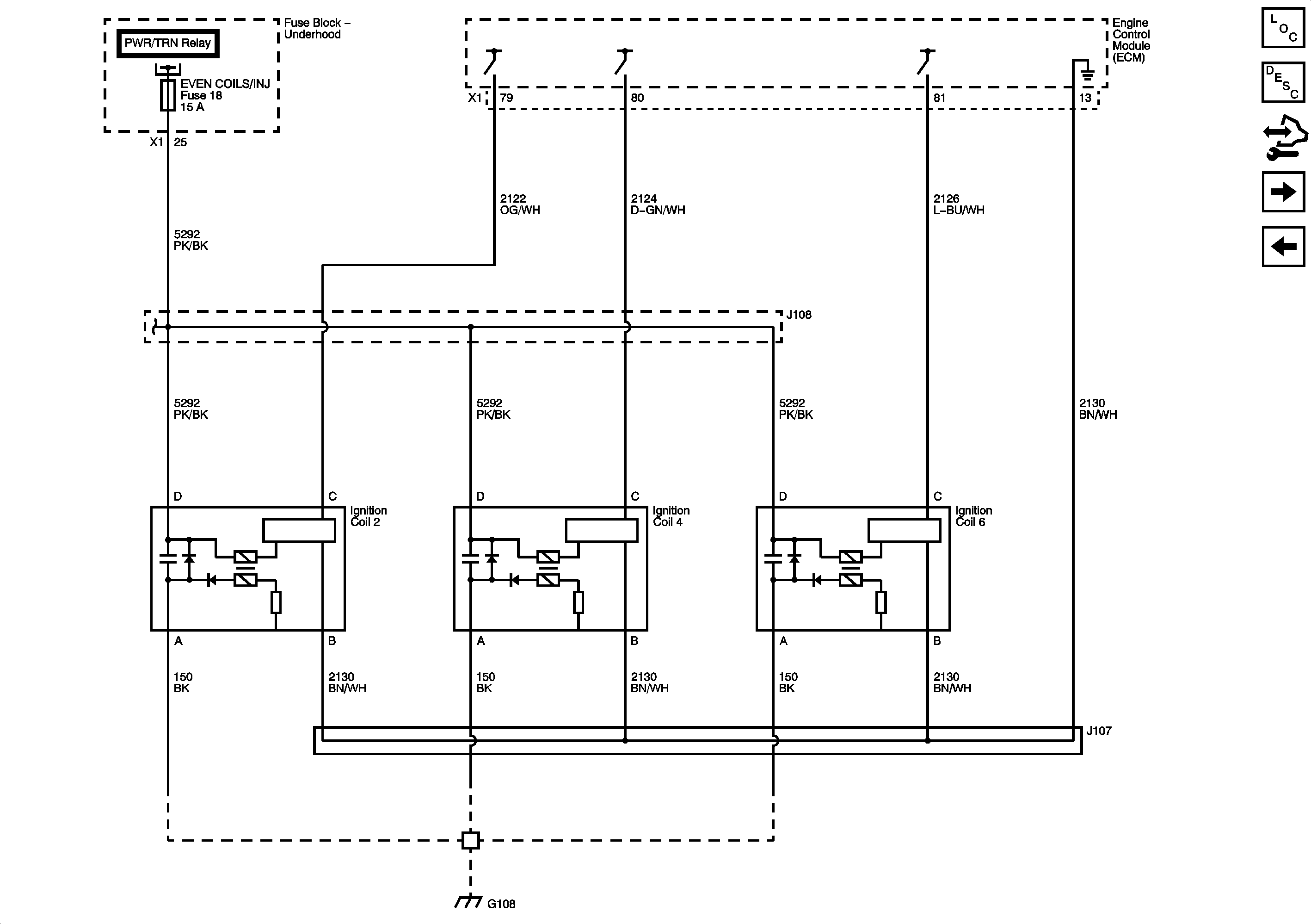
🢒 Ignition Controls - Ignition System Coils 2, 4, and 6
Ignition Controls - Ignition System Coils 2, 4, and 6
Ignition Controls - Igntion System Coils 2, 4, and 6
Master Electrical Component List
Engine Control Module Description
Control Module References
Engine Data Sensors - Camshaft and Knock
Ignition Controls - Ignition System Coils 1, 3, and 5
PWR/TRN BUS - ETC/ECM, EVEN COILS/INJ and ODD COILS/INJ Fuses
G103, G105, G107, G108, and G109