GM Service Manual Online
For 1990-2009 cars only
Makes
🢒
Suzuki
🢒
2009
🢒
XL-7 FWD
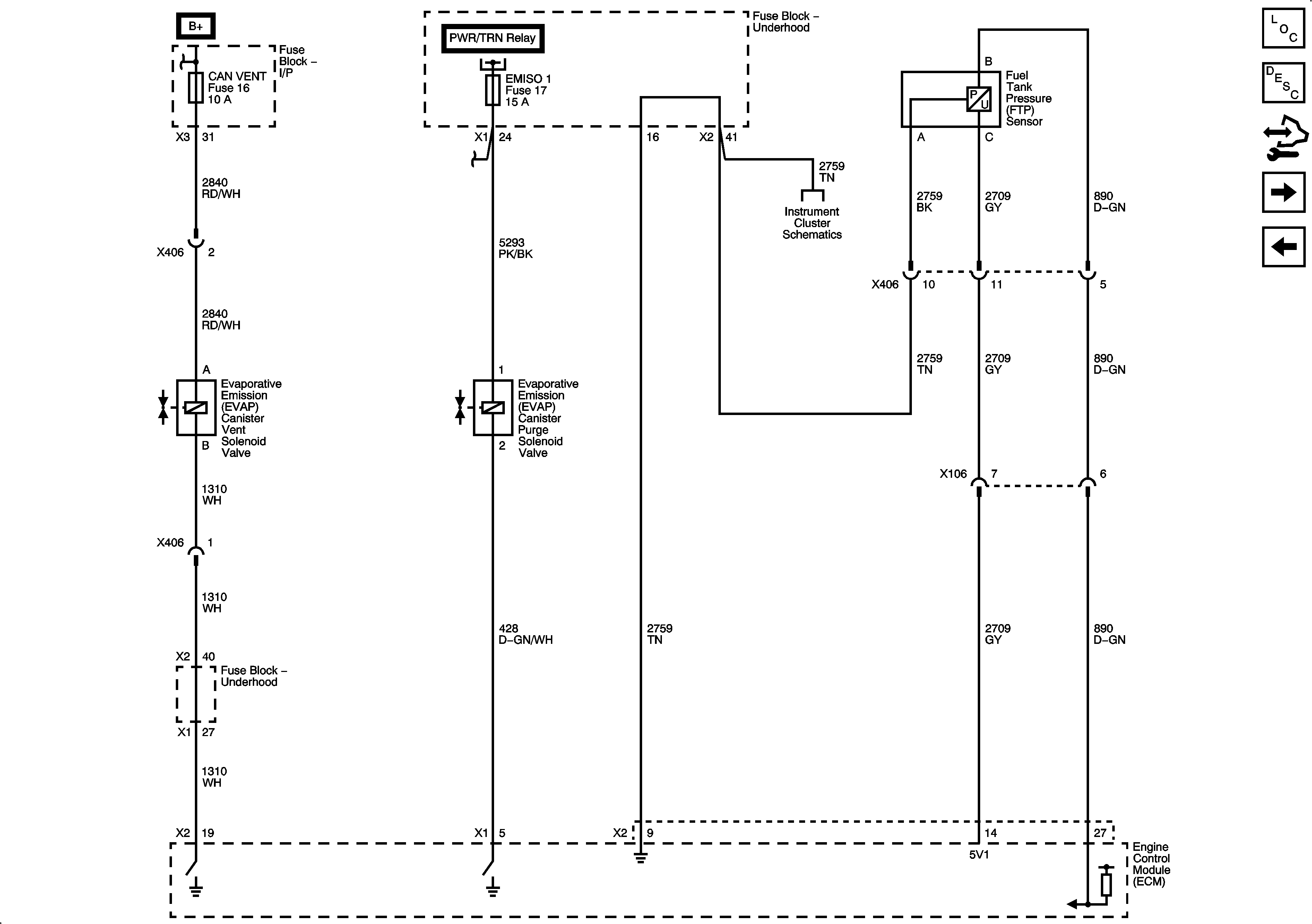
🢒 Fuel Controls - EVAP
Fuel Controls - EVAP
Fuel Controls - EVAP
Master Electrical Component List
Engine Control Module Description
Control Module References
Controlled/Monitored System References
Fuel Controls - Fuel Injectors and Fuel Pump
BATT MAIN 1, CAN VENT, CLSTR, HVAC BLOWER, INFO, INT LTS, ONSTAR, REAR DEFOG, and RVC Fuses
PWR/TRN BUS - EMM DEV 1 and EMM DEV 2
Gages