GM Service Manual Online
For 1990-2009 cars only
Makes
🢒
Suzuki
🢒
2009
🢒
XL-7 FWD
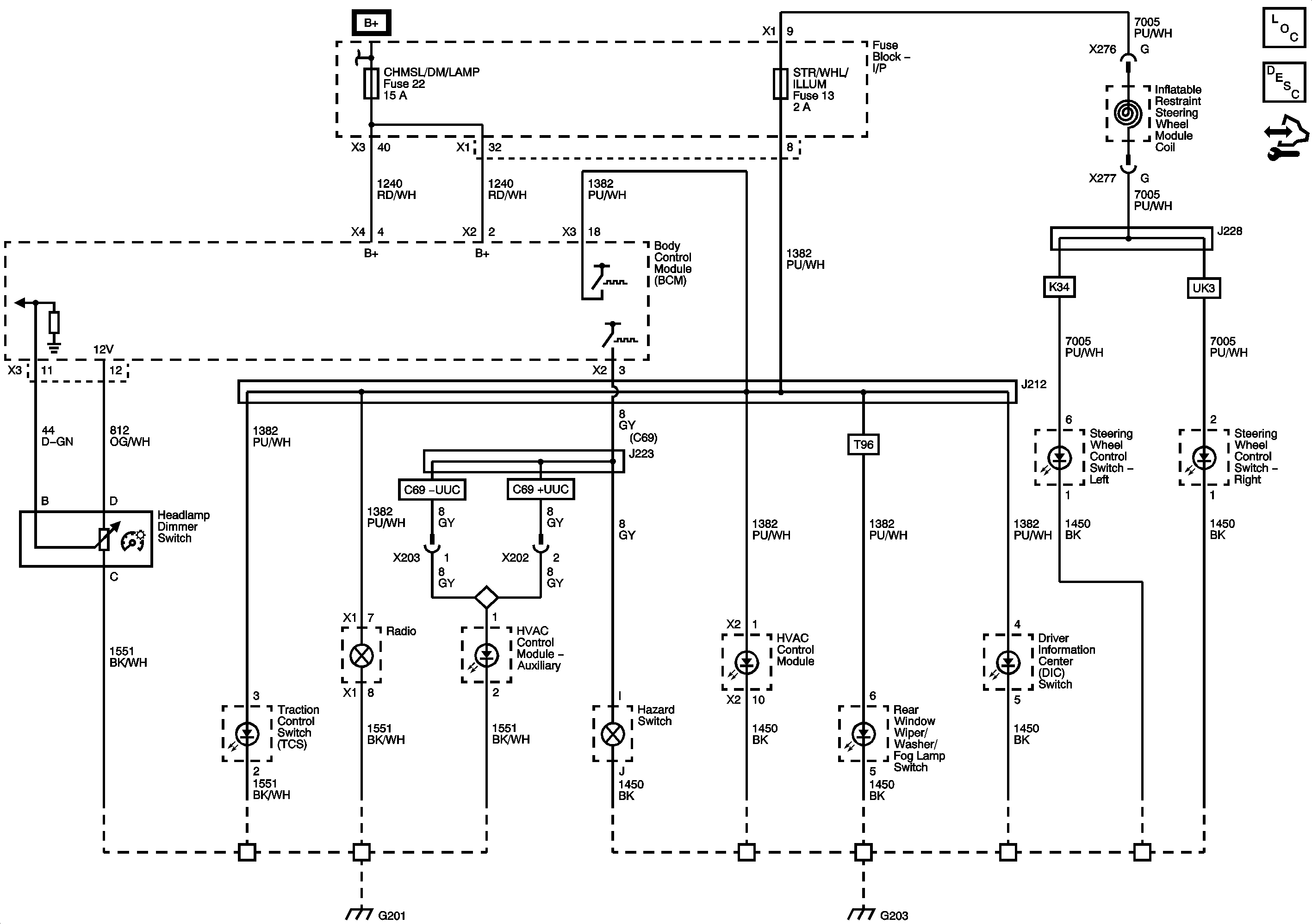
🢒 Interior Lights Dimming Schematics
Interior Lights Dimming Schematics
Interior Lights Dimming
Master Electrical Component List
Interior Lighting Systems Description and Operation
Control Module References
AMP, BCM, CHMSL/DIMR, HVAC/RFA, and RDO Fuses
B+ BUS 1 of 2
G203 and G205
G201