GM Service Manual Online
For 1990-2009 cars only
Makes
🢒
Suzuki
🢒
2009
🢒
XL-7 FWD
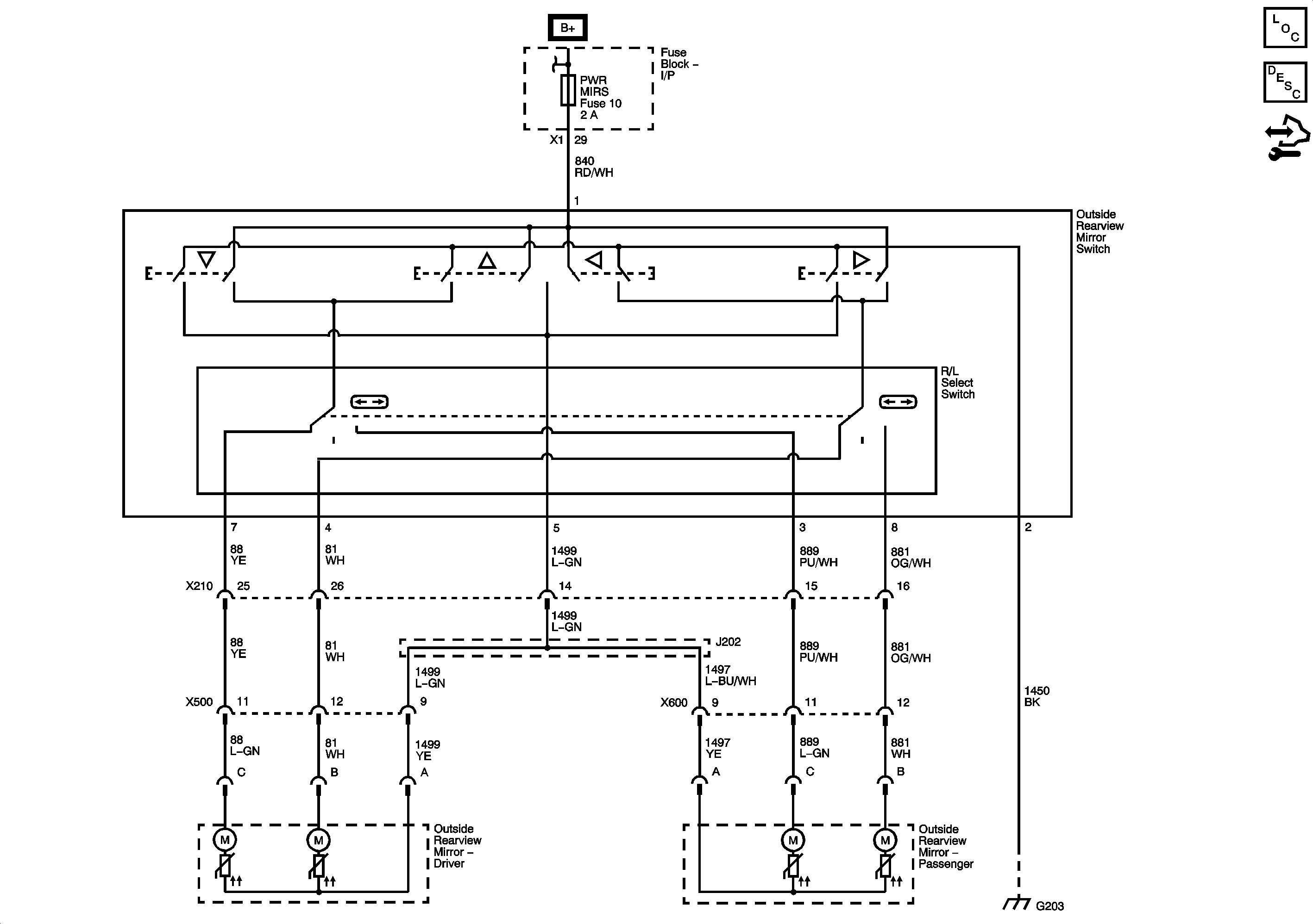
🢒 Outside Rearview Mirror Schematics
Outside Rearview Mirror Schematics
Outside Rearview Mirror
Master Electrical Component List
Power Windows Description and Operation
Control Module References
Heated Mirrors
AOS MODULE, BATT MAIN 2, HTD/SEATS, L/GATE, LT TRN/SIG, PWR MIRS, RT TRN/SIG and SIR Fuses and POWER SEATS Circuit Breaker
G203 and G205