GM Service Manual Online
For 1990-2009 cars only
Makes
🢒
Suzuki
🢒
2009
🢒
XL-7 FWD
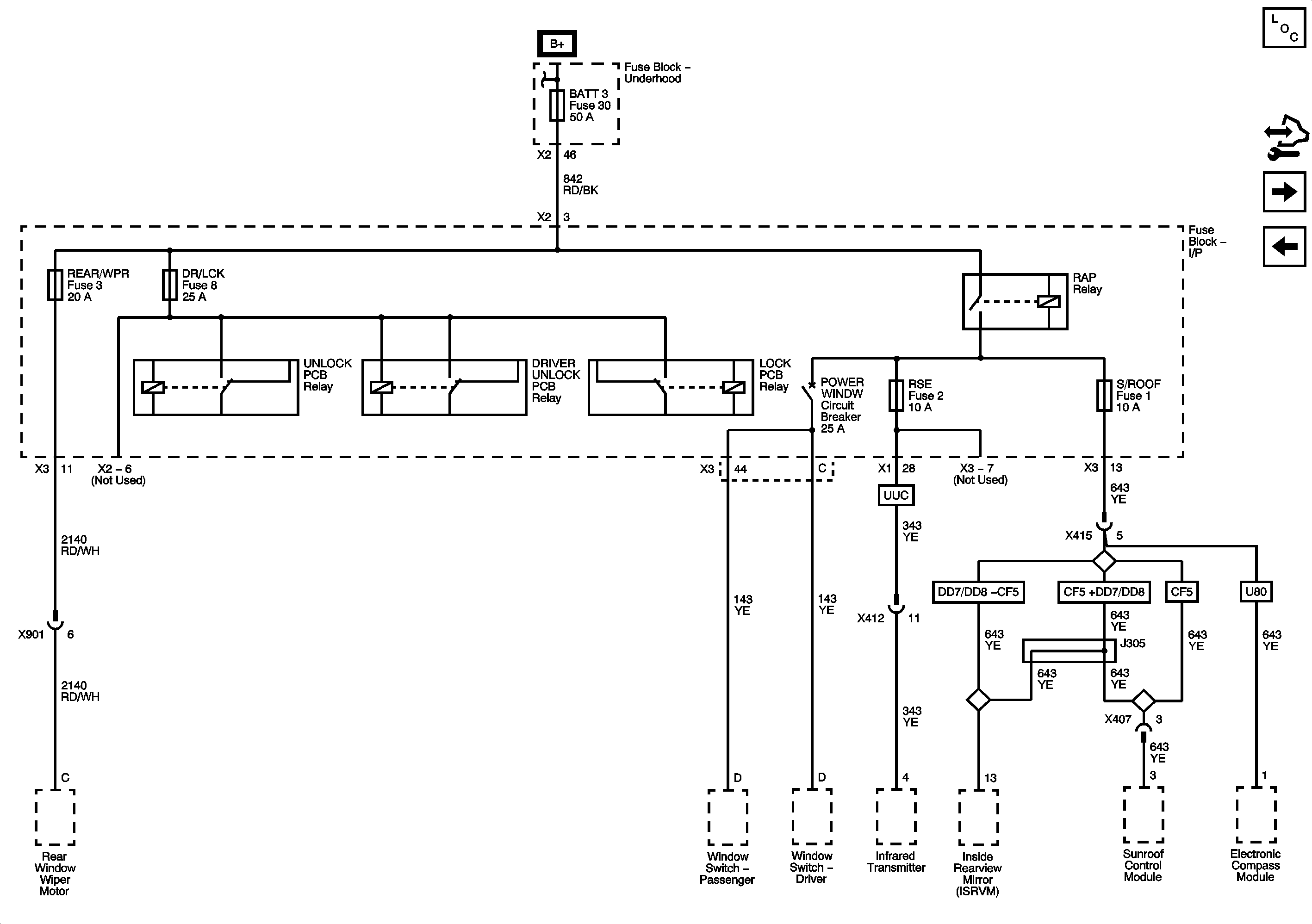
🢒 BATT MAIN 3, DR/LCK, RRWPR, RSE/KEY CAPTR, and S/ROOF Fuses and POWER WNDW
BATT MAIN 3, DR/LCK, RRWPR, RSE/KEY CAPTR, and S/ROOF Fuses and POWER WNDW
BATT MAIN 3, DR/LCK, RRWPR, RSE/KEY CAPTR and S/ROOF Fuses and POWER WNDW
Master Electrical Component List
Control Module References
IGN SWITCH, Fuses and Ignition Switch
AOS MODULE, BATT MAIN 2, HTD/SEATS, L/GATE, LT TRN/SIG, PWR MIRS, RT TRN/SIG and SIR Fuses and POWER SEATS Circuit Breaker