GM Service Manual Online
For 1990-2009 cars only
Makes
🢒
Suzuki
🢒
2009
🢒
XL-7 FWD
🢒 Modules and Sensors
Modules and Sensors
Modules and Sensors
Master Electrical Component List
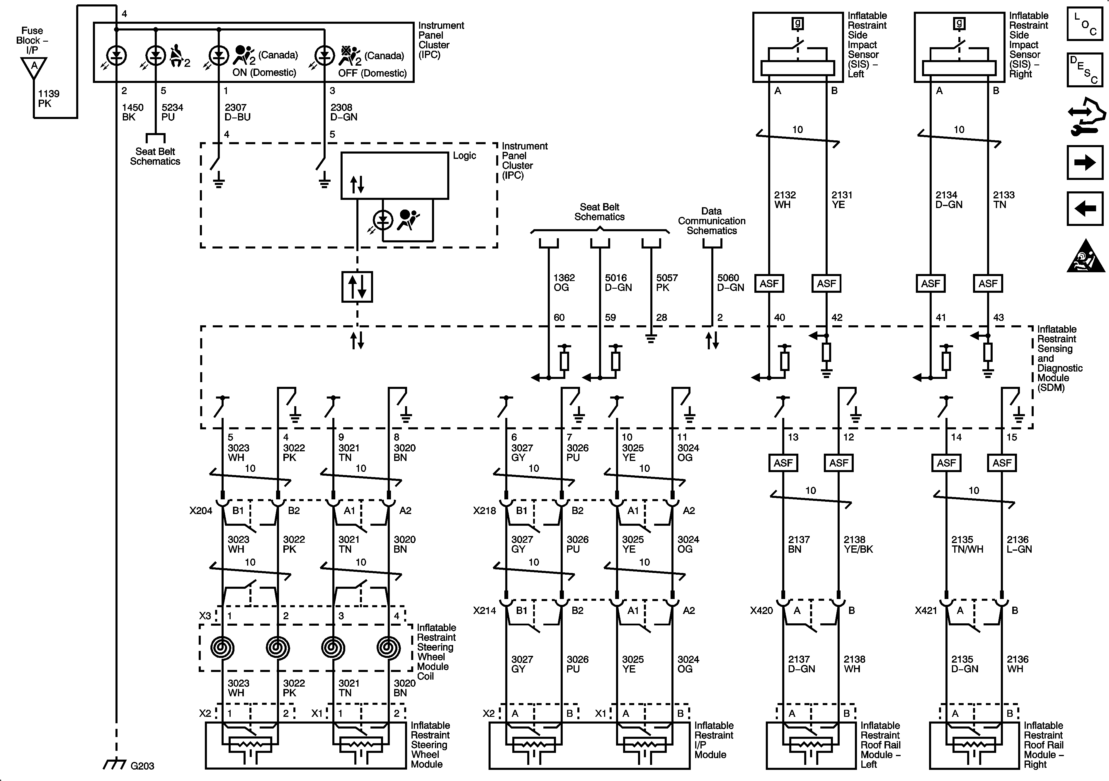
SIR System Description and Operation
Control Module References
Pretensioners and Front End Sensors
Power, Ground, Rollover Sensor, and PPS
Power, Ground, Rollover Sensor, and PPS
Seat Belts Schematics
G203 and G205
Seat Belts Schematics
Low Speed GMLAN