GM Service Manual Online
For 1990-2009 cars only
Makes
🢒
Suzuki
🢒
2009
🢒
XL-7 FWD
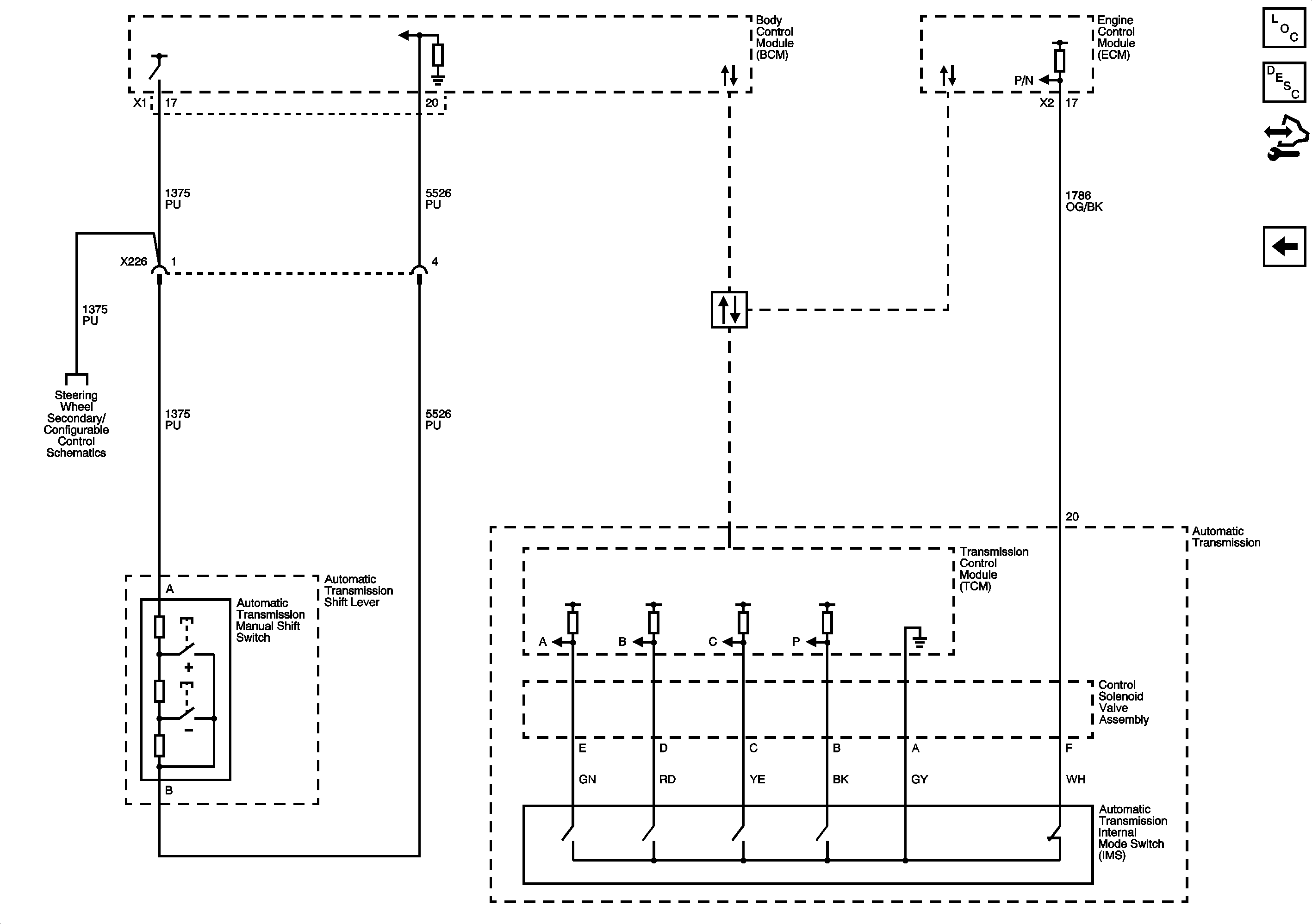
🢒 IMS and Tap Up/Tap Down
IMS and Tap Up/Tap Down
IMS and Tap Up/Tap Down
Master Electrical Component List
Transmission Component and System Description
Control Module References
ISS, OSS, TFP, TFT
Remote Radio Steering Wheel Controls (UK3)