GM Service Manual Online
For 1990-2009 cars only

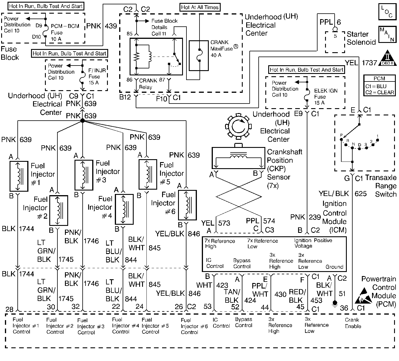
Object Number: 144110  Size: LF
Engine Controls Components
Power, Ground, MIL, DLC
OBD II Symbol Description Notice
Handling ESD Sensitive Parts Notice

Circuit Description

The Electronic Ignition system uses a waste spark method of spark distribution. In this type of ignition system, the ignition control module triggers the correct coil based on the 3X signal received from the crankshaft position sensor, resulting in both spark plugs connected to the coil firing at the same time. The spark plug for the cylinder on the exhaust stroke requires a lower energy requirement to fire, leaving the remaining high voltage to fire the spark plug for the cylinder on the compression stroke.

During cranking, the ignition control module monitors the crankshaft position sensor input for recognition of the sync signal. The sync signal is used to determine the correct cylinder pair to spark first. After the sync signal has been processed by the ignition control module, it sends a 3X reference signal to the PCM. When the PCM receives this signal it will command all six injectors to open for one priming shot of fuel in all cylinders. After the priming, the injectors are left on for the next six 3X reference signals from the ignition control module (two crankshaft revolutions). This allows each cylinder to use the fuel from the priming shot. During this waiting period, a cam signal will have been received by the PCM. After the true camshaft position is detected, the PCM operates the injectors sequentially. However, if the cam signal is not present at start-up, DTC P0341 will set and the PCM will start sequential fuel delivery in random pattern with a 1 in 6 chance that fuel delivery is correct.

The sync signal is used only by the ignition control module. It is used for spark synchronization at start-up only (not passed to the PCM).

Diagnostic Aids

An intermittent may be caused by a poor connection, rubbed through wire insulation or a wire broken inside the insulation. Check for the following items:

    •  Mass Air Flow is compared to a calculated Mass Air Flow based upon the MAP, TP, and engine RPM readings (speed density). A Skewed/unresponsive MAP sensor at Key on will cause the predicted air flow value to be inaccurate. Compare MAP and TP sensor to that of a normal operating vehicle.
    •  Poor connection or damaged harness. Inspect the PCM harness and connectors for improper mating, broken locks, improperly formed or damaged terminals, poor terminal to wire connection, and damaged harness.
    •  Faulty Engine Coolant Temperature Sensor. Using a scan tool, compare Engine Coolant Temperature with Intake Air Temperature on a completely cool engine. Engine Coolant Temperature should be within 10°C of Intake Air Temperature. If not, replace the ECT sensor.

Test Description

The number(s) below refer to the step number(s) on the Diagnostic Table:

  1. A skewed MAP sensor can cause the BARO reading to be incorrectly calculated. To check the MAP sensor, compare the MAP/BARO reading on the vehicle to the MAP/BARO reading on a normally operating vehicle. If there is a skewed or stuck map sensor vehicle may not start, compare the MAP reading with that of another vehicle.

  2. This step checks the MAP sensor. By disconnecting the MAF sensor, the vehicle is forced into speed density, Speed density is based on the MAP, TP, and engine RPM readings. With a skewed/unresponsive MAP sensor, the speed density calculation is incorrect and vehicle may not start.

  3. A blinking test light verifies that the PCM is capable of activating the injectors.

    A non-blinking injector test light indicates a possible fault condition in the fuel injector circuits.

  4. Checking for spark at an ignition wire will determine if the problem is with the 7X crankshaft position sensor input to the ICM. A blinking injector test light with no spark suggests a fault condition in the ignition system. By using J 26792 (ST 125) to test for spark at the ignition coil towers, each ignition coils ability to produce at least 25,000 volts is verified.

  5. By testing the problem coils control circuit with a test light, a determination can be made as to the problem coil being faulty or the ignition control modules internal driver circuit for the affected coil being the cause of the complaint.

  6. Before replacing the MAP sensor review Diagnostic Aids. Apply vacuum with hand held vacuum pump while monitoring scan tool, MAP reading should increment smoothly with each stroke of vacuum pump. Refer to Manifold Absolute Pressure Sensor Circuit Check for MAP Sensor diagnosis.

Step

Action

Value(s)

Yes

No

1

Was the Powertrain On Board Diagnostic (OBD) System Check performed?

--

Go to Step 2

Go to Powertrain On Board Diagnostic (OBD) System Check

2

Important: :  Before proceeding with this diagnostic table, ensure that the vehicle battery is fully charged.

Important: :  If any of the following DTC(s) are stored as failed since code clear, diagnose the DTC(s) before continuing with this table:

DTC P0101, P0123, P0601/P0602, P1200, P1374, P1626, P1631.

  1. Check the fuse for the electronic ignition control module ignition positive voltage circuit.
  2. Check the fuse for the fuel injector ignition positive voltage.
  3. If either fuse is blown, locate and repair short to ground in the affected ignition positive voltage circuit. Refer to Repair Procedures in Electrical Diagnosis.

Was a problem found?

--

Powertrain On Board Diagnostic (OBD) System Check

Go to Step 3

3

  1. Turn off the ignition switch.
  2. Remove the ignition main relay.
  3. Connect the test light to ground.
  4. Probe cavity 87 in the ignition main relay connector.

Is the test light on?

--

Go to Step 4

Go to Step 9

4

  1. Leave the ignition relay disconnected.
  2. Turn the ignition switch on.
  3. Connect the test light to ground.
  4. Probe cavity 86 in the ignition main relay connector.

Is the test light on?

--

Go to Step 5

Go to Step 10

5

  1. Leave the ignition main relay disconnected.
  2. Turn off the ignition switch.
  3. Connect the test light to battery positive voltage.
  4. Probe cavity 85 in the ignition main relay connector.

Is the test light on?

--

Go to Step 6

Go to Step 11

6

  1. Leave the ignition main relay disconnected.
  2. Connect a fused jumper between cavities 30 and 87 in the ignition main relay connector.

Is the test light on?

--

Go to Step 7

Go to Step 8

7

Check for poor terminal connections in the ignition main relay connector. If a problem is found, repair as necessary. Refer to Repair Procedures in Electrical Diagnosis.

Was a problem found?

--

Go to Powertrain On Board Diagnostic (OBD) System Check

Go to Step 12

8

Check for an open in the battery positive voltage feed from cavity 30 in the ignition main relay connector. Refer to Fuse Block Details in Electrical Diagnosis. If a problem is found, repair as necessary. Refer to Repair Procedures in Electrical Diagnosis.

Was a problem found?

--

Go to Powertrain On Board Diagnostic (OBD) System Check

Go to Step 13

9

Locate and repair open in the battery positive voltage feed to cavity 87 in the ignition main relay connector.

Refer to Repair Procedures in Electrical Diagnosis.

Is the action complete?

--

Go to Powertrain On Board Diagnostic (OBD) System Check

--

10

Locate and repair the open in the ignition feed to cavity 86 in the ignition main relay connector. Refer to Repair Procedures in Electrical Diagnosis.

Is the action complete?

--

Go to Powertrain On Board Diagnostic (OBD) System Check

--

11

Repair the open in the ignition main relay ground (CKT 451). Refer to Repair Procedures in Electrical Diagnosis.

Is the action complete?

--

Go to Powertrain On Board Diagnostic (OBD) System Check

--

12

Replace the ignition main relay.

Is the action complete?

--

Go to Powertrain On Board Diagnostic (OBD) System Check

--

13

  1. Turn the ignition on, engine off.
  2. With scan tool monitor MAP sensor.

Is MAP less than specified value?

65 kPa

Go to Step 37

Go to Step 14

14

  1. Turn the ignition off.
  2. Disconnect the MAF sensor.
  3. Attempt to start the engine.

Does engine start and continue to run?

--

Go to Step 37

Go to Step 15

15

  1. Turn the ignition off, reconnect MAP sensor connector.
  2. Install a fuel pressure gage at the fitting on the fuel rail.
  3. Turn the ignition on, observe the fuel pressure.

Is the fuel pressure within the specified values and holding?

284-325 kPa (41-47 psi

Go to Step 17

Go to Step 16

16

Is any fuel pressure indicated?

--

Go to Fuel System Pressure Test

Go to Fuel Pump Electrical Circuit Diagnosis

17

  1. Turn the ignition off, disconnect the injector 10-way connector.
  2. Install injector test light J 34730-380 using J 34730-385 adaptor harness in the connector.
  3. Observe injector test light while cranking the engine.

Does all of the LEDs for cylinders 1-6 flash?

--

Go to Step 18

Go to Step 19

18

  1. Remove the fuel injection fuse from the underhood electrical center.
  2. Install a spark tester J 26792 (ST 125) on an ignition wire.
  3. Connect one end of the ignition wire to one coil tower of 2, 4, and 6 (one at a time).
  4. Clip the ST 125 to the coil tower of each companion cylinder. The companion cylinder is the cylinder that shares the same ignition coil (i.e., 1/4, 2/5, 3/6).
  5. Crank the engine while observing the spark tester. A crisp, blue spark should be observed.

Is adequate spark provided by the secondary coils?

--

Go to Step 29

Go to Step 21

19

  1. Check the fuse for the fuel injector feed circuit.
  2. If the fuse blown, check for the following circuit faults:
  3. •  An open or a short to ground in the fuel injector feed circuit.
    •  A shorted injector.
  4. If a problem is found, repair it as necessary. Refer to Repair Procedures in Electrical Diagnosis.

Was a problem found?

--

Go to Powertrain On Board Diagnostic (OBD) System Check

Go to Step 20

20

Check for the following conditions:

    • Open in the fuel injector feed and driver circuit.
    •  Check the Ignition Main Relay battery feed circuits for an open. If a open circuit is found repair as necessary.
    •  Check the Fuel Injector fuse feed circuit (from Ignition Main Relay) for an open. If circuit is open, repair as necessary. Refer to Repair Procedures in Electrical Diagnosis.
    •  If a circuit fault is not found, check the Ignition Main relay for stuck open, corroded contacts. If a problem is found replace the Ignition Main relay.

Was a repair made?

--

Go to Powertrain On Board Diagnostic (OBD) System Check

Go to Step 41

21

  1. Check the fuse for the electronic ignition control module ignition feed circuit.
  2. If the fuse is blown, locate and repair short to ground in ignition control module ignition feed circuit or short to battery positive voltage in the IC circuit. Refer to Repair Procedures in Electrical Diagnosis.

Was the fuse blown?

--

Go to Powertrain On Board Diagnostic (OBD) System Check

Go to Step 22

22

  1. Check for an open in the electronic ignition control module feed and ground circuits.
  2. If a problem is found, repair it as necessary. Refer to Repair Procedures in Electrical Diagnosis.

Was a problem found?

--

Go to Powertrain On Board Diagnostic (OBD) System Check

Go to Step 23

23

  1. Turn OFF the ignition.
  2. Disconnect the 2 wire, 7X CKP sensor (PPL and YEL wires) connector from the ICM.
  3. Connect a DMM between the 7X CKP sensor harness connector terminals.
  4. Set the DMM to read ohms.

Is the resistance between the specified value?

800-1,200 ohms

Go to Step 25

Go to Step 24

24

  1. Turn the ignition off.
  2. Check the 7X CKP circuit for the following conditions:
  3. •  An open circuit.
    •  A short to ground.
    •  A short to battery positive voltage.
    • 7X wiring harness shorted together.
    •  Poor connections at 7X crankshaft position sensor
    •  If a problem is found, repair it as necessary. Refer to Repair Procedures in Electrical Diagnosis.

Was a problem found?

--

Go to Powertrain On Board Diagnostic (OBD) System Check

Go to Step 38

25

  1. Check for poor connections at the ICM.
  2. If a problem is found, repair it as necessary. Refer to Repair Procedures in Electrical Diagnosis.

Was a problem found?

--

Go to Powertrain On Board Diagnostic (OBD) System Check

Go to Step 26

26

  1. Remove and visually/physically inspect the ignition coil(s) associated with the cylinders that did not have spark. Ensure that the coils and coil towers are free of cracks and carbon tracking.
  2. If a problem is found, replace damaged ignition coil(s) as necessary.

Did the inspection reveal a problem?

--

Go to Powertrain On Board Diagnostic (OBD) System Check

Go to Step 27

27

  1. Measure the ignition coil secondary resistance.
  2. If any resistance is outside the specified values, replace faulty ignition coil(s) as necessary.

Is the resistance outside the specified values?

5K-7Kohms (5000-7000ohms

Go to Powertrain On Board Diagnostic (OBD) System Check

Go to Step 28

28

  1. Connect a test light across the ignition module primary circuit (between the electronic ignition control module terminals) for coil(s) associated with the cylinders which did not have spark.
  2. Observe the test light while cranking the engine.

Does the test light blink while the engine is being cranked?

--

Go to Step 39

Go to Step 40

29

  1. Visually/physically inspect the 2, 4, and 6 cylinder ignition wires. Ensure that the wires and boots are free of carbon tracking and the insulation is not damaged.
  2. If a problem is found, replace faulty ignition wire(s) as necessary.

Did the inspection reveal any faulty ignition wires?

--

Go to Powertrain On Board Diagnostic (OBD) System Check

Go to Step 30

30

  1. Measure the resistance of the 2, 4, and 6 cylinder ignition wires.
  2. If any resistance is outside the specified value, replace the faulty ignition wire.

Was a problem found?

7,000ohms (7Kohms)

Go to Powertrain On Board Diagnostic (OBD) System Check

Go to Step 31

31

  1. Remove the spark plugs from cylinders 2, 4, and 6.
  2. Visually inspect the spark plug electrodes.

Does your inspection reveal any spark plugs exhibiting excessive fouling?

--

Go to Step 36

Go to Step 32

32

  1. Visually/physically inspect the 1, 3, and 5 cylinder ignition wires. Ensure that the wires and boots are free of carbon tracking and the insulation is not damaged.
  2. If a problem is found, replace faulty ignition wire(s) as necessary.

Did inspection reveal any faulty ignition wires?

--

Go to Powertrain On Board Diagnostic (OBD) System Check

Go to Step 33

33

  1. Measure the resistance of the 1, 3, and 5 cylinder ignition wires.
  2. If any resistance is outside the specified value, replace the faulty ignition wire.

Was a problem found?

7,000ohms (7K ohms)

Go to Powertrain On Board Diagnostic (OBD) System Check

Go to Step 34

34

  1. Remove the spark plugs from cylinders 1, 3, and 5.
  2. Visually inspect the spark plug electrodes.

Does your inspection reveal any spark plugs exhibiting excessive fouling?

--

Go to Step 36

Go to Step 35

35

  1. Test the fuel for contamination. Refer to Alcohol/Contaminants-in-Fuel Test .
  2. If a problem is found, clean the fuel system and correct the contaminated fuel condition as necessary.

Was a problem found?

--

Go to Powertrain On Board Diagnostic (OBD) System Check

Refer to Diagnostic Aids

36

Repair engine mechanical problem. Refer to Engine Mechanical Diagnosis to diagnose the following conditions:

    •  Bent push rods
    •  Faulty or incorrect camshaft
    •  Leaking or sticky valves or rings
    •  Excessive valve deposits
    •  Loose or worn rocker arms
    •  Weak valve springs
    •  Incorrect valve timing
    •  Leaking head gasket

Is action complete?

--

Go to Powertrain On Board Diagnostic (OBD) System Check

--

37

Replace the MAP sensor. Refer to Manifold Absolute Pressure Sensor Replacement .

Is the action complete?

--

Go to Powertrain On Board Diagnostic (OBD) System Check

--

38

Replace the 7X crankshaft position sensor. Refer to Crankshaft Position Sensor Replacement .

Is the action complete?

--

Go to Powertrain On Board Diagnostic (OBD) System Check

--

39

Replace the ignition coil(s) associated with the cylinders that did not have spark. Refer to Ignition Control Module Replacement .

Is the action complete?

--

Go to Powertrain On Board Diagnostic (OBD) System Check

--

40

Replace the electronic ignition control module. Refer to Ignition Control Module Replacement .

Is the action complete?

--

Go to Powertrain On Board Diagnostic (OBD) System Check

--

41

Replace the PCM. Refer to Powertrain Control Module Replacement/Programming .

Important: :  The replacement PCM must be programmed.

Is the action complete?

--

Go to Powertrain On Board Diagnostic (OBD) System Check

--