GM Service Manual Online
For 1990-2009 cars only
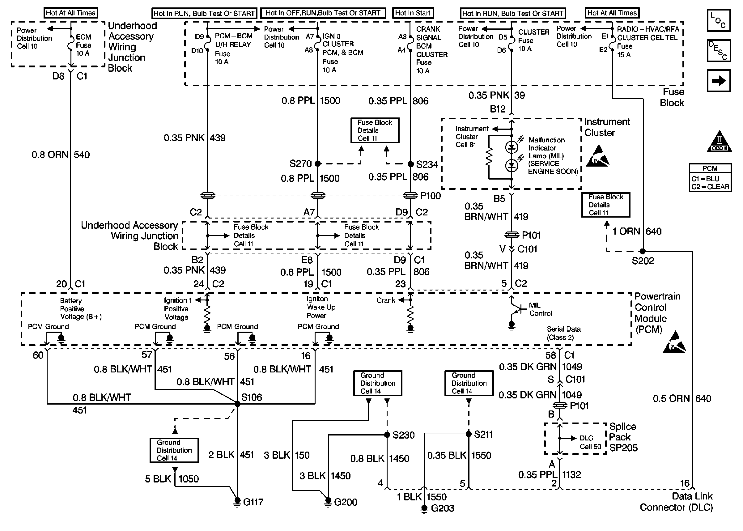
Figure 1:

Cell 20: Power, Ground, MIL and DLC


Object Number: 349266  Size: FS
Cell 20: Ignition System and Knock Sensor
OBDII Symbol Description Notice
Cell 10: EBCM/EBTCM
Cell 10: Ignition Switch
Cell 10: Ignition Switch
Cell 10: Battery, and Generator
Cell 11: HEATED MIRROR, CRANK SIGNAL BCM CLUSTER, IGN 0: CLUSTER PCM & BCM, and PARK LOCK Fuses
Cell 81: PCM, Engine Coolant Level Indicator Module, Windshield Washer Solvent Level Switch
Cell 11: TURN SIGNALS CORN LPS, AIR BAG, CLUSTER, DRL and PCM-BCM U/H RELAY Fuses
Cell 11: HEATED MIRROR, CRANK SIGNAL BCM CLUSTER, IGN 0: CLUSTER PCM & BCM, and PARK LOCK Fuses
Cell 11: RADIO-HVAC RFA CLUSTER CEL TEL, BCM PWR, INADV POWER BUS,and CIGAR LTR DATA LINK Fuses
Cell 14: G200 (1 of 2)
Cell 14: G203 (1 of 2)
Data Link Connector Schematic (Cell 50: PCM, EBCM/EBTCM, SIR/BCM Module)
Handling Electrostatic Discharge Sensitive Parts Notice
Handling Electrostatic Discharge Sensitive Parts Notice
Cell 14: G100, G111, G113, and G117
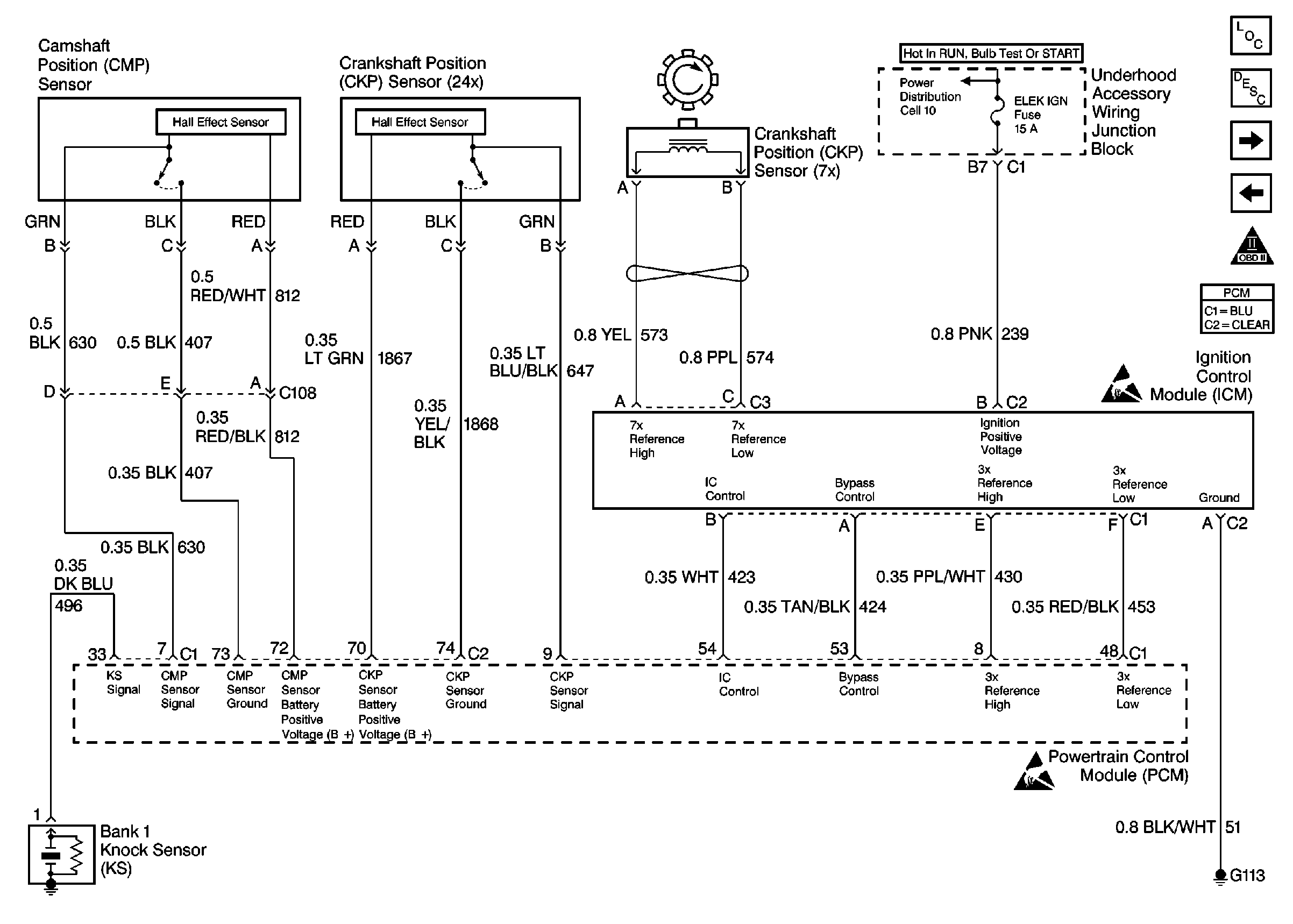
Figure 2:

Cell 20: Ignition System and Knock Sensor


Object Number: 349275  Size: FS
Cell 20: Fuel Control
OBDII Symbol Description Notice
Cell 20: Power, Ground, MIL and DLC
Cell 10: Underhood Accessory Wiring Junction Block
Handling Electrostatic Discharge Sensitive Parts Notice
Handling Electrostatic Discharge Sensitive Parts Notice
Figure 3:

Cell 20: Fuel Control


Object Number: 349279  Size: FS
Cell 20: Fuel Injectors
OBDII Symbol Description Notice
Cell 20: Ignition System and Knock Sensor
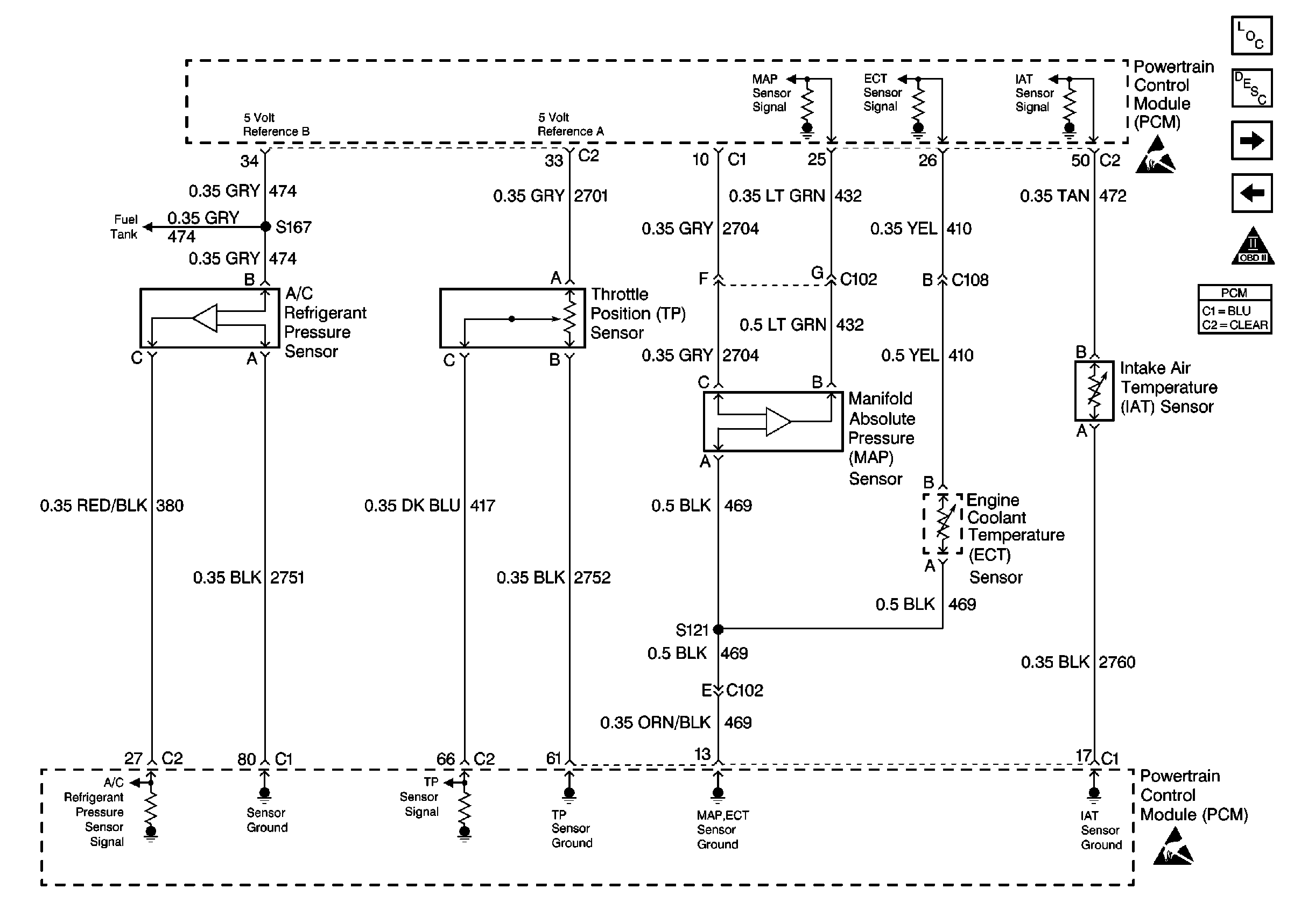
Cell 20: Engine Data Sensors-A/C Refrig Press, ECT, IAT, MAP and TP
Cell 10: Underhood Accessory Wiring Junction Block
Cell 14: G100, G111, G113, and G117
Cell 14: G402 (2 of 2)
Handling Electrostatic Discharge Sensitive Parts Notice
Handling Electrostatic Discharge Sensitive Parts Notice
Cell 14: G100, G111, G113, and G117
Figure 4:

Cell 20: Fuel Injectors


Object Number: 349285  Size: FS
Cell 20: Engine Data Sensors-A/C Refrig Press, ECT, IAT, MAP and TP
OBDII Symbol Description Notice
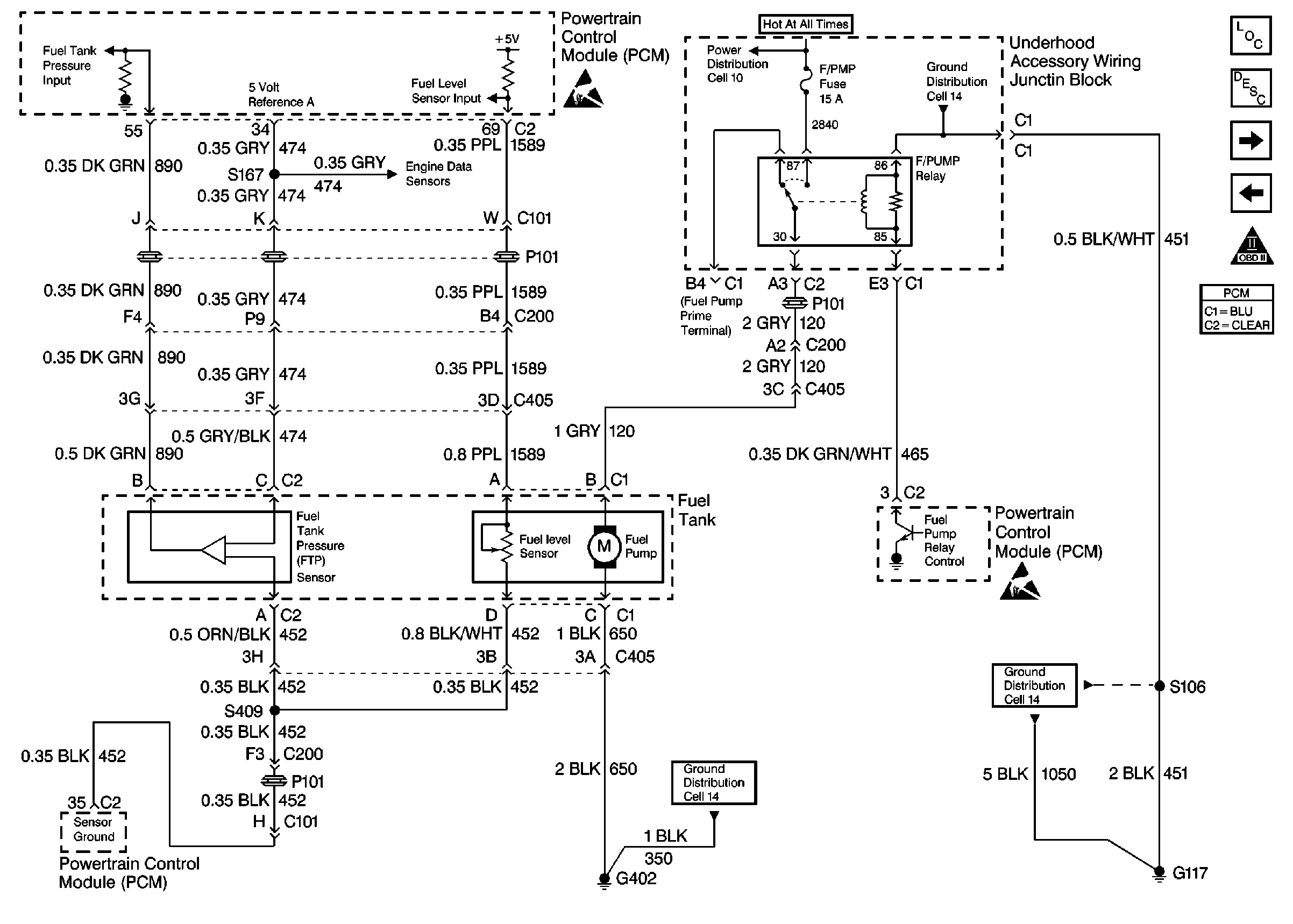
Cell 20: Fuel Control
Cell 10: Underhood Accessory Wiring Junction Block
Handling Electrostatic Discharge Sensitive Parts Notice
Figure 5:

Cell 20: Engine Data Sensors-A/C Refrig Press, ECT, IAT, MAP and TP


Object Number: 349280  Size: FS
Cell 20: Engine Data Sensors-HO2S 1 and HO2S 2
OBDII Symbol Description Notice
Cell 20: Fuel Injectors
Cell 20: Fuel Control
Handling Electrostatic Discharge Sensitive Parts Notice
Handling Electrostatic Discharge Sensitive Parts Notice
Figure 6:

Cell 20: Engine Data Sensors-HO2S 1 and HO2S 2


Object Number: 349284  Size: FS
Cell 20: Engine Data Sensors-EGR, EVAP Purge, EVAP Vent and MAF
OBDII Symbol Description Notice
Cell 20: Engine Data Sensors-A/C Refrig Press, ECT, IAT, MAP and TP
Cell 10: Underhood Accessory Wiring Junction Block
Cell 14: G100, G111, G113, and G117
Handling Electrostatic Discharge Sensitive Parts Notice
Cell 14: G113, and G117
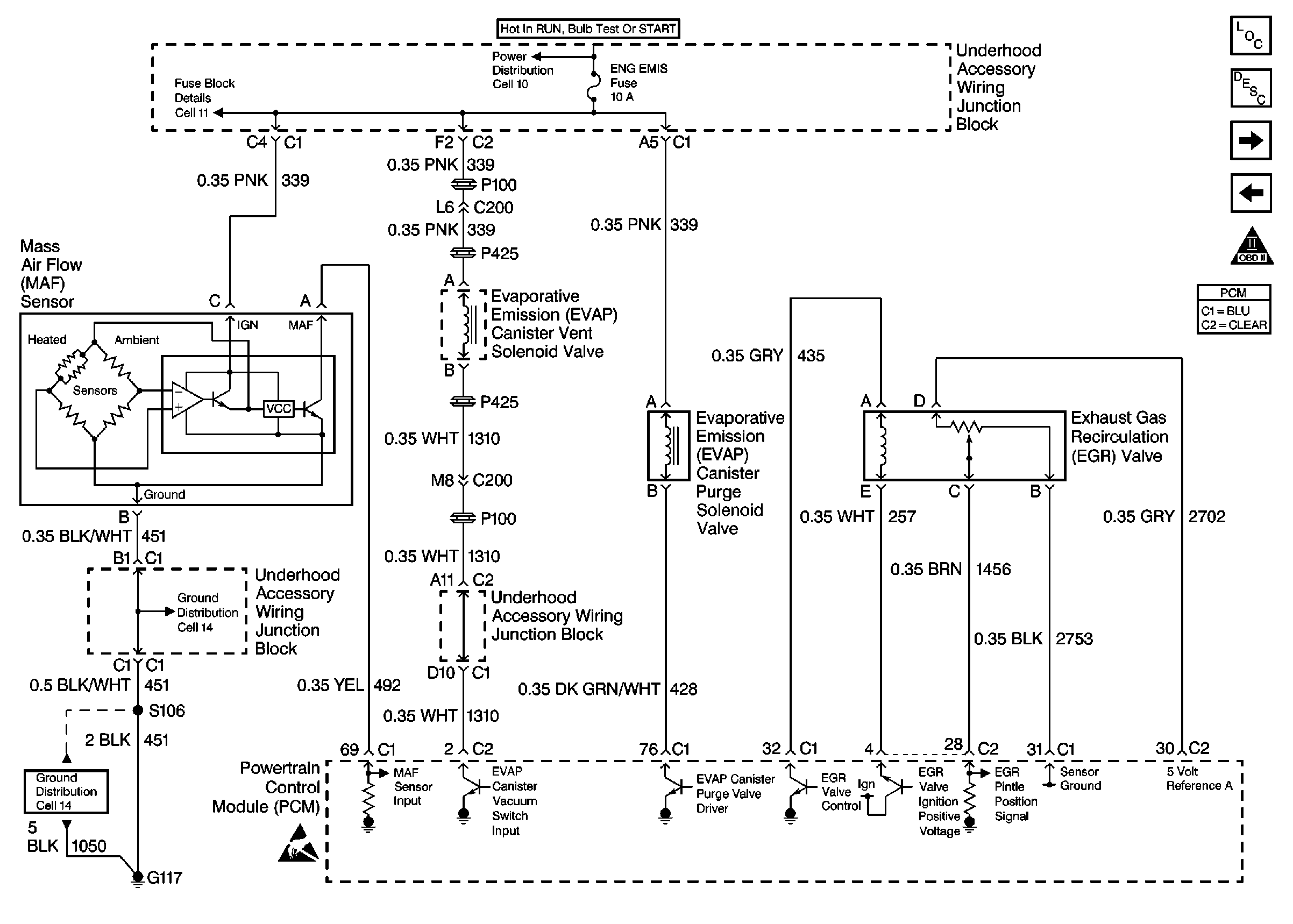
Figure 7:

Cell 20: Engine Data Sensors-EGR, EVAP Purge, EVAP Vent and MAF


Object Number: 349291  Size: FS
Cell 20: Engine Oil Level, Engine Oil Pressure and IAC
OBDII Symbol Description Notice
Cell 20: Engine Data Sensors-HO2S 1 and HO2S 2
Cell 11: ENG EMIS Fuse
Cell 10: Underhood Accessory Wiring Junction Block
Cell 14: G100, G111, G113, and G117
Handling Electrostatic Discharge Sensitive Parts Notice
Cell 14: G100, G111, G113, and G117
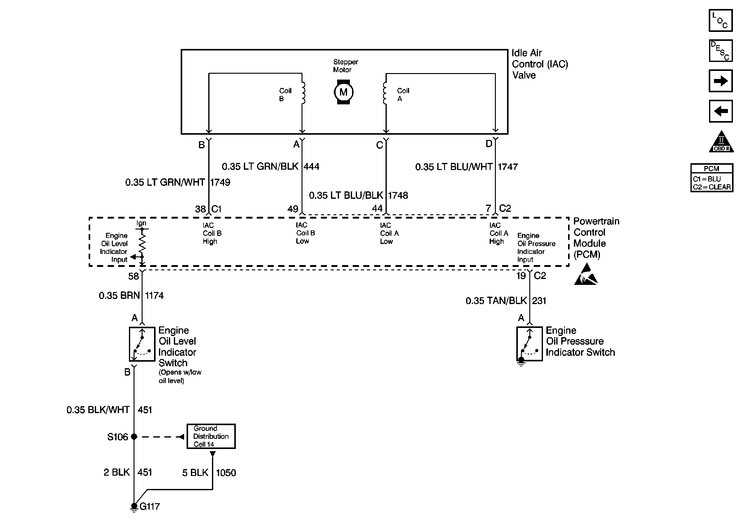
Figure 8:

Cell 20: Engine Oil Level, Engine Oil Pressure and IAC


Object Number: 349298  Size: FS
Cell 20: Cruise, VSS
OBDII Symbol Description Notice
Cell 20: Engine Data Sensors-EGR, EVAP Purge, EVAP Vent and MAF
Cell 14: G100, G111, G113, and G117
Handling Electrostatic Discharge Sensitive Parts Notice
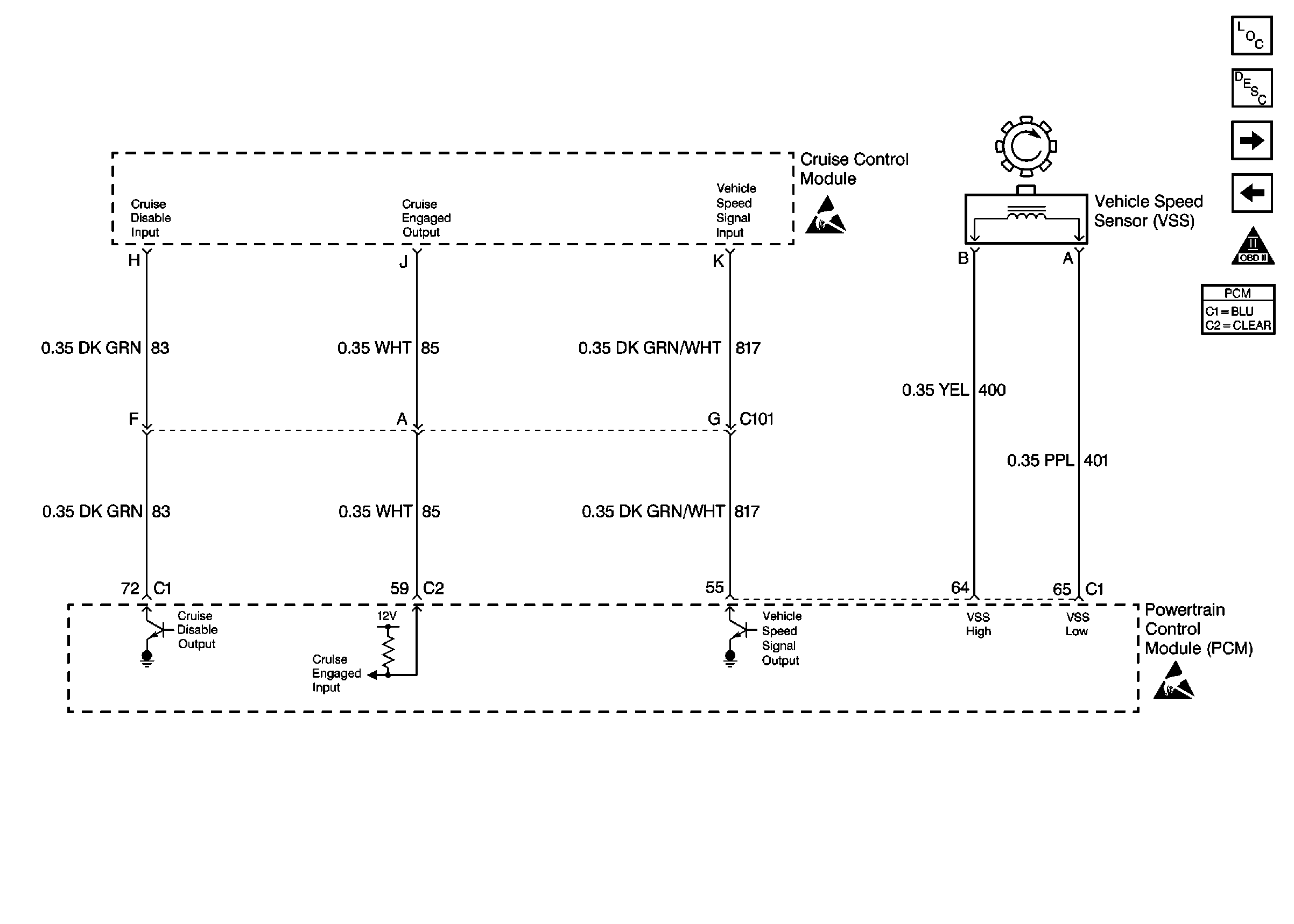
Figure 9:

Cell 20: Cruise, VSS


Object Number: 349306  Size: FS
Cell 20: Indicator Lamps
OBDII Symbol Description Notice
Cell 20: Engine Oil Level, Engine Oil Pressure and IAC
Handling Electrostatic Discharge Sensitive Parts Notice
Handling Electrostatic Discharge Sensitive Parts Notice
Figure 10:

Cell 20: Indicator Lamps


Object Number: 349309  Size: FS
Cell 20: Transaxle Range Switch
OBDII Symbol Description Notice
Cell 20: Cruise, VSS
Cell 10: Ignition Switch
Cell 81: Brake Fluid Level Switch
Cell 14: G203 (1 of 2)
Handling Electrostatic Discharge Sensitive Parts Notice
Handling Electrostatic Discharge Sensitive Parts Notice
Figure 11:

Cell 20: Transaxle Range Switch


Object Number: 349310  Size: FS
Cell 20: Automatic Transaxle and TCC Switch
OBDII Symbol Description Notice
Cell 20: Indicator Lamps
Cell 10: Ignition Switch
Cell 11: TURN SIGNALS CORN LPS, AIR BAG, CLUSTER, DRL and PCM-BCM U/H RELAY Fuses
Cell 138: Btsi, Transaxle Range Switch, UAWJB 2 of 2
Cell 14: G113, and G117
Handling Electrostatic Discharge Sensitive Parts Notice
Handling Electrostatic Discharge Sensitive Parts Notice
Figure 12:

Cell 20: Automatic Transaxle and TCC Switch


Object Number: 349312  Size: FS
Cell 20: A/C Compressor Controls
OBDII Symbol Description Notice
Cell 20: Transaxle Range Switch
Cell 11: ENG EMIS Fuse
Cell 10: Underhood Accessory Wiring Junction Block
Handling Electrostatic Discharge Sensitive Parts Notice
Figure 13:

Cell 20: A/C Compressor Controls


Object Number: 349314  Size: FS
Cell 20: Coolant Fans
OBDII Symbol Description Notice
Cell 20: Automatic Transaxle and TCC Switch
Cell 10: Accessory Time Delay Relay, and Ignition Switch
Cell 10: Ignition Switch
Cell 11: LOW BLOWER, CRUISE and HVAC Fuses
Cell 11: TURN SIGNALS CORN LPS, AIR BAG, CLUSTER, DRL and PCM-BCM U/H RELAY Fuses
Cell 10: Underhood Accessory Wiring Junction Block
Cell 10: Underhood Accessory Wiring Junction Block
Cell 14: G100, G111, G113, and G117
Cell 14: G113, and G117
Cell 14: G100, G111, G113, and G117
Cell 14: G113, and G117
Handling Electrostatic Discharge Sensitive Parts Notice
Figure 14:

Cell 20: Coolant Fans


Object Number: 349317  Size: FS
OBDII Symbol Description Notice
Cell 20: A/C Compressor Controls
Cell 10: Underhood Accessory Wiring Junction Block
Cell 14: G113, and G117
Cell 14: G113, and G117
Handling Electrostatic Discharge Sensitive Parts Notice
Cell 14: G113, and G117