GM Service Manual Online
For 1990-2009 cars only
Makes
🢒
Buick
🢒
2000
🢒
Century
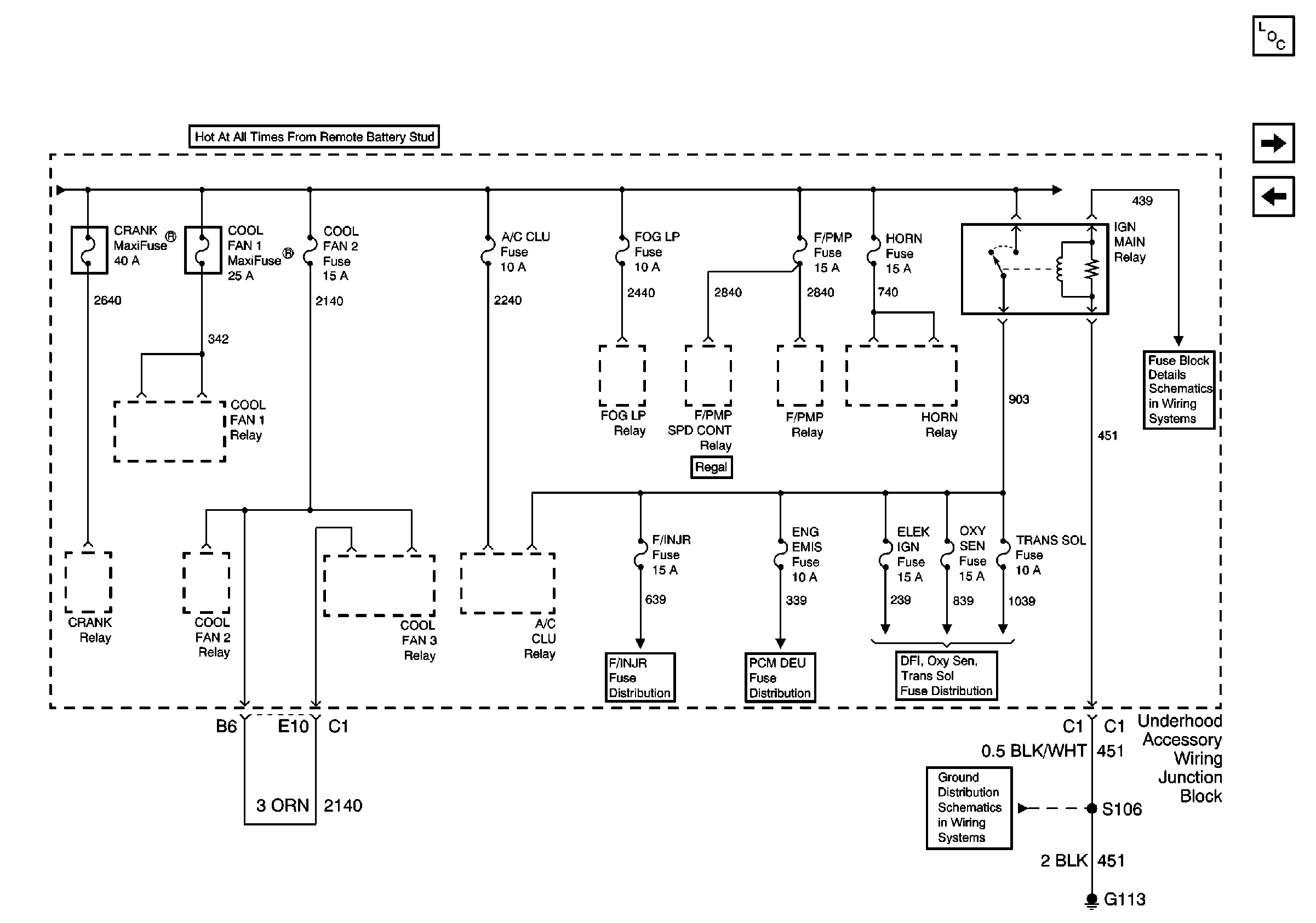
🢒 UAWJB
UAWJB
UAWJB
UAWJB, Fuel Injectors
UAWJB, Stop Lamp Switch, EVAP, MAF Secondary Air Injection Bypass Valve Solenoid
UAWJB, Automatic Transaxle, ICM, HO2S1 and HO2S2
G100, G113 and G113
Fuse Block, UAWJB, PCM, BCM, Cluster, Turn Signal Switch, and SDM Module
Power and Grounding Components
UAWJB, Fuse Block, Headlamps, EBCM, and Generator