GM Service Manual Online
For 1990-2009 cars only
Makes
🢒
Buick
🢒
2000
🢒
Century
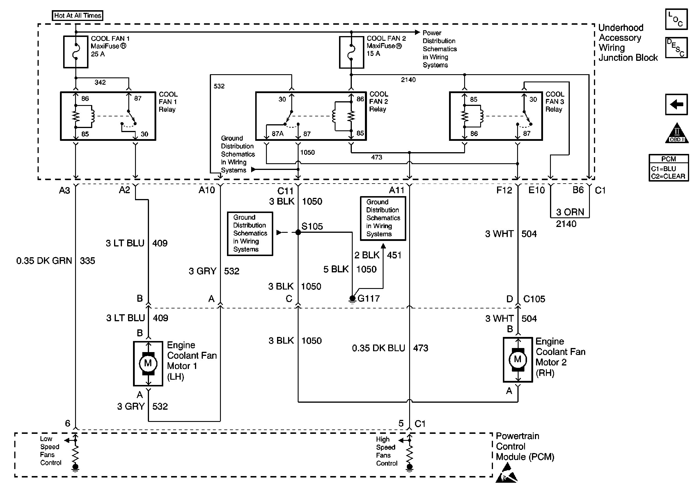
🢒 Cooling Fans Output
Cooling Fans Output
Cooling Fans Output
G113 and G117
G113 and G117
G113 and G117
UAWJB
Handling ESD Sensitive Parts Notice
Engine Controls Component Views
Powertrain Control Module Description
Heater A/C Control Output and A/C Compressor Clutch Coil
OBD II Symbol Description Notice