GM Service Manual Online
For 1990-2009 cars only

Refer to

Heated Oxygen Sensors


Object Number: 589980  Size: FS
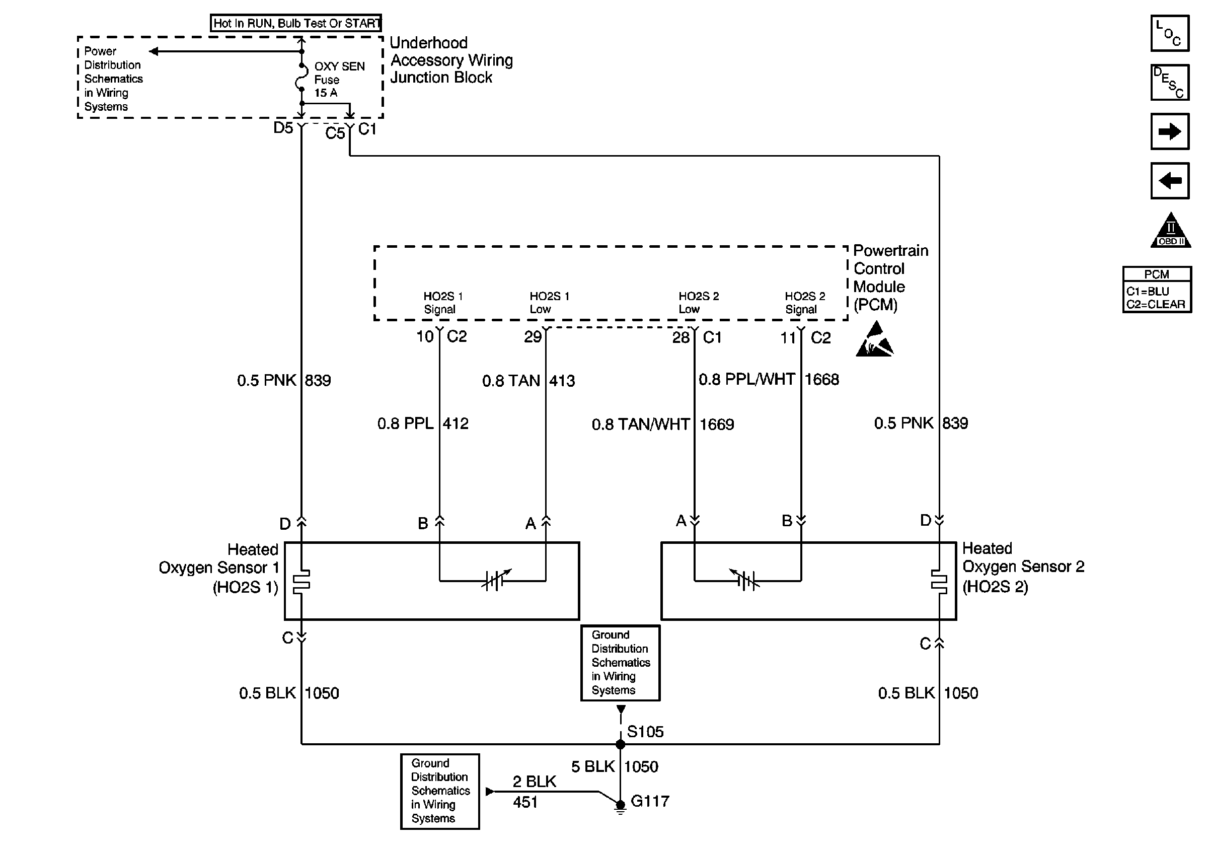
UAWJB, Automatic Transaxle, ICM, HO2S1 and HO2S2
G113 and G117
G113 and G117
Handling ESD Sensitive Parts Notice
Engine Controls Component Views
Powertrain Control Module Description
Mass Air Flow, EGR Valve and EVAP Canister Vent and Purge Solenoids
A/C, Throttle Position, Manifold Absolute Pressure, Engine CoolANT Temperature and Intake Air Temperature Sensors
OBD II Symbol Description Notice
in Engine Controls Schematics.

Circuit Description

The PCM continuously monitors the heated oxygen sensor (HO2S) activity for 100 seconds. During the monitoring period the PCM counts the number of times that a rich to lean and lean to rich response is indicated and adds the amount of time taken to complete all transitions. With this information, an average time for each transition can be determined. If the average response time is too slow, a DTC P0133 will be set.

A lean to rich transition is indicated when the HO2S voltage changes from less than 300 mV to more than 600 mV. A rich to lean transition is indicated when the HO2S voltage changes from more than 600  mV to less than 300 mV. An HO2S that responds too slowly is likely to be faulty and should be replaced.

Conditions for Running the DTC

    •  Active TP, MAP, MAF, IAT, ECT, or AIR, misfire, fuel injector circuit, or EVAP DTCs are not present
    •  Engine has been running in Closed Loop for at least 1 minute
    •  MAF between 10 grams per second and 30 grams per second.
    •  System voltage between 9.0 and 18.0 volts.
    •  Engine speed is between 1000 RPM and 3000 RPM
    •  ECT is more than 50°C (122°F).
    •  Vehicle not in Park or Neutral
    •  AIR pump commanded OFF.

Conditions for Setting the DTC

    •  H02S 1 lean to rich average transition response time was longer than 94 milliseconds.
    •  H02S 1 rich to lean average transition response time was longer than 105 milliseconds.

Action Taken When the DTC Sets

    • The PCM will illuminate the malfunction indicator lamp (MIL) during the second consecutive trip in which the diagnostic test has been run and failed.
    • The PCM will store conditions which were present when the DTC set as Freeze Frame/Failure Records data.

Conditions for Clearing the MIL/DTC

    • The PCM will turn OFF the malfunction indicator lamp (MIL) during the third consecutive trip in which the diagnostic has run and passed.
    • The history DTC will clear after 40 consecutive warm-up cycles have occurred without a malfunction.
    • The DTC can be cleared by using a scan tool.

Diagnostic Aids

Inspect for the following conditions:

Many situations may lead to an intermittent condition. Perform each inspection or test as directed.

Important: :  Remove any debris from the connector surfaces before servicing a component. Inspect the connector gaskets when diagnosing or replacing a component. Ensure that the gaskets are installed correctly. The gaskets prevent contaminate intrusion.

    • Loose terminal connection
       -  Use a corresponding mating terminal to test for proper tension. Refer to Testing for Intermittent Conditions and Poor Connections , and to Connector Repairs in Wiring Systems for diagnosis and repair.
       -  Inspect the harness connectors for backed out terminals, improper mating, broken locks, improperly formed or damaged terminals, and faulty terminal to wire connection. Refer to Testing for Intermittent Conditions and Poor Connections , and to Connector Repairs in Wiring Systems for diagnosis and repair.
    • Damaged harness--Inspect the wiring harness for damage. If the harness inspection does not reveal a problem, observe the display on the scan tool while moving connectors and wiring harnesses related to the sensor. A change in the scan tool display may indicate the location of the fault. Refer to Wiring Repairs in Wiring Systems for diagnosis and repair.
    •  Inspect the powertrain control module (PCM) and the engine grounds for clean and secure connections. Refer to Wiring Repairs in Wiring Systems for diagnosis and repair.

If the condition is determined to be intermittent, reviewing the Snapshot or Freeze Frame/Failure Records may be useful in determining when the DTC or condition was identified.

Test Description

The numbers below refer to the step numbers on the diagnostic table:

  1. When the system is operating correctly the HO2S voltage should toggle above and below the specified values.

  2. If the low circuit is shorted to ground the HO2S voltage will be less than 400 mV when the signal circuit is jumped to ground.

  3. The specified value is what is measured on a correctly operating system.

  4. The specified value is what is measured on a correctly operating system.

  5. This vehicle is equipped with a PCM which utilizes an Electrically Erasable Programmable Read Only Memory (EEPROM). When the PCM is replaced, the new PCM must be programmed.

Step

Action

Values

Yes

No

1

Did you perform the Powertrain On-Board Diagnostic (OBD) System Check?

--

Go to Step 2

Go to Powertrain On Board Diagnostic (OBD) System Check

2

Important: If any other DTCs are set (except HO2S DTCs), refer to other DTCs first before proceeding with this table.

  1. Engine at operating temperature.
  2. Operate engine above 1000 RPM for two minutes.
  3. With a scan tool, observe the HO2S voltage parameter.

Does scan tool indicate HO2S voltage varying outside the specified values?

400-500 mV

Go to Step 3

Go to Step 4

3

Operate vehicle within Failure Records conditions.

Does the scan tool indicate this DTC failed this ignition?

--

Go to Step 4

Go to Diagnostic Aids

4

Inspect and test for the following:

    • Exhaust leak. Refer to Exhaust System Inspection and Exhaust Leakage - Not OBD II in Engine Exhaust.
    • The HO2S is installed correctly.
    • Damaged wiring. Refer to Wiring Repairs in Wiring Systems.

Did you find and correct the condition?

--

Go to Step 15

Go to Step 5

5

  1. Turn ON the ignition.
  2. Disconnect the HO2S.
  3. Jumper the signal circuit (PCM side) to chassis ground.
  4. With a scan tool, observe HO2S voltage parameter.

Does the scan tool indicate HO2S voltage more than the specified value?

400 mV

Go to Step 6

Go to Step 10

6

  1. Remove the jumper wire.
  2. Measure the voltage on the HO2S signal circuit (PCM side) using a DMM that is connected to a good ground.

Does the voltage measure near the specified value?

4.5 V

Go to Step 7

Go to Step 9

7

Measure the voltage on the HO2S low circuit (PCM side) using a DMM that is connected to a good ground.

Does the voltage measure near the specified value?

5.0 V

Go to Step 11

Go to Step 8

8

Test the low circuit for an open or high resistance. Refer to Circuit Testing and Wiring Repairs in Wiring Systems.

Did you find and correct the condition?

--

Go to Step 15

Go to Step 13

9

Test the signal circuit for an open or high resistance. Refer to Circuit Testing and Wiring Repairs in Wiring Systems.

Did you find and correct the condition?

--

Go to Step 15

Go to Step 13

10

Test the low circuit for a short to ground. Refer to Circuit Testing and Wiring Repairs in Wiring Systems.

Did you find and correct the condition?

--

Go to Step 15

Go to Step 14

11

Test for faulty connections at the HO2S. Refer to Testing for Intermittent Conditions and Poor Connections and Connector Repairs in Wiring Systems.

Did you find and correct the condition?

--

Go to Step 15

Go to Step 12

12

Notice: Contamination of the oxygen sensor can result from the use of an inappropriate RTV sealant (not oxygen sensor safe) or excessive engine coolant or oil consumption. Remove the HO2S and visually inspect the portion of the sensor exposed to the exhaust stream in order to check for contamination. If contaminated, the portion of the sensor exposed to the exhaust stream will have a white powdery coating. Silicon contamination causes a high but false HO2S signal voltage (rich exhaust indication). The control module will then reduce the amount of fuel delivered to the engine, causing a severe driveability problem. Eliminate the source of contamination before replacing the oxygen sensor.

Important: Determine the cause of contamination before replacing the sensor.

Inspect and test for the following:

    • Fuel Contamination. Refer to Alcohol/Contaminants-in-Fuel Diagnosis .
        Engine oil or coolant consumption. Refer to Oil Consumption Diagnosis in Engine Mechanical.
    • Use of improper RTV sealant.

Replace the HO2S . Refer to Heated Oxygen Sensor Replacement .

Did you complete the replacement?

--

Go to Step 15

--

13

Test for faulty connections at the PCM. Refer to Testing for Intermittent Conditions and Poor Connections and Connector Repairs in Wiring Systems.

Did you find and correct the condition?

--

Go to Step 15

Go to Step 14

14

Important: The replacement PCM must be programmed.

Replace the PCM. Refer to Powertrain Control Module Replacement/Programming .

Did you complete the replacement?

--

Go to Step 15

--

15

  1. Use the scan tool in order to clear the DTCs.
  2. Operate the vehicle within the Fail Record conditions.

Does the DTC reset?

--

Go to Step 2

Go to Step 16

16

Use the scan tool in order to inspect for DTCs.

Does the scan tool indicate any DTCs that you have not diagnosed?

--

Go to applicable DTC

System OK