GM Service Manual Online
For 1990-2009 cars only
Makes
🢒
Buick
🢒
2001
🢒
Century
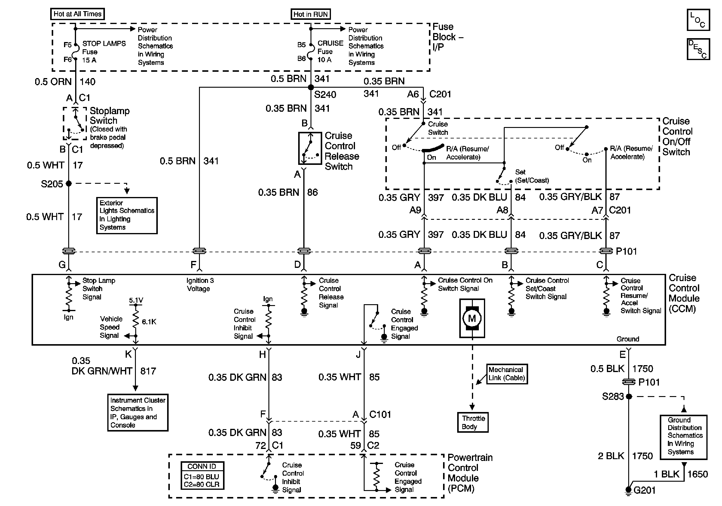
🢒 Cruse Control
Cruse Control
Master Electrical Component List
Cruise Control Description and Operation
Batt 2
IGN 2
Stoplamp and Rear Turn Lamps
Gauges
G201