GM Service Manual Online
For 1990-2009 cars only
Makes
🢒
Buick
🢒
2001
🢒
Century
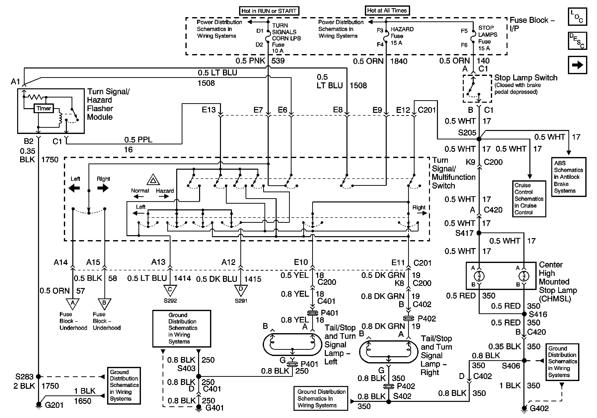
🢒 Stoplamp and Rear Turn Lamps
Stoplamp and Rear Turn Lamps
Stoplamp and Rear Turn Lamps
Master Electrical Component List
Exterior Lighting Systems Description and Operation
Front Turn Lamps and Cornering Lamps
IGN 1
Batt 2
Cruse Control
Stoplamp and Torque Signals
Front Turn Lamps and Cornering Lamps
Front Turn Lamps and Cornering Lamps
Front Turn Lamps and Cornering Lamps
Front Turn Lamps and Cornering Lamps
G201
G401
G402, Page 2 of 2
Power Bussing for Fuse Block Underhood Page 1 of 2