GM Service Manual Online
For 1990-2009 cars only
Makes
🢒
Buick
🢒
2001
🢒
Century
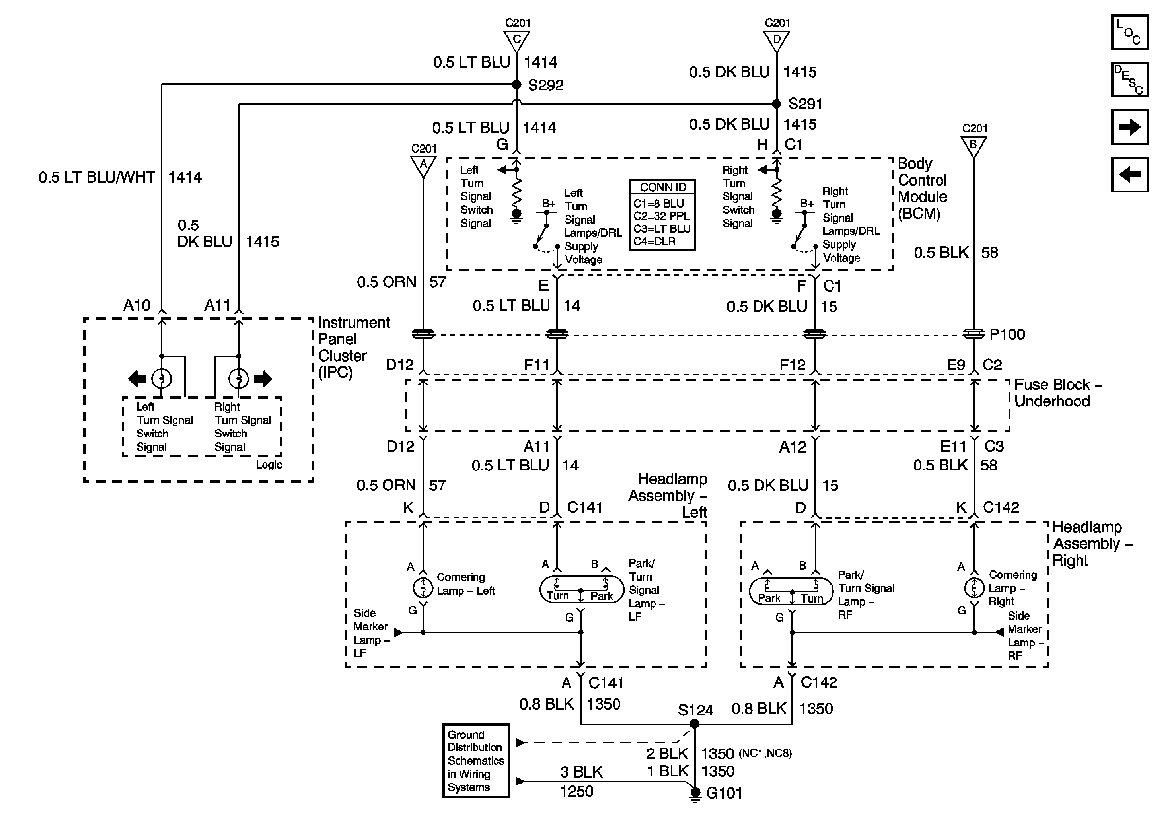
🢒 Front Turn Lamps and Cornering Lamps
Front Turn Lamps and Cornering Lamps
Front Turn Lamps and Cornering Lamps
Master Electrical Component List
Exterior Lighting Systems Description and Operation
Front Park Lamps
Stoplamp and Rear Turn Lamps
Stoplamp and Rear Turn Lamps
Stoplamp and Rear Turn Lamps
Stoplamp and Rear Turn Lamps
Stoplamp and Rear Turn Lamps
G101