GM Service Manual Online
For 1990-2009 cars only
Figure 1:

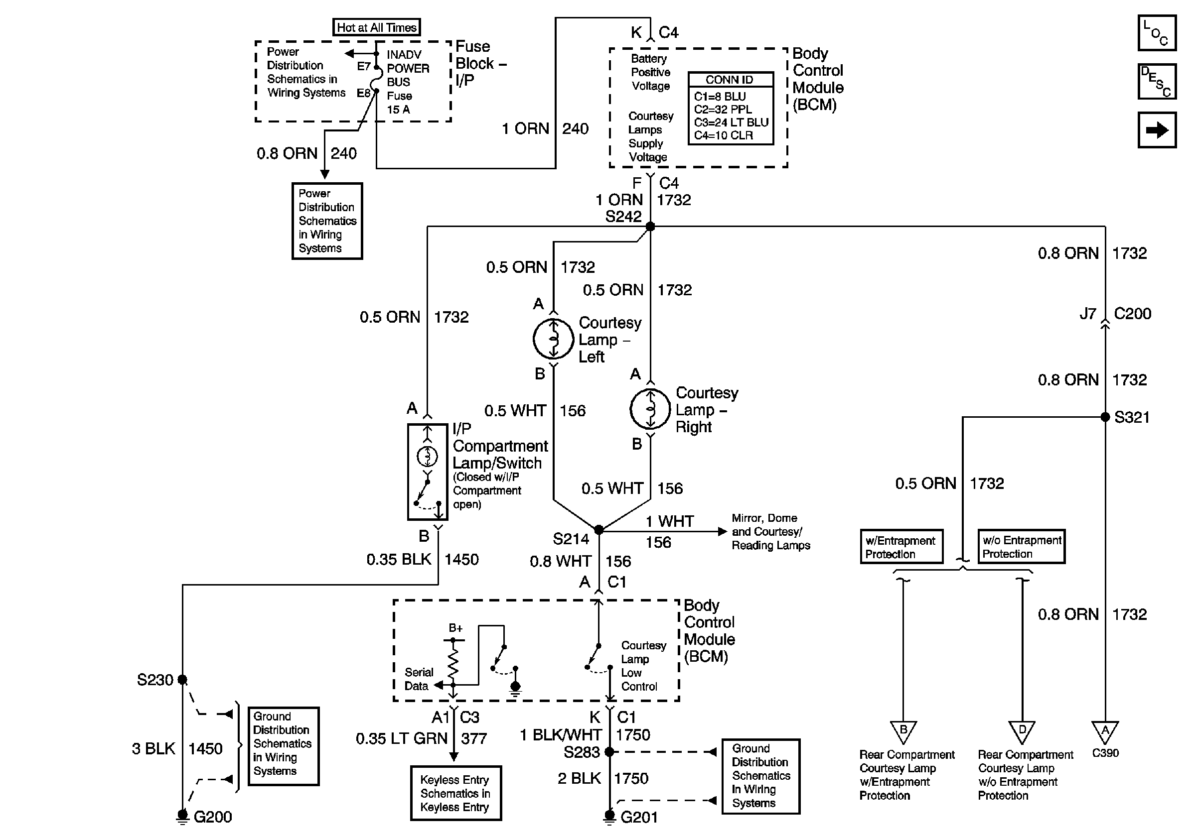
Compartment and I/P Courtesy Lamps


Object Number: 795726  Size: FS
Master Electrical Component List
Interior Lighting Systems Description and Operation
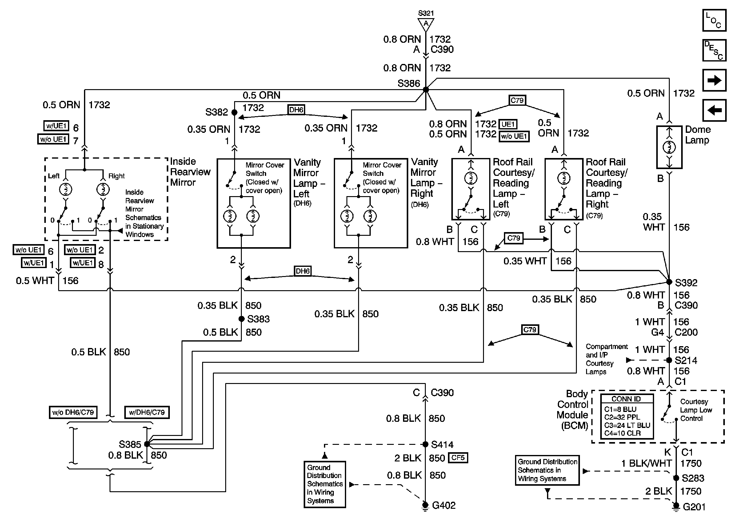
Mirror, Dome, and Courtesy/Reading Lamps
Batt 1 Fuse
Batt 1 Fuse
G200 (Page 1 of 2)
Keyless Entry
Mirror, Dome, and Courtesy/Reading Lamps
G201
Rear Compartment Courtesy Lamp w/Entrapment Protection
Rear Compartment Courtesy Lamp w/o Entrapment Protection
Mirror, Dome, and Courtesy/Reading Lamps
Figure 2:

Mirror, Dome and Courtesy/Reading Lamps


Object Number: 795734  Size: FS
Master Electrical Component List
Interior Lighting Systems Description and Operation
Rear Compartment Courtesy Lamp w/Entrapment Protection
Compartment and I/P Courtesy Lamps
Compartment and I/P Courtesy Lamps
Century
Compartment and I/P Courtesy Lamps
G402 (Page 1 of 2)
G201
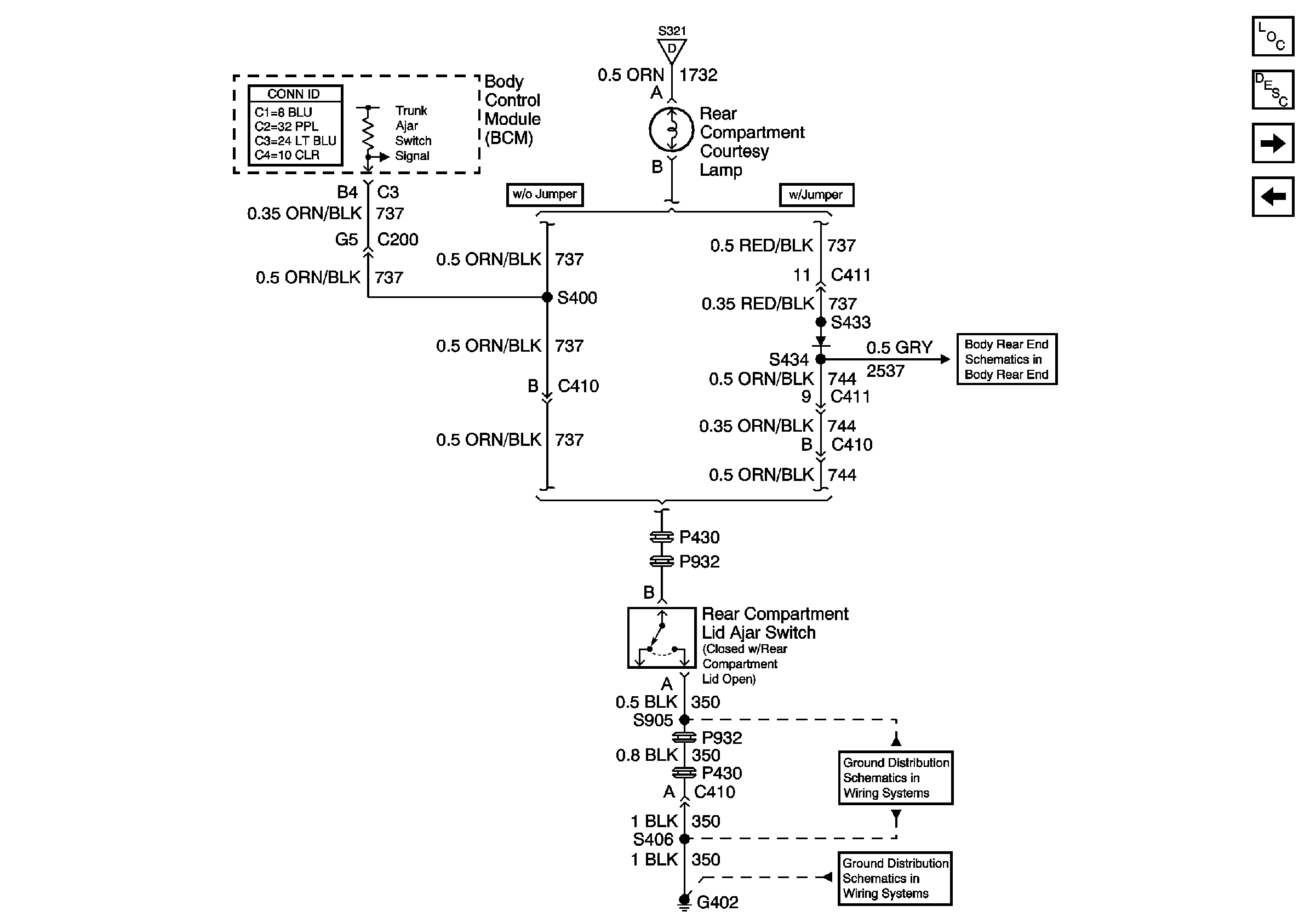
Figure 3:

Rear Compartment Courtesy Lamp w/Entrapment Protection


Object Number: 811963  Size: FS
Master Electrical Component List
Interior Lighting Systems Description and Operation
Rear Compartment Courtesy Lamp w/o Entrapment Protection
Mirror, Dome, and Courtesy/Reading Lamps
Compartment and I/P Courtesy Lamps
G402 (Page 2 of 2)
G402 (Page 1 of 2)
Figure 4:

Rear Compartment Courtesy Lamp w/o Entrapment Protection


Object Number: 856961  Size: FS
Master Electrical Component List
Interior Lighting Systems Description and Operation
Lamp Controls
Rear Compartment Courtesy Lamp w/Entrapment Protection
Compartment and I/P Courtesy Lamps
Decklid Release w/o Entrapment Protection w/Jumper
G402 (Page 2 of 2)
G402 (Page 1 of 2)
Figure 5:

Lamp Controls


Object Number: 795735  Size: FS
Master Electrical Component List
Interior Lighting Systems Description and Operation
Rear Compartment Courtesy Lamp w/o Entrapment Protection
G201
G301 (Page 1 of 2)
G301 (Page 1 of 2)