GM Service Manual Online
For 1990-2009 cars only
Makes
🢒
Buick
🢒
2002
🢒
Century
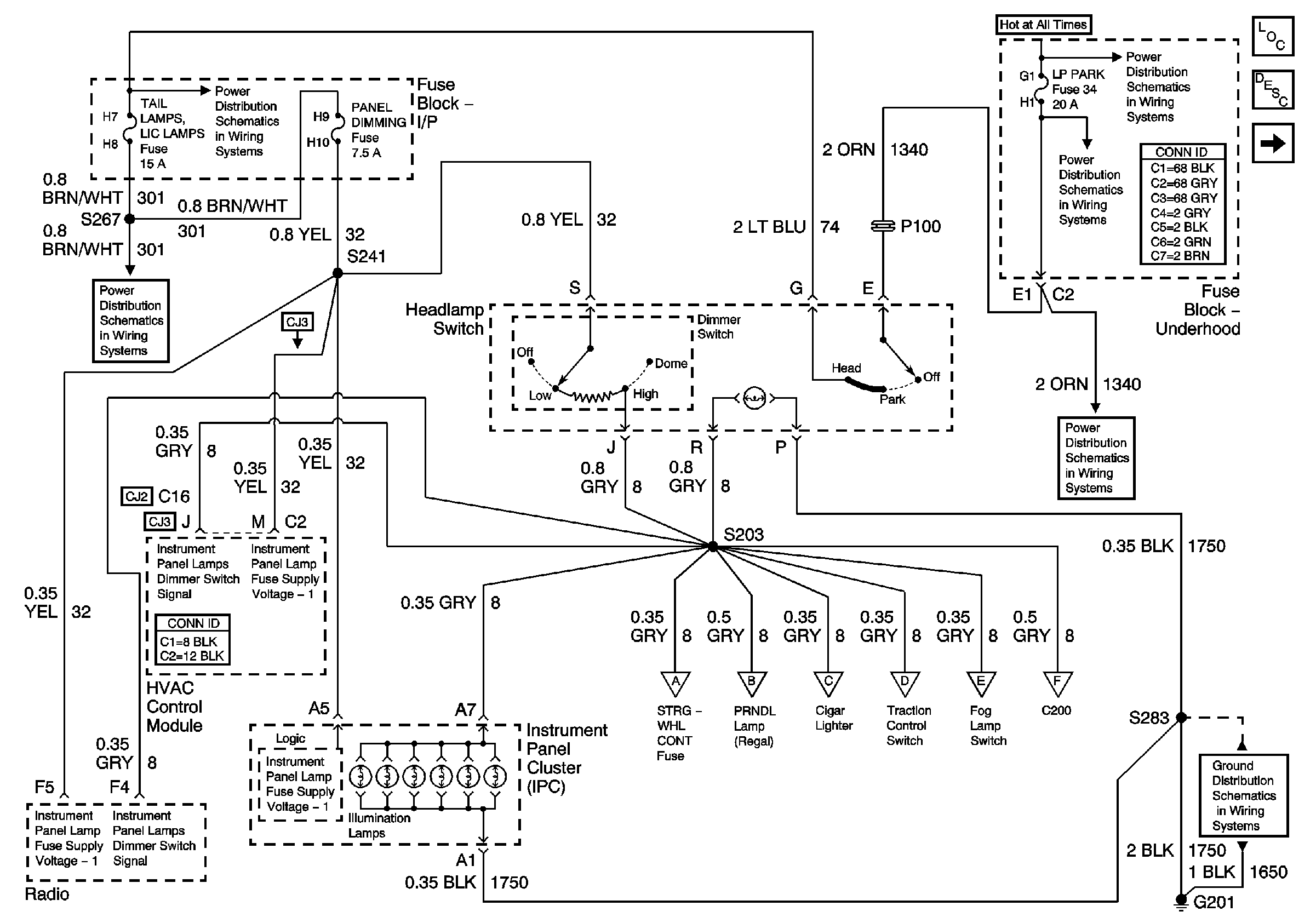
🢒 I/P Dimmer Switch, HVAC, and IPC
I/P Dimmer Switch, HVAC, and IPC
I/P Dimmer Switch, HVAC, and IPC
Master Electrical Component List
Interior Lighting Systems Description and Operation
Passenger Compartment Lamps
Lighting
Lighting
Passenger Compartment Lamps
Passenger Compartment Lamps
Passenger Compartment Lamps
Passenger Compartment Lamps
Passenger Compartment Lamps
Door and Seat Switches
Fuse Block Underhood Power Bussing (Page 1 of 2)
Lighting, Power Windows
Lighting, Power Windows
G201