GM Service Manual Online
For 1990-2009 cars only
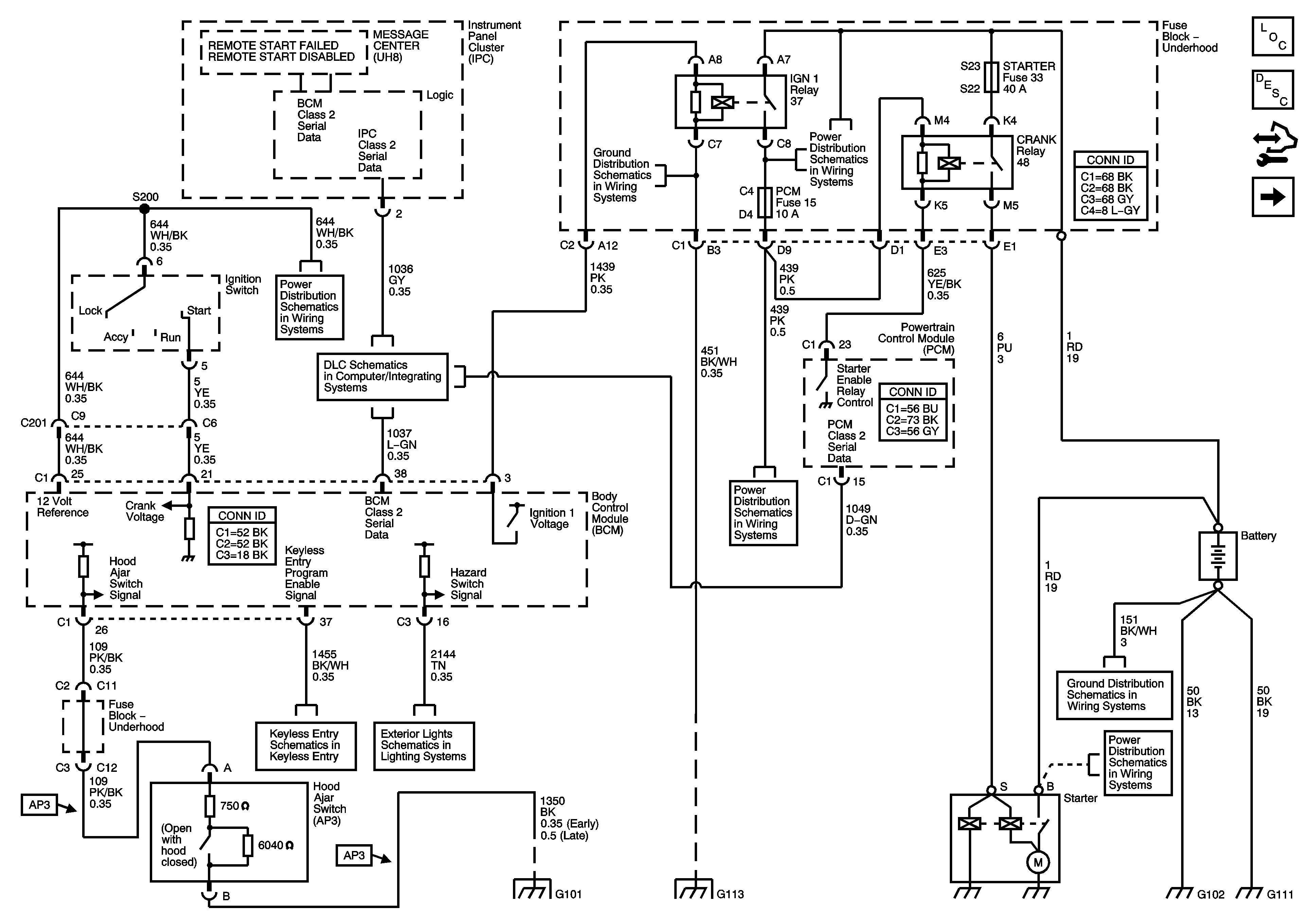
Figure 1:

Starting - L26


Object Number: 1410716  Size: FS
Master Electrical Component List
Starting System Description and Operation
Control Module References
Starting - LY7
G101, G102, G103, G111, G112, and G113
Fuse Block - Underhood B+ Bus
Ignition Switch
L26
Fuse Block - Underhood ABS, TRANS SOL, PCM, SIR, and DISPLAY Fuses, CRANK Relay, and Fuse Block - I/P CRUISE SW Fuse
G101, G102, G103, G111, G112, and G113
Keyless Entry Schematics
Turn Signal, Hazard, and Stop Lamps Inputs
Fuse Block - Underhood B+ Bus
G101, G102, G103, G111, G112, and G113
G101, G102, G103, G111, G112, and G113
G101, G102, G103, G111, G112, and G113
G101, G102, G103, G111, G112, and G113
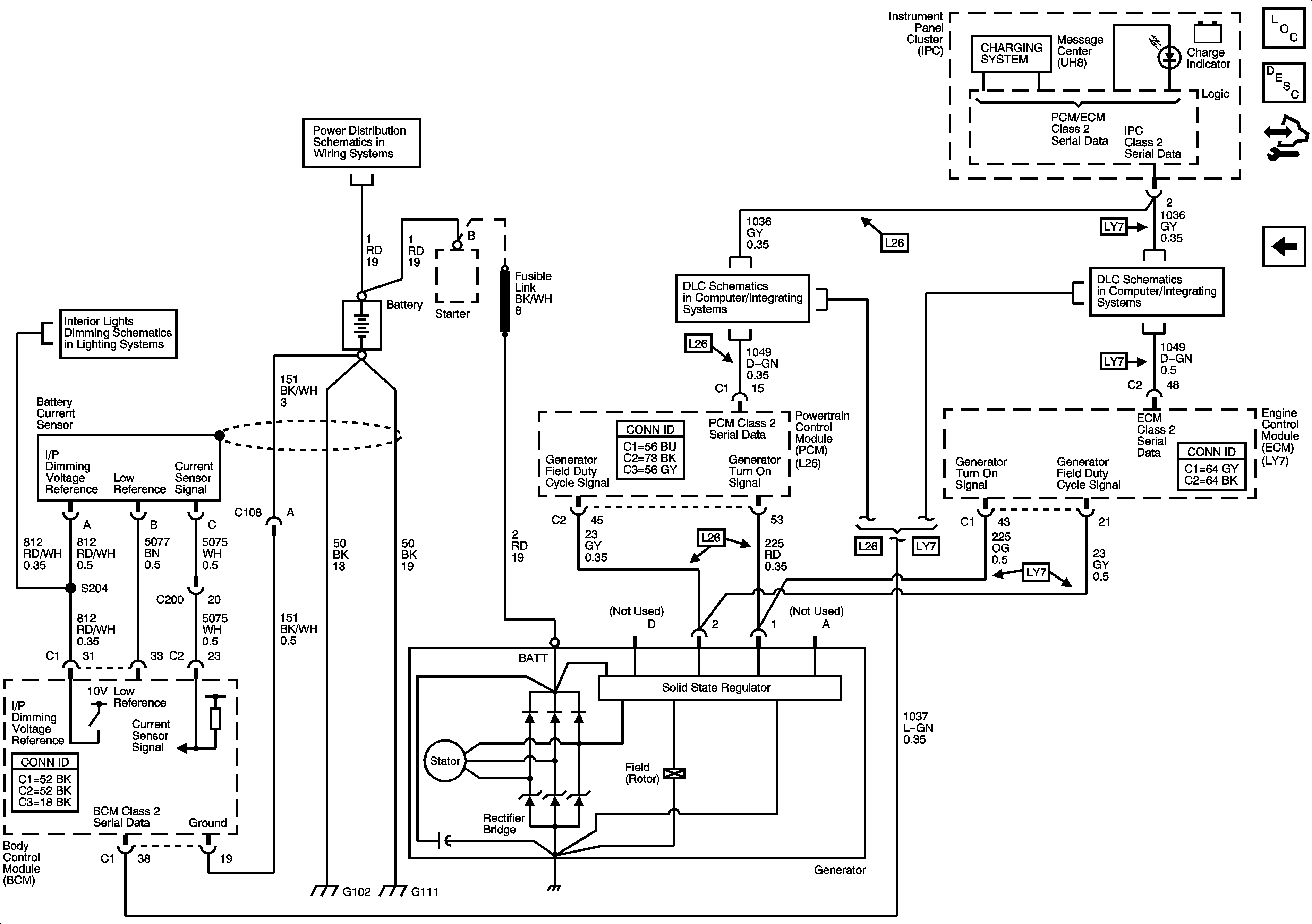
Figure 2:

Starting - LY7


Object Number: 1509258  Size: FS
Master Electrical Component List
Starting System Description and Operation
Control Module References
Charging
Starting - L26
G115 (LY7)
Fuse Block - Underhood B+ Bus
Ignition Switch
LY7
Fuse Block - Underhood ABS, TRANS SOL, PCM, SIR, and DISPLAY Fuses, CRANK Relay, and Fuse Block - I/P CRUISE SW Fuse
G101, G102, G103, G111, G112, and G113
Keyless Entry Schematics
Turn Signal, Hazard, and Stop Lamps Inputs
Fuse Block - Underhood B+ Bus
G101, G102, G103, G111, G112, and G113
G115 (LY7)
G101, G102, G103, G111, G112, and G113
Figure 3:

Charging


Object Number: 1410717  Size: FS
Master Electrical Component List
Starting System Description and Operation
Control Module References
Starting - LY7
Fuse Block - Underhood B+ Bus
L26
LY7
I/P, Console, and Driver Door Lighting
G101, G102, G103, G111, G112, and G113