GM Service Manual Online
For 1990-2009 cars only
Makes
🢒
Buick
🢒
2005
🢒
LaCrosse
🢒
Body
🢒
Lighting Systems
🢒 Cruise Control Schematics
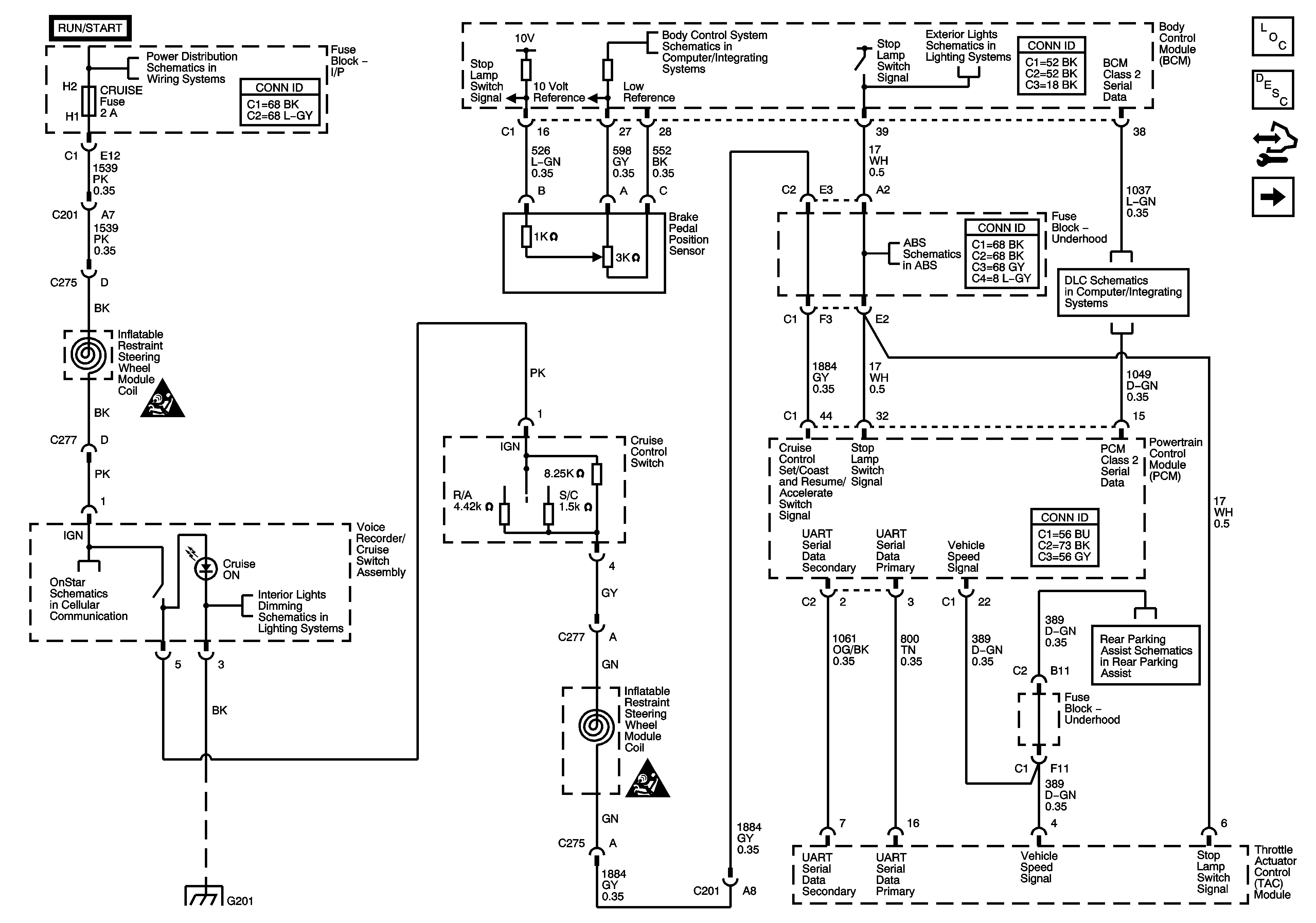
Figure
1:
L26
Master Electrical Component List
Cruise Control Description and Operation 3.8L
Control Module References
LY7
Fuse Block - Underhood ABS, TRANS SOL, PCM, SIR, and DISPLAY Fuses, CRANK Relay, and Fuse Block - I/P CRUISE SW Fuse
Exterior Lights and Interior Lights References
Turn Signal, Hazard, and Stop Lamps Outputs
Indicators, Stop Lamp, Traction Controls, and Serial Data
L26
SIR Caution for Zoning
Power, Ground, Serial Data, Antennas, and Voice Recorder
Steering Wheel and Front Passenger Door Lighting
Rear Parking Assist Schematics
SIR Caution for Zoning
G201
Figure
2:
LY7
Master Electrical Component List
Cruise Control Description and Operation 3.6L
Control Module References
L26
Fuse Block - Underhood ABS, TRANS SOL, PCM, SIR, and DISPLAY Fuses, CRANK Relay, and Fuse Block - I/P CRUISE SW Fuse
Exterior Lights and Interior Lights References
Turn Signal, Hazard, and Stop Lamps Outputs
SIR Caution for Zoning
Shift and TCC Solenoid Valves, TFT Sensor, and Stop Lamp Switch (LY7)
Indicators, Stop Lamp, Traction Controls, and Serial Data
Rear Parking Assist Schematics
LY7
Power, Ground, Serial Data, Antennas, and Voice Recorder
Steering Wheel and Front Passenger Door Lighting
SIR Caution for Zoning
TCM Power, Ground, and Serial Data (LY7)
Electronic Throttle Controls
G201