GM Service Manual Online
For 1990-2009 cars only
Makes
🢒
Buick
🢒
2005
🢒
LaCrosse
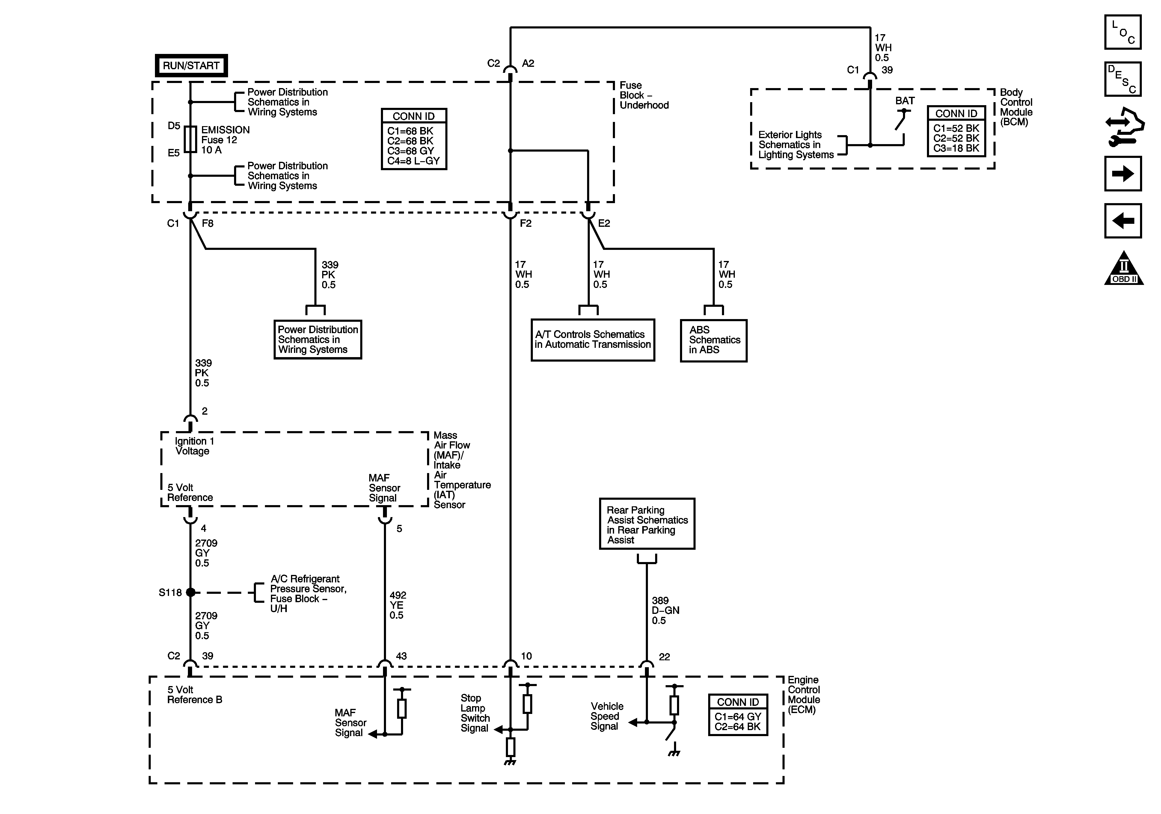
🢒 MAF, VSS and Stop Lamp Switch
MAF, VSS and Stop Lamp Switch
MAF, VSS and Stop Lamp Switch
Master Electrical Component List
Air Intake System Description
Control Module References
Oxygen Sensors
Pressure and Temperature Sensors
OBD II Symbol Description Notice
Fuse Block - Underhood B+ Bus
Fuse Block - Underhood ETC, ELEK IGN (L26), FUEL INJ (L26), 02 SSR (L26), and EMISSION Fuses
Turn Signal, Hazard, and Stop Lamps Outputs
Fuse Block - Underhood ETC, ELEK IGN (L26), FUEL INJ (L26), 02 SSR (L26), and EMISSION Fuses
Shift and TCC Solenoid Valves, TFT Sensor, and Stop Lamp Switch (LY7)
Indicators, Stop Lamp, Traction Controls, and Serial Data
5 Volt and Low Reference, Page 1 of 2
Rear Parking Assist Schematics