GM Service Manual Online
For 1990-2009 cars only
Figure 1:

Power, Ground, Serial Data, and Antenna Module


Object Number: 1803200  Size: FS
Master Electrical Component List
Radio/Audio System Description and Operation
Control Module References
Speakers - UW6
Fuse Block - Underhood BATT MAIN 1 Fuse
Data Link Connector (DLC) Schematics LY7
Data Link Connector Schematics L26
I/P, Console, and Driver Door Lighting
VCIM to Inside Rearview Mirrors
G202
G200
G202
Figure 2:

Speakers - UW6


Object Number: 1803201  Size: FS
Master Electrical Component List
Radio/Audio System Description and Operation
Control Module References
Radio to Amplifier
Power, Ground, Serial Data and Antenna Module
Entertainment/Communication Schematic Icons
Entertainment/Communication Schematic Icons
Entertainment/Communication Schematic Icons
Entertainment/Communication Schematic Icons
Figure 3:

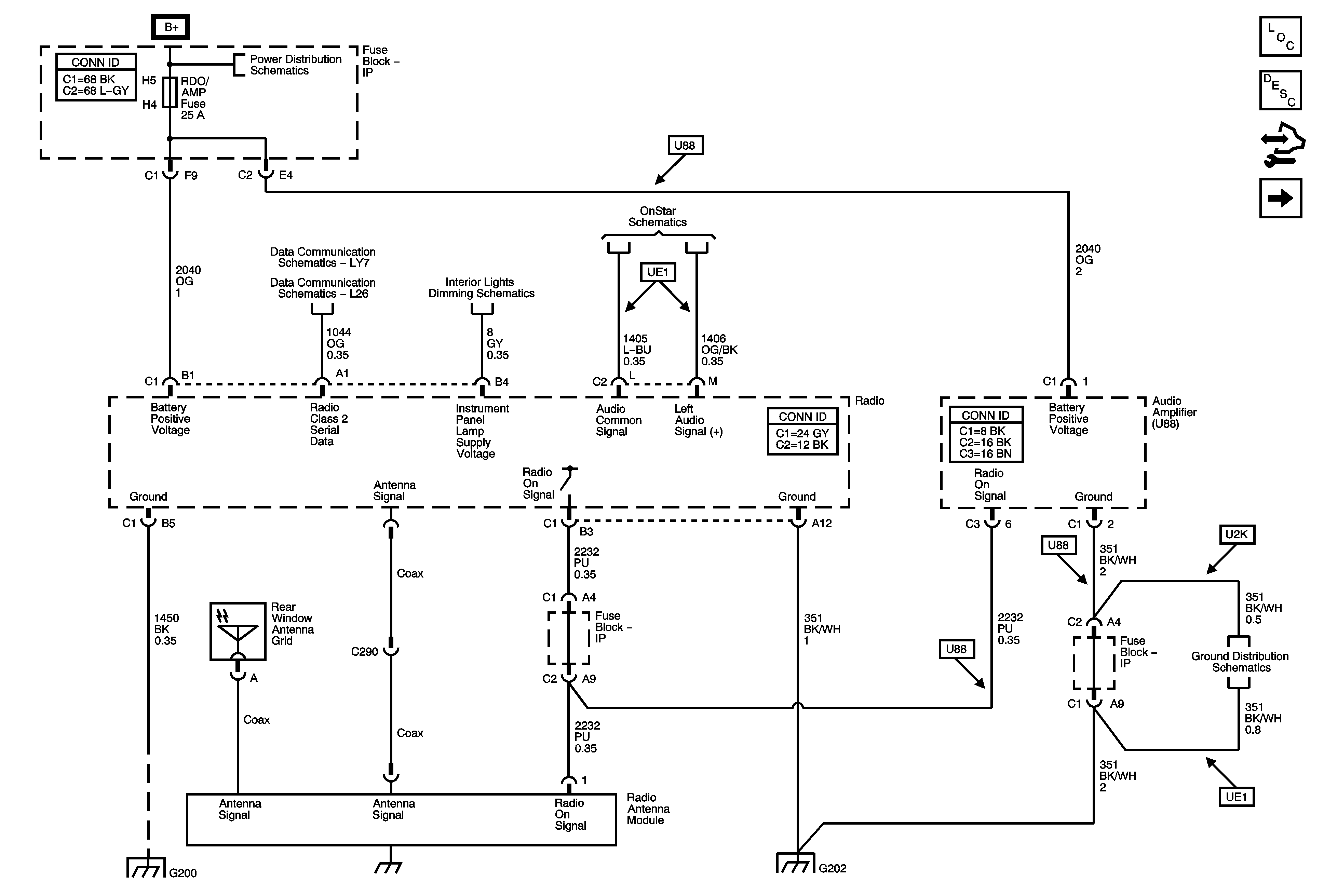
Radio to Amplifier - U88


Object Number: 1803204  Size: FS
Master Electrical Component List
Radio/Audio System Description and Operation
Control Module References
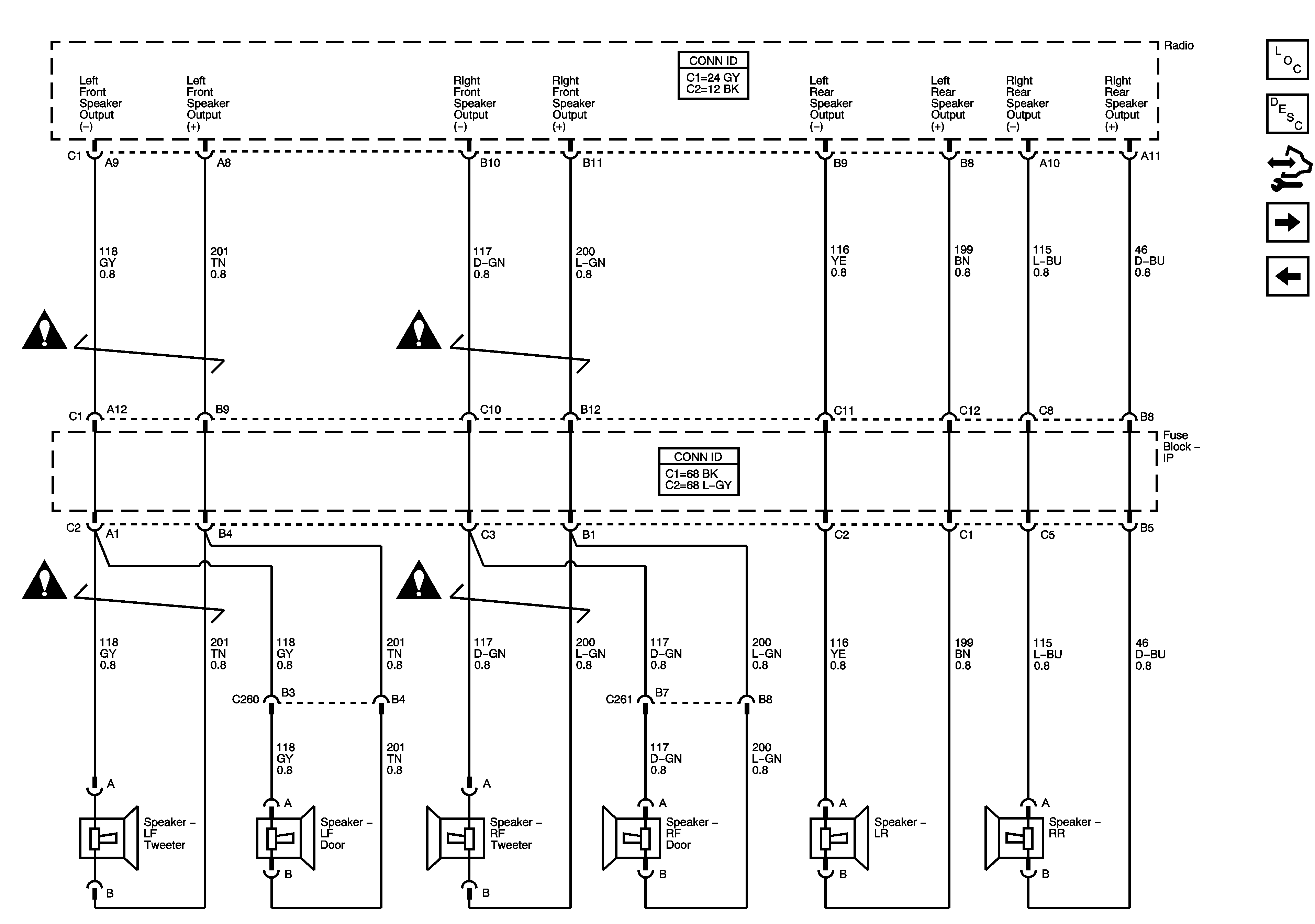
Front Speakers - U88
Speakers - UW6
Entertainment/Communication Schematic Icons
Entertainment/Communication Schematic Icons
Entertainment/Communication Schematic Icons
Entertainment/Communication Schematic Icons
Entertainment/Communication Schematic Icons
Entertainment/Communication Schematic Icons
Entertainment/Communication Schematic Icons
Entertainment/Communication Schematic Icons
Figure 4:

Front Speakers - U88


Object Number: 1803218  Size: FS
Master Electrical Component List
Radio/Audio System Description and Operation
Control Module References
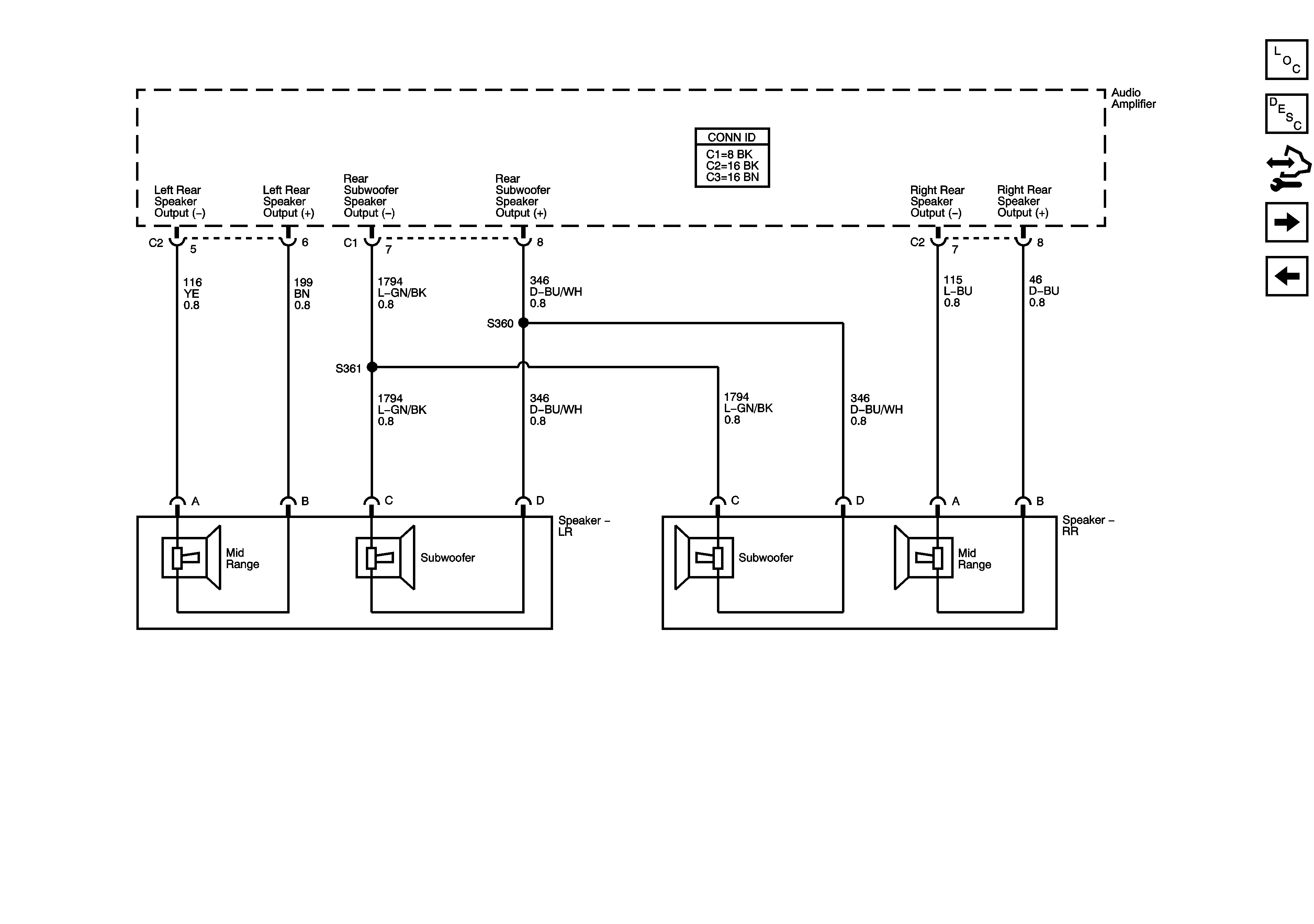
Rear Speakers - U88
Radio to Amplifier
Entertainment/Communication Schematic Icons
Entertainment/Communication Schematic Icons
Entertainment/Communication Schematic Icons
Entertainment/Communication Schematic Icons
Figure 5:

Rear Speakers - U88


Object Number: 1803220  Size: FS
Master Electrical Component List
Radio/Audio System Description and Operation
Control Module References
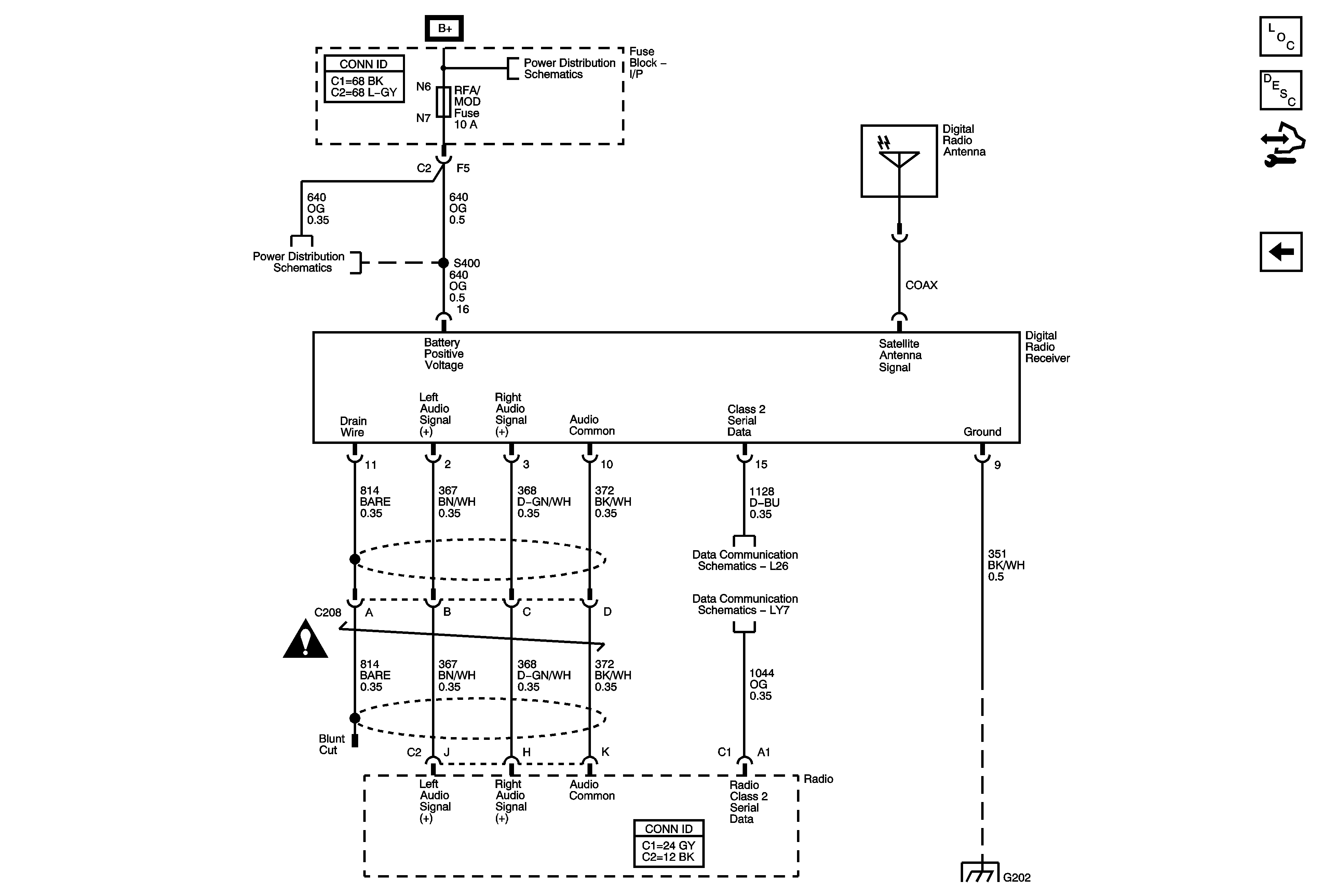
Satellite Radio - U2K
Front Speakers - U88
Figure 6:

Satellite Radio - U2K


Object Number: 1803227  Size: FS
Master Electrical Component List
Radio/Audio System Description and Operation
Control Module References
Rear Speakers - U88
Fuse Block - Underhood BATT MAIN 1 Fuse
Fuse Block - Underhood BATT MAIN 1 Fuse
Entertainment/Communication Schematic Icons
Data Link Connector Schematics L26
Data Link Connector (DLC) Schematics LY7
G202