GM Service Manual Online
For 1990-2009 cars only
Makes
🢒
Buick
🢒
2007
🢒
LaCrosse
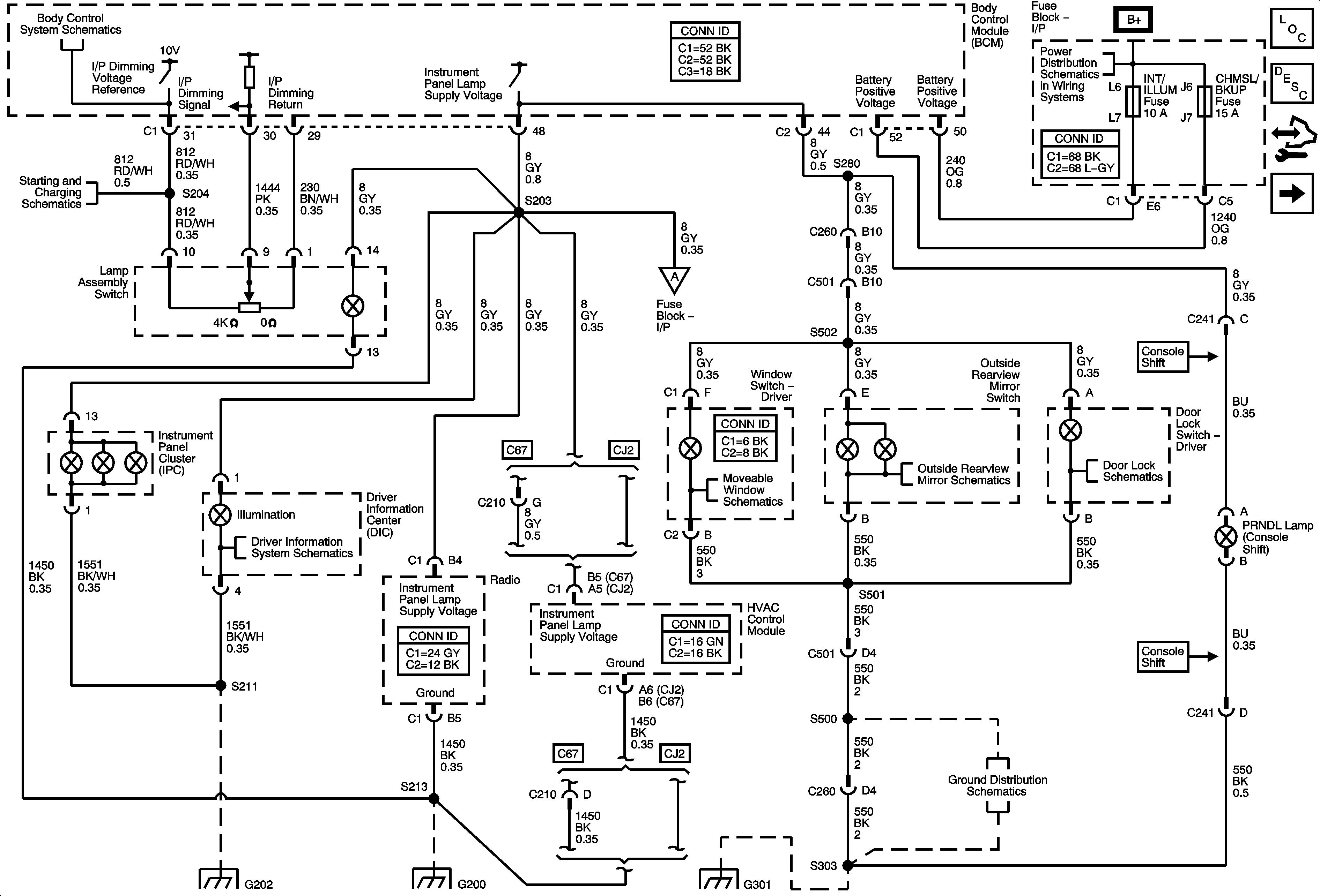
🢒 I/P, Console, and Driver Door Lighting
I/P, Console, and Driver Door Lighting
I/P, Console, and Driver Door Lighting
Master Electrical Component List
Interior Lighting Systems Description and Operation
Control Module References
Steering Wheel and Front Passenger Door Lighting
Door/Lock Indicator, Fog Lights, Headlights/DRL, Interior Lights, OnStar and Rear Parking Assist References
Fuse Block - Underhood BATT MAIN 1 Fuse
Charging
Steering Wheel and Front Passenger Door Lighting
Driver Information System
Power Windows Schematics
Outside Mirror Schematics
Lock Indicator Switches
G202
G200
G302
G302