GM Service Manual Online
For 1990-2009 cars only
Makes
🢒
Buick
🢒
2007
🢒
LaCrosse
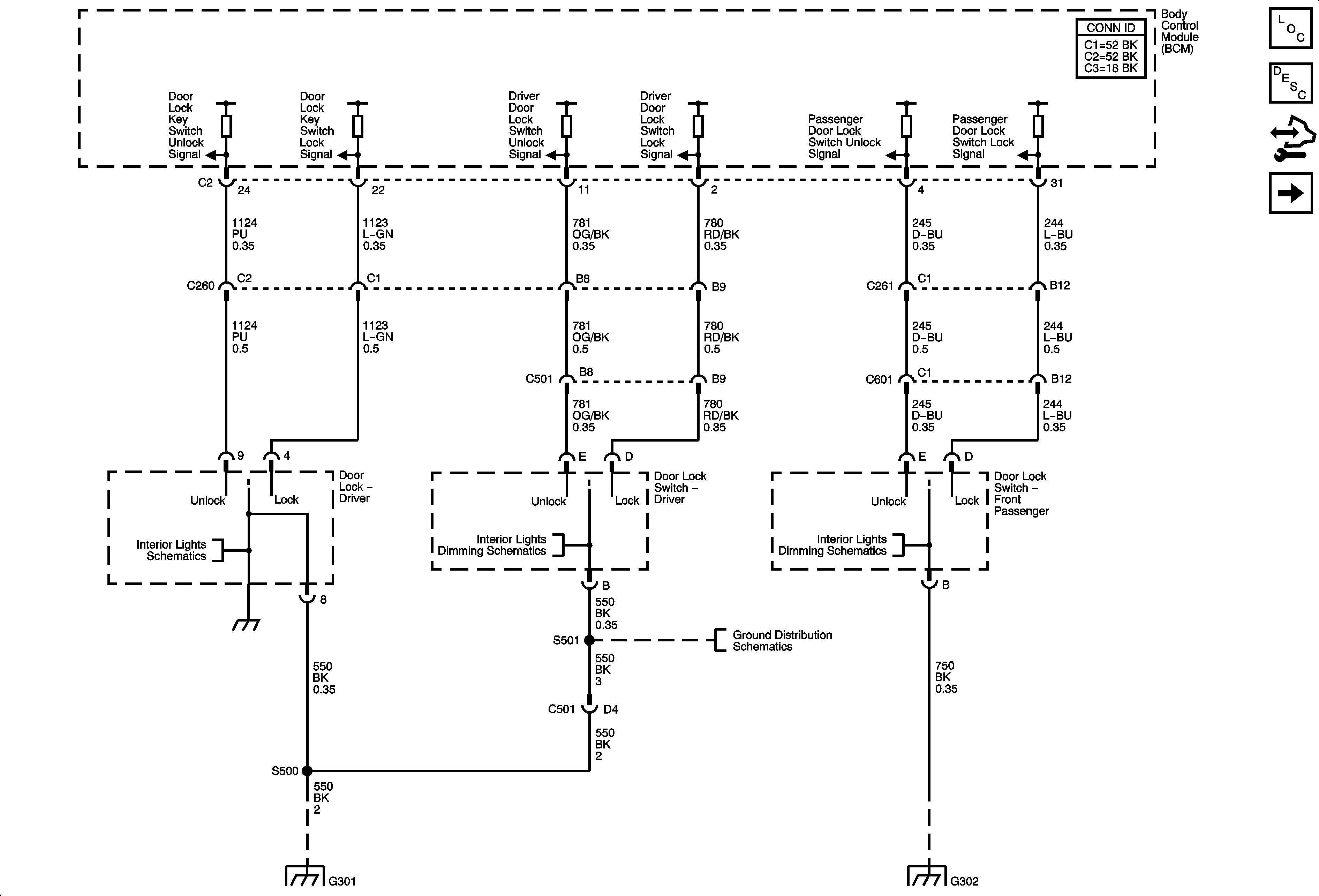
🢒 Lock Indicator Switches
Lock Indicator Switches
Switches
Master Electrical Component List
Power Door Locks Description and Operation
Control Module References
Indicator Actuators
Lights Lamp Controls
I/P, Console, and Driver Door Lighting
Steering Wheel and Front Passenger Door Lighting
G301
G301
G302